Inductor for QN9020 BLE

取消
显示结果 
显示  仅  | 搜索替代 
您的意思是: 

Inductor for QN9020 BLE

2,431 次查看
terryking
Contributor I

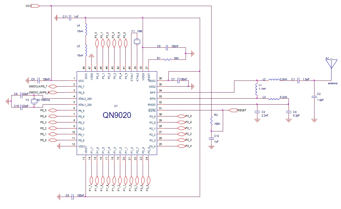
The Data sheet for the QN9020 shows inductor L5 as being 10uH for the DC to DC design. Is this correct? I am having a hard time finding this inductor in the SMD 0402 series. Should it be 10nH instead of 10uH, or is 10 uH correct? Thanks.

Terry King.

0 项奖励
回复
1 回复

2,261 次查看
EarlOrlando
Senior Contributor II

Hello!

Thank you for your interest in NXP products.

We are happy to support you through our communities, unfortunately we temporarily have a community structure with two parallel systems which has probably not guided you correctly.

Be ensured we are working on fixing the navigation and the offering as soon as we can.

In the meantime, please re-post your question into the monitored space for this product line:

https://nxpcommunity.force.com/community/CommunityForumQuestionList?category=ZigBee

You may find the following page helpful for navigating to the right spaces:

http://www.nxp.com/support/communities:COMMUNITIES

We apologize for the inconvenience,

The NXP Technical Support Team

0 项奖励
回复