How to run KW47-M2 standalone

キャンセル
次の結果を表示 
表示  限定  | 次の代わりに検索 
もしかして: 

How to run KW47-M2 standalone

How to run KW47-M2 standalone

Board pictures (KW47-M2)

neidys_vargas_0-1753807293929.png

Connectors (KW47-M2)

Part Identifier

Connector Type

Description

J3

2x5 pin header

SWD DNP

J8

1x6 pin header

UART1 – FTDI DNP

J9

1x6 pin header

Power connector DNP

Jumpers (KW47-M2)

Part Identifier

Connector Type

Description

JP5

2x3 pin header

supply power source selection jumper:

  • 1-2 shorted (default configuration): Use this configuration to set target MCU in DCDC mode. 
  • 3-4 shorted: Use this configuration to set target MCU in LDO/Bypass mode. All MCU power domains are supplied by P3V3_DUT. 

JP4

1x2 pin header

Target MCU boot configuration enable jumper:

Open (default setting): ISP mode is disabled

Shorted: ISP mode is enabled

Push Buttons (KW47-M2)

Part Identifier

Switch name

Description

SW1

Reset button

Resets the target MCU. This causes peripherals to reset to their default state. After this, MCU ROM bootloader will be executed. LED D1 turns on at SW1 press.

SW2

User PB

General purpose input. This pin supports low-power wakeup capabilities through Wake-Up Unit (WUU).

LEDs (KW47-M2)

Part Identifier

Switch name

Description

D1

Reset LED

Indicates a system reset event. When reset is triggered—such as by pressing the SW1 reset button—the D1 LED turns ON.

D2

Led Green

User indicator, indicates system activity

 

Power Configurations (KW47-M2)

  • Populate J9 PWR connector. To run KW47 M2 as standalone, supply 3.3V to P3V3_DUT power rail
neidys_vargas_1-1753714061544.png

Figure 1 J9 M10

Configuration (KW47-M2)  

To get the KW47 M2 up and running, you need to select a power configuration through JP5 jumper. For more information on KW47 power configurations, refer to RM:

Part Identifier

pin

Description

JP5

1-2

1-2 shorted (default setting): Sets target MCU to DCDC mode. This mode is the recommended configuration.

JP5

3-4

3-4 shorted: Sets target MCU to LDO mode.

 

 

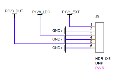
External power configuration (KW47-M2)

Enable KW47-M2 by supplying power through J9 connector:

Note: When using DCDC or LDO mode, it is recommended to supply P3V3_DUT power rail only.

Part Identifier

pin

Description

J9

5

Use this pin to supply P3V3_DUT power rail with 3.3V. To get KW47-M2 up and running, it is recommended to set KW47 to DCDC mode and supply P3V3_DUT only.

J9

3

Use this pin to supply P1V8_LDO power rail with 1.8V. This power rail is intended for an accurate control of VDD_RF power domain, but it is not necessary.

J9

1

Use this pin to supply P1V1_EXT power rail with 1.1V. This power rail is intended for an accurate control of VDD_CORE power domain, but it is not necessary.

 

neidys_vargas_2-1753714061554.png

 

Programming the NBU in the KW47-M2 board

The following steps guide you to program the NBU software for the KW47-M2

  1. Place a jumper on the JP4 header while holding down the reset button (SW) on the module board. Then, connect the USB cable to the J8 connector (USB-to-serial bridge) and plug it into your computer. After the USB cable is connected, release the reset button.
neidys_vargas_6-1753714061702.png

 

  1. Verify what COM Port was assigned to your KW47-M2 board. You can check the COM Port assigned in the Windows “Device Manager” program. Search for “Ports (COM & LPT)” and save the COM Port number. In this example the COM Port assigned was “COM19”
neidys_vargas_7-1753714061704.png

 

  1. Navigate to your computer to the MCU-Link installation folder. The default installation path is located at “C:\nxp\LinkServer_25.3.31\MCU-LINK_installer
  2. Locate the “bin” folder and open it. Run the script “blhost” within a windows command prompt.
neidys_vargas_8-1753714061713.png

 

Type “blhost.exe -p COMX write-memory 0x48800000”, drag and drop the NBU binary file. When the process is ready you will see the response status "success"

neidys_vargas_9-1753714061729.png

 

ラベル(1)
%3CLINGO-SUB%20id%3D%22lingo-sub-2141852%22%20slang%3D%22en-US%22%20mode%3D%22CREATE%22%3EKW47-M2%E3%82%92%E5%8D%98%E7%8B%AC%E3%81%A7%E7%A8%BC%E5%83%8D%E3%81%95%E3%81%9B%E3%82%8B%E6%96%B9%E6%B3%95%3C%2FLINGO-SUB%3E%3CLINGO-BODY%20id%3D%22lingo-body-2141852%22%20slang%3D%22en-US%22%20mode%3D%22CREATE%22%3E%0A%3CP%3E%3CFONT%20size%3D%225%22%3E%3CSTRONG%3E%E3%83%9C%E3%83%BC%E3%83%89%E5%86%99%E7%9C%9F%EF%BC%88KW47-M2%EF%BC%89%3C%2FSTRONG%3E%3C%2FFONT%3E%3C%2FP%3E%0A%3CSPAN%20class%3D%22lia-inline-image-display-wrapper%20lia-image-align-center%22%20image-alt%3D%22neidys_vargas_0-1753807293929.png%22%20style%3D%22width%3A%20400px%3B%22%3E%3Cspan%20class%3D%22lia-inline-image-display-wrapper%22%20image-alt%3D%22neidys_vargas_0-1753807293929.png%22%20style%3D%22width%3A%20400px%3B%22%3E%3Cimg%20src%3D%22https%3A%2F%2Fcommunity.nxp.com%2Ft5%2Fimage%2Fserverpage%2Fimage-id%2F350055i534B113256A73C2F%2Fimage-size%2Fmedium%3Fv%3Dv2%26amp%3Bpx%3D400%22%20role%3D%22button%22%20title%3D%22neidys_vargas_0-1753807293929.png%22%20alt%3D%22neidys_vargas_0-1753807293929.png%22%20%2F%3E%3C%2Fspan%3E%3C%2FSPAN%3E%0A%3CH1%20class%3D%22lia-align-justify%22%20id%3D%22toc-hId-1271720376%22%20style%3D%22text-align%20%3A%20justify%3B%22%20id%3D%22toc-hId-1299659559%22%20style%3D%22text-align%20%3A%20justify%3B%22%3E%3CFONT%20size%3D%225%22%3E%E3%82%B3%E3%83%8D%E3%82%AF%E3%82%BF%EF%BC%88KW47-M2%EF%BC%89%3C%2FFONT%3E%3C%2FH1%3E%0A%3CTABLE%20class%3D%22%20lia-align-justify%22%20width%3D%22606%22%20style%3D%22text-align%20%3A%20justify%3B%22%20style%3D%22text-align%20%3A%20justify%3B%22%3E%0A%3CTBODY%3E%0A%3CTR%3E%0A%3CTD%20width%3D%22126%22%20class%3D%22lia-align-center%22%20style%3D%22text-align%3A%20center%3B%22%20style%3D%22text-align%3A%20center%3B%22%3E%0A%3CP%3E%3CSTRONG%3E%E9%83%A8%E5%93%81%E8%AD%98%E5%88%A5%E5%AD%90%3C%2FSTRONG%3E%3C%2FP%3E%0A%3C%2FTD%3E%0A%3CTD%20width%3D%22144%22%20class%3D%22lia-align-center%22%20style%3D%22text-align%3A%20center%3B%22%20style%3D%22text-align%3A%20center%3B%22%3E%0A%3CP%3E%3CSTRONG%3E%E3%82%B3%E3%83%8D%E3%82%AF%E3%82%BF%E3%83%BB%E3%82%BF%E3%82%A4%E3%83%97%3C%2FSTRONG%3E%3C%2FP%3E%0A%3C%2FTD%3E%0A%3CTD%20width%3D%22336%22%20class%3D%22lia-align-center%22%20style%3D%22text-align%3A%20center%3B%22%20style%3D%22text-align%3A%20center%3B%22%3E%0A%3CP%3E%3CSTRONG%3E%E8%AA%AC%E6%98%8E%3C%2FSTRONG%3E%3C%2FP%3E%0A%3C%2FTD%3E%0A%3C%2FTR%3E%0A%3CTR%3E%0A%3CTD%20width%3D%22126%22%20class%3D%22lia-align-center%22%20style%3D%22text-align%3A%20center%3B%22%20style%3D%22text-align%3A%20center%3B%22%3E%0A%3CP%3EJ3%3C%2FP%3E%0A%3C%2FTD%3E%0A%3CTD%20width%3D%22144%22%20class%3D%22lia-align-center%22%20style%3D%22text-align%3A%20center%3B%22%20style%3D%22text-align%3A%20center%3B%22%3E%0A%3CP%3E2x5%E3%83%94%E3%83%B3%E3%83%98%E3%83%83%E3%83%80%3C%2FP%3E%0A%3C%2FTD%3E%0A%3CTD%20width%3D%22336%22%20class%3D%22lia-align-center%22%20style%3D%22text-align%3A%20center%3B%22%20style%3D%22text-align%3A%20center%3B%22%3E%0A%3CP%3ESWD%20DNP%3C%2FP%3E%0A%3C%2FTD%3E%0A%3C%2FTR%3E%0A%3CTR%3E%0A%3CTD%20width%3D%22126%22%20class%3D%22lia-align-center%22%20style%3D%22text-align%3A%20center%3B%22%20style%3D%22text-align%3A%20center%3B%22%3E%0A%3CP%3EJ8%3C%2FP%3E%0A%3C%2FTD%3E%0A%3CTD%20width%3D%22144%22%20class%3D%22lia-align-center%22%20style%3D%22text-align%3A%20center%3B%22%20style%3D%22text-align%3A%20center%3B%22%3E%0A%3CP%3E1x6%E3%83%94%E3%83%B3%E3%83%98%E3%83%83%E3%83%80%3C%2FP%3E%0A%3C%2FTD%3E%0A%3CTD%20width%3D%22336%22%20class%3D%22lia-align-center%22%20style%3D%22text-align%3A%20center%3B%22%20style%3D%22text-align%3A%20center%3B%22%3E%0A%3CP%3EUART1%20%E2%80%93%20FTDI%20DNP%3C%2FP%3E%0A%3C%2FTD%3E%0A%3C%2FTR%3E%0A%3CTR%3E%0A%3CTD%20width%3D%22126%22%20class%3D%22lia-align-center%22%20style%3D%22text-align%3A%20center%3B%22%20style%3D%22text-align%3A%20center%3B%22%3E%0A%3CP%3EJ9%3C%2FP%3E%0A%3C%2FTD%3E%0A%3CTD%20width%3D%22144%22%20class%3D%22lia-align-center%22%20style%3D%22text-align%3A%20center%3B%22%20style%3D%22text-align%3A%20center%3B%22%3E%0A%3CP%3E1x6%E3%83%94%E3%83%B3%E3%83%98%E3%83%83%E3%83%80%3C%2FP%3E%0A%3C%2FTD%3E%0A%3CTD%20width%3D%22336%22%20class%3D%22lia-align-center%22%20style%3D%22text-align%3A%20center%3B%22%20style%3D%22text-align%3A%20center%3B%22%3E%0A%3CP%3E%E9%9B%BB%E6%BA%90%E3%82%B3%E3%83%8D%E3%82%AF%E3%82%BF%20DNP%3C%2FP%3E%0A%3C%2FTD%3E%0A%3C%2FTR%3E%0A%3C%2FTBODY%3E%0A%3C%2FTABLE%3E%0A%3CH1%20class%3D%22lia-align-justify%22%20id%3D%22toc-hId--535734087%22%20style%3D%22text-align%20%3A%20justify%3B%22%20id%3D%22toc-hId--507794904%22%20style%3D%22text-align%20%3A%20justify%3B%22%3E%3CFONT%20size%3D%225%22%3E%E3%82%B8%E3%83%A3%E3%83%B3%E3%83%91%EF%BC%88KW47-M2%EF%BC%89%3C%2FFONT%3E%3C%2FH1%3E%0A%3CTABLE%20class%3D%22%20lia-align-justify%22%20width%3D%22606%22%20style%3D%22text-align%20%3A%20justify%3B%22%20style%3D%22text-align%20%3A%20justify%3B%22%3E%0A%3CTBODY%3E%0A%3CTR%3E%0A%3CTD%20width%3D%22126%22%20class%3D%22lia-align-center%22%20style%3D%22text-align%3A%20center%3B%22%20style%3D%22text-align%3A%20center%3B%22%3E%0A%3CP%3E%3CSTRONG%3E%E9%83%A8%E5%93%81%E8%AD%98%E5%88%A5%E5%AD%90%3C%2FSTRONG%3E%3C%2FP%3E%0A%3C%2FTD%3E%0A%3CTD%20width%3D%22144%22%20class%3D%22lia-align-center%22%20style%3D%22text-align%3A%20center%3B%22%20style%3D%22text-align%3A%20center%3B%22%3E%0A%3CP%3E%3CSTRONG%3E%E3%82%B3%E3%83%8D%E3%82%AF%E3%82%BF%E3%83%BB%E3%82%BF%E3%82%A4%E3%83%97%3C%2FSTRONG%3E%3C%2FP%3E%0A%3C%2FTD%3E%0A%3CTD%20width%3D%22336%22%20class%3D%22lia-align-center%22%20style%3D%22text-align%3A%20center%3B%22%20style%3D%22text-align%3A%20center%3B%22%3E%0A%3CP%3E%3CSTRONG%3E%E8%AA%AC%E6%98%8E%3C%2FSTRONG%3E%3C%2FP%3E%0A%3C%2FTD%3E%0A%3C%2FTR%3E%0A%3CTR%3E%0A%3CTD%20width%3D%22126%22%3E%0A%3CP%3EJP5%3C%2FP%3E%0A%3C%2FTD%3E%0A%3CTD%20width%3D%22144%22%3E%0A%3CP%3E2x3%E3%83%94%E3%83%B3%E3%83%98%E3%83%83%E3%83%80%3C%2FP%3E%0A%3C%2FTD%3E%0A%3CTD%20width%3D%22336%22%3E%0A%3CP%3E%E9%9B%BB%E6%BA%90%E9%81%B8%E6%8A%9E%E3%82%B8%E3%83%A3%E3%83%B3%E3%83%91%E3%83%BC%EF%BC%9A%3C%2FP%3E%0A%3CUL%3E%0A%3CLI%3E1-2%20%E3%82%B7%E3%83%A7%E3%83%BC%E3%83%88%EF%BC%88%E3%83%87%E3%83%95%E3%82%A9%E3%83%AB%E3%83%88%E8%A8%AD%E5%AE%9A%EF%BC%89%EF%BC%9A%E3%81%93%E3%81%AE%E8%A8%AD%E5%AE%9A%E3%82%92%E4%BD%BF%E7%94%A8%E3%81%97%E3%81%A6%E3%80%81%E3%82%BF%E3%83%BC%E3%82%B2%E3%83%83%E3%83%88MCU%E3%82%92DCDC%E3%83%A2%E3%83%BC%E3%83%89%E3%81%AB%E8%A8%AD%E5%AE%9A%E3%81%97%E3%81%BE%E3%81%99%E3%80%82%3C%2FLI%3E%0A%3CLI%3E3-4%20%E3%82%B7%E3%83%A7%E3%83%BC%E3%83%88%EF%BC%9A%E3%81%93%E3%81%AE%E8%A8%AD%E5%AE%9A%E3%82%92%E4%BD%BF%E7%94%A8%E3%81%97%E3%81%A6%E3%80%81%E3%82%BF%E3%83%BC%E3%82%B2%E3%83%83%E3%83%88MCU%E3%82%92LDO%2F%E3%83%90%E3%82%A4%E3%83%91%E3%82%B9%E3%83%A2%E3%83%BC%E3%83%89%E3%81%AB%E8%A8%AD%E5%AE%9A%E3%81%97%E3%81%BE%E3%81%99%E3%80%82%E3%81%99%E3%81%B9%E3%81%A6%E3%81%AEMCU%E9%9B%BB%E6%BA%90%E3%83%89%E3%83%A1%E3%82%A4%E3%83%B3%E3%81%AFP3V3_DUT%E3%81%8B%E3%82%89%E4%BE%9B%E7%B5%A6%E3%81%95%E3%82%8C%E3%81%A6%E3%81%84%E3%81%BE%E3%81%99%E3%80%82%3C%2FLI%3E%0A%3C%2FUL%3E%0A%3C%2FTD%3E%0A%3C%2FTR%3E%0A%3CTR%3E%0A%3CTD%20width%3D%22126%22%3E%0A%3CP%3EJP4%3C%2FP%3E%0A%3C%2FTD%3E%0A%3CTD%20width%3D%22144%22%3E%0A%3CP%3E1x2%E3%83%94%E3%83%B3%E3%83%98%E3%83%83%E3%83%80%3C%2FP%3E%0A%3C%2FTD%3E%0A%3CTD%20width%3D%22336%22%3E%0A%3CP%3E%E3%82%BF%E3%83%BC%E3%82%B2%E3%83%83%E3%83%88MCU%E3%81%AE%E3%83%96%E3%83%BC%E3%83%88%E6%A7%8B%E6%88%90%E3%82%92%E6%9C%89%E5%8A%B9%E3%81%AB%E3%81%99%E3%82%8B%E3%82%B8%E3%83%A3%E3%83%B3%E3%83%91%EF%BC%9A%3C%2FP%3E%0A%3CP%3E%3CSTRONG%3E%E2%80%A2%20%3C%2FSTRONG%3E%E3%82%AA%E3%83%BC%E3%83%97%E3%83%B3%EF%BC%88%E3%83%87%E3%83%95%E3%82%A9%E3%83%AB%E3%83%88%E8%A8%AD%E5%AE%9A%EF%BC%89%EF%BC%9AISP%E3%83%A2%E3%83%BC%E3%83%89%E3%81%AF%E7%84%A1%E5%8A%B9%E3%81%A7%E3%81%99%3C%2FP%3E%0A%3CP%3E%3CSTRONG%3E%E2%80%A2%20%3C%2FSTRONG%3E%E3%82%B7%E3%83%A7%E3%83%BC%E3%83%88%EF%BC%9AISP%E3%83%A2%E3%83%BC%E3%83%89%E3%81%8C%E6%9C%89%E5%8A%B9%3C%2FP%3E%0A%3C%2FTD%3E%0A%3C%2FTR%3E%0A%3C%2FTBODY%3E%0A%3C%2FTABLE%3E%0A%3CH1%20class%3D%22lia-align-justify%22%20id%3D%22toc-hId-1951778746%22%20style%3D%22text-align%20%3A%20justify%3B%22%20id%3D%22toc-hId-1979717929%22%20style%3D%22text-align%20%3A%20justify%3B%22%3E%3CFONT%20size%3D%225%22%3E%E3%83%97%E3%83%83%E3%82%B7%E3%83%A5%E3%83%9C%E3%82%BF%E3%83%B3%EF%BC%88KW47-M2%EF%BC%89%3C%2FFONT%3E%3C%2FH1%3E%0A%3CTABLE%20class%3D%22%20lia-align-justify%22%20width%3D%22606%22%20style%3D%22text-align%20%3A%20justify%3B%22%20style%3D%22text-align%20%3A%20justify%3B%22%3E%0A%3CTBODY%3E%0A%3CTR%3E%0A%3CTD%20width%3D%22126%22%20class%3D%22lia-align-center%22%20style%3D%22text-align%3A%20center%3B%22%20style%3D%22text-align%3A%20center%3B%22%3E%0A%3CP%3E%3CSTRONG%3E%E9%83%A8%E5%93%81%E8%AD%98%E5%88%A5%E5%AD%90%3C%2FSTRONG%3E%3C%2FP%3E%0A%3C%2FTD%3E%0A%3CTD%20width%3D%22144%22%20class%3D%22lia-align-center%22%20style%3D%22text-align%3A%20center%3B%22%20style%3D%22text-align%3A%20center%3B%22%3E%0A%3CP%3E%3CSTRONG%3E%E3%82%B9%E3%82%A4%E3%83%83%E3%83%81%E5%90%8D%3C%2FSTRONG%3E%3C%2FP%3E%0A%3C%2FTD%3E%0A%3CTD%20width%3D%22336%22%20class%3D%22lia-align-center%22%20style%3D%22text-align%3A%20center%3B%22%20style%3D%22text-align%3A%20center%3B%22%3E%0A%3CP%3E%3CSTRONG%3E%E8%AA%AC%E6%98%8E%3C%2FSTRONG%3E%3C%2FP%3E%0A%3C%2FTD%3E%0A%3C%2FTR%3E%0A%3CTR%3E%0A%3CTD%20width%3D%22126%22%3E%0A%3CP%3ESW1%3C%2FP%3E%0A%3C%2FTD%3E%0A%3CTD%20width%3D%22144%22%3E%0A%3CP%3E%E3%83%AA%E3%82%BB%E3%83%83%E3%83%88%E3%83%9C%E3%82%BF%E3%83%B3%3C%2FP%3E%0A%3C%2FTD%3E%0A%3CTD%20width%3D%22336%22%3E%0A%3CP%3E%E3%82%BF%E3%83%BC%E3%82%B2%E3%83%83%E3%83%88MCU%E3%82%92%E3%83%AA%E3%82%BB%E3%83%83%E3%83%88%E3%81%97%E3%81%BE%E3%81%99%E3%80%82%E3%81%93%E3%82%8C%E3%81%AB%E3%82%88%E3%82%8A%E3%83%9A%E3%83%AA%E3%83%95%E3%82%A7%E3%83%A9%E3%83%AB%E3%81%AF%E3%83%87%E3%83%95%E3%82%A9%E3%83%AB%E3%83%88%E7%8A%B6%E6%85%8B%E3%81%AB%E3%83%AA%E3%82%BB%E3%83%83%E3%83%88%E3%81%95%E3%82%8C%E3%81%BE%E3%81%99%E3%80%82%E3%81%9D%E3%81%AE%E5%BE%8C%E3%80%81MCU%20ROM%E3%83%96%E3%83%BC%E3%83%88%E3%83%AD%E3%83%BC%E3%83%80%E3%83%BC%E3%81%8C%E5%AE%9F%E8%A1%8C%E3%81%95%E3%82%8C%E3%81%BE%E3%81%99%E3%80%82SW1%E3%82%92%E6%8A%BC%E3%81%99%E3%81%A8LED%20D1%E3%81%8C%E7%82%B9%E7%81%AF%E3%81%97%E3%81%BE%E3%81%99%E3%80%82%3C%2FP%3E%0A%3C%2FTD%3E%0A%3C%2FTR%3E%0A%3CTR%3E%0A%3CTD%20width%3D%22126%22%3E%0A%3CP%3ESW2%3C%2FP%3E%0A%3C%2FTD%3E%0A%3CTD%20width%3D%22144%22%3E%0A%3CP%3E%E3%83%A6%E3%83%BC%E3%82%B6%E3%83%BCPB%3C%2FP%3E%0A%3C%2FTD%3E%0A%3CTD%20width%3D%22336%22%3E%0A%3CP%3E%E6%B1%8E%E7%94%A8%E5%85%A5%E5%8A%9B%E3%80%82%E3%81%93%E3%81%AE%E3%83%94%E3%83%B3%E3%81%AF%E3%82%A6%E3%82%A7%E3%82%A4%E3%82%AF%E3%82%A2%E3%83%83%E3%83%97%E3%83%A6%E3%83%8B%E3%83%83%E3%83%88%EF%BC%88WUU%EF%BC%89%E3%82%92%E9%80%9A%E3%81%98%E3%81%A6%E4%BD%8E%E6%B6%88%E8%B2%BB%E9%9B%BB%E5%8A%9B%E3%81%AE%E3%82%A6%E3%82%A7%E3%82%A4%E3%82%AF%E3%82%A2%E3%83%83%E3%83%97%E6%A9%9F%E8%83%BD%E3%82%92%E3%82%B5%E3%83%9D%E3%83%BC%E3%83%88%E3%81%97%E3%81%BE%E3%81%99%E3%80%82%3C%2FP%3E%0A%3C%2FTD%3E%0A%3C%2FTR%3E%0A%3C%2FTBODY%3E%0A%3C%2FTABLE%3E%0A%3CH1%20class%3D%22lia-align-justify%22%20id%3D%22toc-hId-144324283%22%20style%3D%22text-align%20%3A%20justify%3B%22%20id%3D%22toc-hId-172263466%22%20style%3D%22text-align%20%3A%20justify%3B%22%3E%3CFONT%20size%3D%225%22%3ELED%EF%BC%88KW47-M2%EF%BC%89%3C%2FFONT%3E%3C%2FH1%3E%0A%3CTABLE%20class%3D%22%20lia-align-justify%22%20width%3D%22606%22%20style%3D%22text-align%20%3A%20justify%3B%22%20style%3D%22text-align%20%3A%20justify%3B%22%3E%0A%3CTBODY%3E%0A%3CTR%3E%0A%3CTD%20width%3D%22126%22%20class%3D%22lia-align-center%22%20style%3D%22text-align%3A%20center%3B%22%20style%3D%22text-align%3A%20center%3B%22%3E%0A%3CP%3E%3CSTRONG%3E%E9%83%A8%E5%93%81%E8%AD%98%E5%88%A5%E5%AD%90%3C%2FSTRONG%3E%3C%2FP%3E%0A%3C%2FTD%3E%0A%3CTD%20width%3D%22144%22%20class%3D%22lia-align-center%22%20style%3D%22text-align%3A%20center%3B%22%20style%3D%22text-align%3A%20center%3B%22%3E%0A%3CP%3E%3CSTRONG%3E%E3%82%B9%E3%82%A4%E3%83%83%E3%83%81%E5%90%8D%3C%2FSTRONG%3E%3C%2FP%3E%0A%3C%2FTD%3E%0A%3CTD%20width%3D%22336%22%20class%3D%22lia-align-center%22%20style%3D%22text-align%3A%20center%3B%22%20style%3D%22text-align%3A%20center%3B%22%3E%0A%3CP%3E%3CSTRONG%3E%E8%AA%AC%E6%98%8E%3C%2FSTRONG%3E%3C%2FP%3E%0A%3C%2FTD%3E%0A%3C%2FTR%3E%0A%3CTR%3E%0A%3CTD%20width%3D%22126%22%3E%0A%3CP%3ED1%3C%2FP%3E%0A%3C%2FTD%3E%0A%3CTD%20width%3D%22144%22%3E%0A%3CP%3E%E3%83%AA%E3%82%BB%E3%83%83%E3%83%88LED%3C%2FP%3E%0A%3C%2FTD%3E%0A%3CTD%20width%3D%22336%22%3E%0A%3CP%3E%E3%82%B7%E3%82%B9%E3%83%86%E3%83%A0%E3%83%AA%E3%82%BB%E3%83%83%E3%83%88%E3%82%A4%E3%83%99%E3%83%B3%E3%83%88%E6%83%85%E5%A0%B1%E3%82%92%E7%A4%BA%E3%81%97%E3%81%BE%E3%81%99%E3%80%82SW1%E3%81%AE%E3%83%AA%E3%82%BB%E3%83%83%E3%83%88%E3%83%9C%E3%82%BF%E3%83%B3%E3%82%92%E6%8A%BC%E3%81%99%E3%81%AA%E3%81%A9%E3%81%97%E3%81%A6%E3%83%AA%E3%82%BB%E3%83%83%E3%83%88%E3%81%8C%E3%81%8B%E3%81%8B%E3%82%8B%E3%81%A8%E3%80%81D1%20LED%E3%81%8C%E7%82%B9%E7%81%AF%E3%81%97%E3%81%BE%E3%81%99%E3%80%82%3C%2FP%3E%0A%3C%2FTD%3E%0A%3C%2FTR%3E%0A%3CTR%3E%0A%3CTD%20width%3D%22126%22%3E%0A%3CP%3ED2%3C%2FP%3E%0A%3C%2FTD%3E%0A%3CTD%20width%3D%22144%22%3E%0A%3CP%3E%E7%B7%91%E8%89%B2LED%3C%2FP%3E%0A%3C%2FTD%3E%0A%3CTD%20width%3D%22336%22%3E%0A%3CP%3E%E3%82%B7%E3%82%B9%E3%83%86%E3%83%A0%E3%81%AE%E3%82%A2%E3%82%AF%E3%83%86%E3%82%A3%E3%83%93%E3%83%86%E3%82%A3%E3%82%92%E7%A4%BA%E3%81%99%E3%83%A6%E3%83%BC%E3%82%B6%E3%83%BC%E3%82%A4%E3%83%B3%E3%82%B8%E3%82%B1%E3%83%BC%E3%82%BF%3C%2FP%3E%0A%3C%2FTD%3E%0A%3C%2FTR%3E%0A%3C%2FTBODY%3E%0A%3C%2FTABLE%3E%0A%3CP%20class%3D%22lia-align-justify%22%20style%3D%22text-align%20%3A%20justify%3B%22%20style%3D%22text-align%20%3A%20justify%3B%22%3E%26nbsp%3B%3C%2FP%3E%0A%3CH1%20class%3D%22lia-align-justify%22%20id%3D%22toc-hId--1663130180%22%20style%3D%22text-align%20%3A%20justify%3B%22%20id%3D%22toc-hId--1635190997%22%20style%3D%22text-align%20%3A%20justify%3B%22%3E%3CFONT%20size%3D%225%22%3E%E9%9B%BB%E6%BA%90%E6%A7%8B%E6%88%90%EF%BC%88KW47-M2%EF%BC%89%3C%2FFONT%3E%3C%2FH1%3E%0A%3CUL%20class%3D%22lia-align-justify%22%20style%3D%22text-align%20%3A%20justify%3B%22%20style%3D%22text-align%20%3A%20justify%3B%22%3E%0A%3CLI%3EJ9%20PWR%E3%82%B3%E3%83%8D%E3%82%AF%E3%82%BF%E3%82%92%E5%8F%96%E3%82%8A%E4%BB%98%E3%81%91%E3%81%BE%E3%81%99%E3%80%82KW47%20M2%E3%82%92%E5%8D%98%E7%8B%AC%E3%81%A7%E7%A8%BC%E5%83%8D%E3%81%95%E3%81%9B%E3%82%8B%E3%81%AB%E3%81%AF%E3%80%81P3V3_DUT%E9%9B%BB%E6%BA%90%E3%83%AC%E3%83%BC%E3%83%AB%E3%81%AB3.3V%E3%82%92%E4%BE%9B%E7%B5%A6%E3%81%97%E3%81%A6%E3%81%8F%E3%81%A0%E3%81%95%E3%81%84%E3%80%82%3C%2FLI%3E%0A%3C%2FUL%3E%0A%3CSPAN%20class%3D%22lia-inline-image-display-wrapper%20lia-image-align-center%22%20image-alt%3D%22neidys_vargas_1-1753714061544.png%22%20style%3D%22width%3A%20400px%3B%22%3E%3Cspan%20class%3D%22lia-inline-image-display-wrapper%22%20image-alt%3D%22neidys_vargas_1-1753714061544.png%22%20style%3D%22width%3A%20250px%3B%22%3E%3Cimg%20src%3D%22https%3A%2F%2Fcommunity.nxp.com%2Ft5%2Fimage%2Fserverpage%2Fimage-id%2F349768i3CE9E5C76DB2C123%2Fimage-size%2Fmedium%3Fv%3Dv2%26amp%3Bpx%3D400%22%20role%3D%22button%22%20title%3D%22neidys_vargas_1-1753714061544.png%22%20alt%3D%22neidys_vargas_1-1753714061544.png%22%20%2F%3E%3C%2Fspan%3E%3C%2FSPAN%3E%0A%3CP%20class%3D%22lia-align-center%22%20style%3D%22text-align%3A%20center%3B%22%20style%3D%22text-align%3A%20center%3B%22%3E%3CEM%3E%E5%9B%B31%20J9%20M10%3C%2FEM%3E%3C%2FP%3E%0A%3CH1%20class%3D%22lia-align-justify%22%20id%3D%22toc-hId-824382653%22%20style%3D%22text-align%20%3A%20justify%3B%22%20id%3D%22toc-hId-852321836%22%20style%3D%22text-align%20%3A%20justify%3B%22%3E%3CFONT%20size%3D%225%22%3E%E6%A7%8B%E6%88%90%EF%BC%88KW47-M2%EF%BC%89%3C%2FFONT%3E%3CSPAN%3E%26nbsp%3B%26nbsp%3B%3C%2FSPAN%3E%3C%2FH1%3E%0A%3CP%3EKW47%20M2%E3%82%92%E8%B5%B7%E5%8B%95%E3%81%97%E3%81%A6%E5%8B%95%E4%BD%9C%E3%81%95%E3%81%9B%E3%82%8B%E3%81%AB%E3%81%AF%E3%80%81JP5%E3%82%B8%E3%83%A3%E3%83%B3%E3%83%91%E3%81%A7%E9%9B%BB%E6%BA%90%E6%A7%8B%E6%88%90%E3%82%92%E9%81%B8%E6%8A%9E%E3%81%99%E3%82%8B%E5%BF%85%E8%A6%81%E3%81%8C%E3%81%82%E3%82%8A%E3%81%BE%E3%81%99%E3%80%82KW47%E3%81%AE%E9%9B%BB%E6%BA%90%E6%A7%8B%E6%88%90%E3%81%AB%E3%81%A4%E3%81%84%E3%81%A6%E3%81%AF%E3%80%81RM%E3%82%92%E3%81%94%E5%8F%82%E7%85%A7%E3%81%8F%E3%81%A0%E3%81%95%E3%81%84%E3%80%82%3C%2FP%3E%0A%3CTABLE%20class%3D%22%20lia-align-justify%22%20width%3D%22606%22%20style%3D%22text-align%20%3A%20justify%3B%22%20style%3D%22text-align%20%3A%20justify%3B%22%3E%0A%3CTBODY%3E%0A%3CTR%3E%0A%3CTD%20width%3D%22126%22%20class%3D%22lia-align-center%22%20style%3D%22text-align%3A%20center%3B%22%20style%3D%22text-align%3A%20center%3B%22%3E%0A%3CP%3E%3CSTRONG%3E%E9%83%A8%E5%93%81%E8%AD%98%E5%88%A5%E5%AD%90%3C%2FSTRONG%3E%3C%2FP%3E%0A%3C%2FTD%3E%0A%3CTD%20width%3D%22144%22%20class%3D%22lia-align-center%22%20style%3D%22text-align%3A%20center%3B%22%20style%3D%22text-align%3A%20center%3B%22%3E%0A%3CP%3E%3CSTRONG%3E%E3%83%94%E3%83%B3%3C%2FSTRONG%3E%3C%2FP%3E%0A%3C%2FTD%3E%0A%3CTD%20width%3D%22336%22%20class%3D%22lia-align-center%22%20style%3D%22text-align%3A%20center%3B%22%20style%3D%22text-align%3A%20center%3B%22%3E%0A%3CP%3E%3CSTRONG%3E%E8%AA%AC%E6%98%8E%3C%2FSTRONG%3E%3C%2FP%3E%0A%3C%2FTD%3E%0A%3C%2FTR%3E%0A%3CTR%3E%0A%3CTD%20width%3D%22126%22%3E%0A%3CP%3EJP5%3C%2FP%3E%0A%3C%2FTD%3E%0A%3CTD%20width%3D%22144%22%3E%0A%3CP%3E1-2%3C%2FP%3E%0A%3C%2FTD%3E%0A%3CTD%20width%3D%22336%22%3E%0A%3CP%3E1-2%E3%82%B7%E3%83%A7%E3%83%BC%E3%83%88%EF%BC%88%E3%83%87%E3%83%95%E3%82%A9%E3%83%AB%E3%83%88%E8%A8%AD%E5%AE%9A%EF%BC%89%EF%BC%9A%E3%82%BF%E3%83%BC%E3%82%B2%E3%83%83%E3%83%88MCU%E3%82%92DCDC%E3%83%A2%E3%83%BC%E3%83%89%E3%81%AB%E8%A8%AD%E5%AE%9A%E3%81%97%E3%81%BE%E3%81%99%E3%80%82%E3%81%93%E3%81%AE%E3%83%A2%E3%83%BC%E3%83%89%E3%81%AF%E6%8E%A8%E5%A5%A8%E8%A8%AD%E5%AE%9A%E3%81%A7%E3%81%99%E3%80%82%3C%2FP%3E%0A%3C%2FTD%3E%0A%3C%2FTR%3E%0A%3CTR%3E%0A%3CTD%20width%3D%22126%22%3E%0A%3CP%3EJP5%3C%2FP%3E%0A%3C%2FTD%3E%0A%3CTD%20width%3D%22144%22%3E%0A%3CP%3E3%EF%BD%9E4%3C%2FP%3E%0A%3C%2FTD%3E%0A%3CTD%20width%3D%22336%22%3E%0A%3CP%3E3-4%E3%82%B7%E3%83%A7%E3%83%BC%E3%83%88%EF%BC%9A%E3%82%BF%E3%83%BC%E3%82%B2%E3%83%83%E3%83%88MCU%E3%82%92LDO%E3%83%A2%E3%83%BC%E3%83%89%E3%81%AB%E8%A8%AD%E5%AE%9A%E3%81%97%E3%81%BE%E3%81%99%E3%80%82%3C%2FP%3E%0A%3C%2FTD%3E%0A%3C%2FTR%3E%0A%3C%2FTBODY%3E%0A%3C%2FTABLE%3E%0A%3CP%20class%3D%22lia-align-justify%22%20style%3D%22text-align%20%3A%20justify%3B%22%20style%3D%22text-align%20%3A%20justify%3B%22%3E%26nbsp%3B%3C%2FP%3E%0A%3CP%20class%3D%22lia-align-justify%22%20style%3D%22text-align%20%3A%20justify%3B%22%20style%3D%22text-align%20%3A%20justify%3B%22%3E%26nbsp%3B%3C%2FP%3E%0A%3CH1%20class%3D%22lia-align-justify%22%20id%3D%22toc-hId--983071810%22%20style%3D%22text-align%20%3A%20justify%3B%22%20id%3D%22toc-hId--955132627%22%20style%3D%22text-align%20%3A%20justify%3B%22%3E%3CFONT%20size%3D%225%22%3E%E5%A4%96%E9%83%A8%E9%9B%BB%E6%BA%90%E6%A7%8B%E6%88%90%20(KW47-M2)%3C%2FFONT%3E%3C%2FH1%3E%0A%3CP%3EJ9%E3%82%B3%E3%83%8D%E3%82%AF%E3%82%BF%E3%81%8B%E3%82%89%E9%9B%BB%E6%BA%90%E3%82%92%E4%BE%9B%E7%B5%A6%E3%81%97%E3%81%A6KW47-M2%E3%82%92%E6%9C%89%E5%8A%B9%E3%81%AB%E3%81%99%E3%82%8B%EF%BC%9A%3C%2FP%3E%0A%3CP%3E%3CEM%3E%3CSTRONG%3E%E6%B3%A8%EF%BC%9A%3C%2FSTRONG%3EDCDC%E3%81%BE%E3%81%9F%E3%81%AFLDO%E3%83%A2%E3%83%BC%E3%83%89%E3%82%92%E4%BD%BF%E7%94%A8%E3%81%99%E3%82%8B%E5%A0%B4%E5%90%88%E3%81%AF%E3%80%81P3V3_DUT%E9%9B%BB%E6%BA%90%E3%83%AC%E3%83%BC%E3%83%AB%E3%81%AE%E3%81%BF%E3%81%AB%E4%BE%9B%E7%B5%A6%E3%81%99%E3%82%8B%E3%81%93%E3%81%A8%E3%82%92%E6%8E%A8%E5%A5%A8%E3%81%97%E3%81%BE%E3%81%99%E3%80%82%3C%2FEM%3E%3C%2FP%3E%0A%3CTABLE%20class%3D%22%20lia-align-justify%22%20width%3D%22606%22%20style%3D%22text-align%20%3A%20justify%3B%22%20style%3D%22text-align%20%3A%20justify%3B%22%3E%0A%3CTBODY%3E%0A%3CTR%3E%0A%3CTD%20width%3D%22126%22%20class%3D%22lia-align-center%22%20style%3D%22text-align%3A%20center%3B%22%20style%3D%22text-align%3A%20center%3B%22%3E%0A%3CP%3E%3CSTRONG%3E%E9%83%A8%E5%93%81%E8%AD%98%E5%88%A5%E5%AD%90%3C%2FSTRONG%3E%3C%2FP%3E%0A%3C%2FTD%3E%0A%3CTD%20width%3D%22144%22%20class%3D%22lia-align-center%22%20style%3D%22text-align%3A%20center%3B%22%20style%3D%22text-align%3A%20center%3B%22%3E%0A%3CP%3E%3CSTRONG%3E%E3%83%94%E3%83%B3%3C%2FSTRONG%3E%3C%2FP%3E%0A%3C%2FTD%3E%0A%3CTD%20width%3D%22336%22%20class%3D%22lia-align-center%22%20style%3D%22text-align%3A%20center%3B%22%20style%3D%22text-align%3A%20center%3B%22%3E%0A%3CP%3E%3CSTRONG%3E%E8%AA%AC%E6%98%8E%3C%2FSTRONG%3E%3C%2FP%3E%0A%3C%2FTD%3E%0A%3C%2FTR%3E%0A%3CTR%3E%0A%3CTD%20width%3D%22126%22%3E%0A%3CP%3EJ9%3C%2FP%3E%0A%3C%2FTD%3E%0A%3CTD%20width%3D%22144%22%3E%0A%3CP%3E5%3C%2FP%3E%0A%3C%2FTD%3E%0A%3CTD%20width%3D%22336%22%3E%0A%3CP%3E%E3%81%93%E3%81%AE%E3%83%94%E3%83%B3%E3%82%92%E4%BD%BF%E7%94%A8%E3%81%97%E3%81%A6%E3%80%81P3V3_DUT%E9%9B%BB%E6%BA%90%E3%83%AC%E3%83%BC%E3%83%AB%E3%81%AB3.3V%E3%82%92%E4%BE%9B%E7%B5%A6%E3%81%97%E3%81%A6%E3%81%8F%E3%81%A0%E3%81%95%E3%81%84%E3%80%82KW47-M2%E3%82%92%E7%A8%BC%E5%83%8D%E3%81%95%E3%81%9B%E3%82%8B%E3%81%AB%E3%81%AF%E3%80%81KW47%E3%82%92DCDC%E3%83%A2%E3%83%BC%E3%83%89%E3%81%AB%E8%A8%AD%E5%AE%9A%E3%81%97%E3%80%81P3V3_DUT%E3%81%AE%E3%81%BF%E3%82%92%E4%BE%9B%E7%B5%A6%E3%81%99%E3%82%8B%E3%81%93%E3%81%A8%E3%82%92%E3%81%8A%E5%8B%A7%E3%82%81%E3%81%97%E3%81%BE%E3%81%99%E3%80%82%3C%2FP%3E%0A%3C%2FTD%3E%0A%3C%2FTR%3E%0A%3CTR%3E%0A%3CTD%20width%3D%22126%22%3E%0A%3CP%3EJ9%3C%2FP%3E%0A%3C%2FTD%3E%0A%3CTD%20width%3D%22144%22%3E%0A%3CP%3E3%3C%2FP%3E%0A%3C%2FTD%3E%0A%3CTD%20width%3D%22336%22%3E%0A%3CP%3E%E3%81%93%E3%81%AE%E3%83%94%E3%83%B3%E3%82%92%E4%BD%BF%E7%94%A8%E3%81%97%E3%81%A6%E3%80%81P1V8_LDO%E9%9B%BB%E6%BA%90%E3%83%AC%E3%83%BC%E3%83%AB%E3%81%AB1.8V%E3%82%92%E4%BE%9B%E7%B5%A6%E3%81%97%E3%81%A6%E3%81%8F%E3%81%A0%E3%81%95%E3%81%84%E3%80%82%E3%81%93%E3%81%AE%E9%9B%BB%E6%BA%90%E3%83%AC%E3%83%BC%E3%83%AB%E3%81%AFVDD_RF%E3%83%91%E3%83%AF%E3%83%BC%E3%83%89%E3%83%A1%E3%82%A4%E3%83%B3%E3%81%AE%E6%AD%A3%E7%A2%BA%E3%81%AA%E5%88%B6%E5%BE%A1%E3%82%92%E7%9B%AE%E7%9A%84%E3%81%A8%E3%81%97%E3%81%A6%E3%81%84%E3%81%BE%E3%81%99%E3%81%8C%E3%80%81%E5%BF%85%E9%A0%88%E3%81%A7%E3%81%AF%E3%81%82%E3%82%8A%E3%81%BE%E3%81%9B%E3%82%93%E3%80%82%3C%2FP%3E%0A%3C%2FTD%3E%0A%3C%2FTR%3E%0A%3CTR%3E%0A%3CTD%20width%3D%22126%22%3E%0A%3CP%3EJ9%3C%2FP%3E%0A%3C%2FTD%3E%0A%3CTD%20width%3D%22144%22%3E%0A%3CP%3E1%3C%2FP%3E%0A%3C%2FTD%3E%0A%3CTD%20width%3D%22336%22%3E%0A%3CP%3E%E3%81%93%E3%81%AE%E3%83%94%E3%83%B3%E3%82%92%E4%BD%BF%E7%94%A8%E3%81%97%E3%81%A6%E3%80%81P1V1_EXT%E9%9B%BB%E6%BA%90%E3%83%AC%E3%83%BC%E3%83%AB%E3%81%AB1.1V%E3%82%92%E4%BE%9B%E7%B5%A6%E3%81%97%E3%81%A6%E3%81%8F%E3%81%A0%E3%81%95%E3%81%84%E3%80%82%E3%81%93%E3%81%AE%E3%83%91%E3%83%AF%E3%83%BC%E3%83%AC%E3%83%BC%E3%83%AB%E3%81%AFVDD_CORE%E3%83%91%E3%83%AF%E3%83%BC%E3%83%89%E3%83%A1%E3%82%A4%E3%83%B3%E3%81%AE%E6%AD%A3%E7%A2%BA%E3%81%AA%E5%88%B6%E5%BE%A1%E3%82%92%E7%9B%AE%E7%9A%84%E3%81%A8%E3%81%97%E3%81%A6%E3%81%84%E3%81%BE%E3%81%99%E3%81%8C%E3%80%81%E5%BF%85%E9%A0%88%E3%81%A7%E3%81%AF%E3%81%82%E3%82%8A%E3%81%BE%E3%81%9B%E3%82%93%E3%80%82%3C%2FP%3E%0A%3C%2FTD%3E%0A%3C%2FTR%3E%0A%3C%2FTBODY%3E%0A%3C%2FTABLE%3E%0A%3CP%20class%3D%22lia-align-justify%22%20style%3D%22text-align%20%3A%20justify%3B%22%20style%3D%22text-align%20%3A%20justify%3B%22%3E%26nbsp%3B%3C%2FP%3E%0A%3CSPAN%20class%3D%22lia-inline-image-display-wrapper%20lia-image-align-center%22%20image-alt%3D%22neidys_vargas_2-1753714061554.png%22%20style%3D%22width%3A%20400px%3B%22%3E%3Cspan%20class%3D%22lia-inline-image-display-wrapper%22%20image-alt%3D%22neidys_vargas_2-1753714061554.png%22%20style%3D%22width%3A%20400px%3B%22%3E%3Cimg%20src%3D%22https%3A%2F%2Fcommunity.nxp.com%2Ft5%2Fimage%2Fserverpage%2Fimage-id%2F349769iC5DFFE7DC32540F6%2Fimage-size%2Fmedium%3Fv%3Dv2%26amp%3Bpx%3D400%22%20role%3D%22button%22%20title%3D%22neidys_vargas_2-1753714061554.png%22%20alt%3D%22neidys_vargas_2-1753714061554.png%22%20%2F%3E%3C%2Fspan%3E%3C%2FSPAN%3E%0A%3CP%20class%3D%22lia-align-justify%22%20style%3D%22text-align%20%3A%20justify%3B%22%20style%3D%22text-align%20%3A%20justify%3B%22%3E%26nbsp%3B%3C%2FP%3E%0A%3CH2%20class%3D%22lia-align-justify%22%20id%3D%22toc-hId--292510336%22%20style%3D%22text-align%20%3A%20justify%3B%22%20id%3D%22toc-hId--264571153%22%20style%3D%22text-align%20%3A%20justify%3B%22%3E%3CFONT%20size%3D%225%22%3E%3CSTRONG%3EKW47-M2%E3%83%9C%E3%83%BC%E3%83%89%E3%81%A7NBU%E3%82%92%E3%83%97%E3%83%AD%E3%82%B0%E3%83%A9%E3%83%9F%E3%83%B3%E3%82%B0%E3%81%99%E3%82%8B%3C%2FSTRONG%3E%3C%2FFONT%3E%3C%2FH2%3E%0A%3CP%20class%3D%22lia-align-justify%22%20style%3D%22text-align%20%3A%20justify%3B%22%20style%3D%22text-align%20%3A%20justify%3B%22%3E%E6%AC%A1%E3%81%AE%E6%89%8B%E9%A0%86%E3%81%AB%E5%BE%93%E3%81%A3%E3%81%A6%E3%80%81KW47-M2%E7%94%A8%E3%81%AENBU%E3%82%BD%E3%83%95%E3%83%88%E3%82%A6%E3%82%A7%E3%82%A2%E3%82%92%E3%83%97%E3%83%AD%E3%82%B0%E3%83%A9%E3%83%A0%E3%81%97%E3%81%BE%E3%81%99%E3%80%82%3C%2FP%3E%0A%3COL%20class%3D%22lia-align-justify%22%20style%3D%22text-align%20%3A%20justify%3B%22%20style%3D%22text-align%20%3A%20justify%3B%22%3E%0A%3CLI%3E%E3%83%A2%E3%82%B8%E3%83%A5%E3%83%BC%E3%83%AB%E3%83%9C%E3%83%BC%E3%83%89%E4%B8%8A%E3%81%AE%E3%83%AA%E3%82%BB%E3%83%83%E3%83%88%E3%83%9C%E3%82%BF%E3%83%B3%EF%BC%88SW%EF%BC%89%E3%82%92%E6%8A%BC%E3%81%97%E3%81%AA%E3%81%8C%E3%82%89%E3%80%81JP4%E3%83%98%E3%83%83%E3%83%80%E3%83%BC%E3%81%AB%E3%82%B8%E3%83%A3%E3%83%B3%E3%83%91%E3%83%BC%E3%82%92%E7%BD%AE%E3%81%8D%E3%81%BE%E3%81%99%E3%80%82%E6%AC%A1%E3%81%AB%E3%80%81USB%E3%82%B1%E3%83%BC%E3%83%96%E3%83%AB%E3%82%92J8%E3%82%B3%E3%83%8D%E3%82%AF%E3%82%BF%EF%BC%88USB%E3%82%B7%E3%83%AA%E3%82%A2%E3%83%AB%E3%83%96%E3%83%AA%E3%83%83%E3%82%B8%EF%BC%89%E3%81%AB%E6%8E%A5%E7%B6%9A%E3%81%97%E3%80%81%E3%82%B3%E3%83%B3%E3%83%94%E3%83%A5%E3%83%BC%E3%82%BF%E3%81%AB%E5%B7%AE%E3%81%97%E8%BE%BC%E3%81%BF%E3%81%BE%E3%81%99%E3%80%82USB%E3%82%B1%E3%83%BC%E3%83%96%E3%83%AB%E3%81%8C%E3%82%B3%E3%83%8D%E3%82%AF%E3%83%86%E3%83%83%E3%83%89%E3%81%97%E3%81%9F%E3%82%89%E3%80%81%E3%83%AA%E3%82%BB%E3%83%83%E3%83%88%E3%83%9C%E3%82%BF%E3%83%B3%E3%82%92%E9%9B%A2%E3%81%97%E3%81%BE%E3%81%99%E3%80%82%3C%2FLI%3E%0A%3C%2FOL%3E%0A%3CSPAN%20class%3D%22lia-inline-image-display-wrapper%20lia-image-align-center%22%20image-alt%3D%22neidys_vargas_6-1753714061702.png%22%20style%3D%22width%3A%20400px%3B%22%3E%3Cspan%20class%3D%22lia-inline-image-display-wrapper%22%20image-alt%3D%22neidys_vargas_6-1753714061702.png%22%20style%3D%22width%3A%20400px%3B%22%3E%3Cimg%20src%3D%22https%3A%2F%2Fcommunity.nxp.com%2Ft5%2Fimage%2Fserverpage%2Fimage-id%2F349774i66393009ED6CE1D8%2Fimage-size%2Fmedium%3Fv%3Dv2%26amp%3Bpx%3D400%22%20role%3D%22button%22%20title%3D%22neidys_vargas_6-1753714061702.png%22%20alt%3D%22neidys_vargas_6-1753714061702.png%22%20%2F%3E%3C%2Fspan%3E%3C%2FSPAN%3E%0A%3CP%20class%3D%22lia-align-justify%22%20style%3D%22text-align%20%3A%20justify%3B%22%20style%3D%22text-align%20%3A%20justify%3B%22%3E%26nbsp%3B%3C%2FP%3E%0A%3COL%20class%3D%22lia-align-justify%22%20start%3D%222%22%20style%3D%22text-align%20%3A%20justify%3B%22%20style%3D%22text-align%20%3A%20justify%3B%22%3E%0A%3CLI%3EKW47-M2%E3%83%9C%E3%83%BC%E3%83%89%E3%81%AB%E5%89%B2%E3%82%8A%E5%BD%93%E3%81%A6%E3%82%89%E3%82%8C%E3%81%9FCOM%E3%83%9D%E3%83%BC%E3%83%88%E3%82%92%E7%A2%BA%E8%AA%8D%E3%81%97%E3%81%BE%E3%81%99%E3%80%82Windows%E3%81%AE%E3%80%8C%E3%83%87%E3%83%90%E3%82%A4%E3%82%B9%E3%83%9E%E3%83%8D%E3%83%BC%E3%82%B8%E3%83%A3%E3%83%BC%E3%80%8D%E3%83%97%E3%83%AD%E3%82%B0%E3%83%A9%E3%83%A0%E3%81%A7%E5%89%B2%E3%82%8A%E5%BD%93%E3%81%A6%E3%82%89%E3%82%8C%E3%81%9FCOM%E3%83%9D%E3%83%BC%E3%83%88%E3%82%92%E7%A2%BA%E8%AA%8D%E3%81%A7%E3%81%8D%E3%81%BE%E3%81%99%E3%80%82%E3%80%8CPorts%20(COM%20%26amp%3B%20LPT)%E3%80%8D%E3%82%92%E6%A4%9C%E7%B4%A2%E3%81%97%E3%81%A6%E3%80%81COM%E3%83%9D%E3%83%BC%E3%83%88%E7%95%AA%E5%8F%B7%E3%82%92%E4%BF%9D%E5%AD%98%E3%81%97%E3%81%BE%E3%81%99%E3%80%82%E3%81%93%E3%81%AE%E4%BE%8B%E3%81%A7%E3%81%AF%E3%80%81%E5%89%B2%E3%82%8A%E5%BD%93%E3%81%A6%E3%82%89%E3%82%8C%E3%81%9FCOM%E3%83%9D%E3%83%BC%E3%83%88%E3%81%AF%E3%80%8CCOM19%E3%80%8D%E3%81%A7%E3%81%99%E3%80%82%3C%2FLI%3E%0A%3C%2FOL%3E%0A%3CSPAN%20class%3D%22lia-inline-image-display-wrapper%20lia-image-align-center%22%20image-alt%3D%22neidys_vargas_7-1753714061704.png%22%20style%3D%22width%3A%20400px%3B%22%3E%3Cspan%20class%3D%22lia-inline-image-display-wrapper%22%20image-alt%3D%22neidys_vargas_7-1753714061704.png%22%20style%3D%22width%3A%20400px%3B%22%3E%3Cimg%20src%3D%22https%3A%2F%2Fcommunity.nxp.com%2Ft5%2Fimage%2Fserverpage%2Fimage-id%2F349775iF978C69F18D970D5%2Fimage-size%2Fmedium%3Fv%3Dv2%26amp%3Bpx%3D400%22%20role%3D%22button%22%20title%3D%22neidys_vargas_7-1753714061704.png%22%20alt%3D%22neidys_vargas_7-1753714061704.png%22%20%2F%3E%3C%2Fspan%3E%3C%2FSPAN%3E%0A%3CP%20class%3D%22lia-align-justify%22%20style%3D%22text-align%20%3A%20justify%3B%22%20style%3D%22text-align%20%3A%20justify%3B%22%3E%26nbsp%3B%3C%2FP%3E%0A%3COL%20class%3D%22lia-align-justify%22%20start%3D%223%22%20style%3D%22text-align%20%3A%20justify%3B%22%20style%3D%22text-align%20%3A%20justify%3B%22%3E%0A%3CLI%3E%E3%83%91%E3%82%BD%E3%82%B3%E3%83%B3%E3%81%AEMCU-Link%E3%82%A4%E3%83%B3%E3%82%B9%E3%83%88%E3%83%BC%E3%83%AB%E3%83%95%E3%82%A9%E3%83%AB%E3%83%80%E3%81%AB%E7%A7%BB%E5%8B%95%E3%81%97%E3%81%BE%E3%81%99%E3%80%82%E3%83%87%E3%83%95%E3%82%A9%E3%83%AB%E3%83%88%E3%81%AE%E3%82%A4%E3%83%B3%E3%82%B9%E3%83%88%E3%83%BC%E3%83%AB%E3%83%91%E3%82%B9%E3%81%AF%E3%80%8CC%3A%5Cnxp%5CLinkServer_25.3.31%5CMCU-LINK_installer%E3%80%8D%E3%81%AB%E3%81%82%E3%82%8A%E3%81%BE%E3%81%99%E3%80%82%3C%2FLI%3E%0A%3CLI%3E%3CSPAN%3E%E3%80%8Cbin%E3%80%8D%E3%83%95%E3%82%A9%E3%83%AB%E3%83%80%E3%82%92%E6%8E%A2%E3%81%97%E3%81%A6%E9%96%8B%E3%81%8D%E3%81%BE%E3%81%99%E3%80%82Windows%E3%81%AE%E3%82%B3%E3%83%9E%E3%83%B3%E3%83%89%E3%83%97%E3%83%AD%E3%83%B3%E3%83%97%E3%83%88%E3%81%A7%E3%80%8Cblhost%E3%80%8D%E3%81%A8%E3%81%84%E3%81%86%E3%82%B9%E3%82%AF%E3%83%AA%E3%83%97%E3%83%88%E3%82%92%E5%AE%9F%E8%A1%8C%E3%81%97%E3%81%BE%E3%81%99%E3%80%82%3C%2FSPAN%3E%3C%2FLI%3E%0A%3C%2FOL%3E%0A%3CSPAN%20class%3D%22lia-inline-image-display-wrapper%20lia-image-align-center%22%20image-alt%3D%22neidys_vargas_8-1753714061713.png%22%20style%3D%22width%3A%20400px%3B%22%3E%3Cspan%20class%3D%22lia-inline-image-display-wrapper%22%20image-alt%3D%22neidys_vargas_8-1753714061713.png%22%20style%3D%22width%3A%20400px%3B%22%3E%3Cimg%20src%3D%22https%3A%2F%2Fcommunity.nxp.com%2Ft5%2Fimage%2Fserverpage%2Fimage-id%2F349776iCDF67C47666584D2%2Fimage-size%2Fmedium%3Fv%3Dv2%26amp%3Bpx%3D400%22%20role%3D%22button%22%20title%3D%22neidys_vargas_8-1753714061713.png%22%20alt%3D%22neidys_vargas_8-1753714061713.png%22%20%2F%3E%3C%2Fspan%3E%3C%2FSPAN%3E%0A%3CP%20class%3D%22lia-align-justify%22%20style%3D%22text-align%20%3A%20justify%3B%22%20style%3D%22text-align%20%3A%20justify%3B%22%3E%26nbsp%3B%3C%2FP%3E%0A%3CP%20class%3D%22lia-align-justify%22%20style%3D%22text-align%20%3A%20justify%3B%22%20style%3D%22text-align%20%3A%20justify%3B%22%3E%E3%80%8C%3CFONT%20face%3D%22courier%20new%2Ccourier%22%3Eblhost.exe%20-p%20COMX%20write-memory%200x48800000%3C%2FFONT%3E%E3%80%8D%E3%81%A8%E5%85%A5%E5%8A%9B%E3%81%97%E3%80%81NBU%E3%83%90%E3%82%A4%E3%83%8A%E3%83%AA%E3%83%95%E3%82%A1%E3%82%A4%E3%83%AB%E3%82%92%E3%83%89%E3%83%A9%E3%83%83%E3%82%B0%E3%82%A2%E3%83%B3%E3%83%89%E3%83%89%E3%83%AD%E3%83%83%E3%83%97%E3%81%97%E3%81%BE%E3%81%99%E3%80%82%E3%83%97%E3%83%AD%E3%82%BB%E3%82%B9%E3%81%AE%E6%BA%96%E5%82%99%E3%81%8C%E6%95%B4%E3%81%86%E3%81%A8%E3%80%81%E5%BF%9C%E7%AD%94%E3%82%B9%E3%83%86%E3%83%BC%E3%82%BF%E3%82%B9%E3%81%AE%E3%80%8Csuccess%E3%80%8D%E3%81%8C%E8%A1%A8%E7%A4%BA%E3%81%95%E3%82%8C%E3%81%BE%E3%81%99%E3%80%82%3C%2FP%3E%0A%3CSPAN%20class%3D%22lia-inline-image-display-wrapper%20lia-image-align-center%22%20image-alt%3D%22neidys_vargas_9-1753714061729.png%22%20style%3D%22width%3A%20400px%3B%22%3E%3Cspan%20class%3D%22lia-inline-image-display-wrapper%22%20image-alt%3D%22neidys_vargas_9-1753714061729.png%22%20style%3D%22width%3A%20400px%3B%22%3E%3Cimg%20src%3D%22https%3A%2F%2Fcommunity.nxp.com%2Ft5%2Fimage%2Fserverpage%2Fimage-id%2F349777i367B8365B4BE0CC7%2Fimage-size%2Fmedium%3Fv%3Dv2%26amp%3Bpx%3D400%22%20role%3D%22button%22%20title%3D%22neidys_vargas_9-1753714061729.png%22%20alt%3D%22neidys_vargas_9-1753714061729.png%22%20%2F%3E%3C%2Fspan%3E%3C%2FSPAN%3E%0A%3CP%20class%3D%22lia-align-justify%22%20style%3D%22text-align%20%3A%20justify%3B%22%20style%3D%22text-align%20%3A%20justify%3B%22%3E%26nbsp%3B%3C%2FP%3E%0A%3C%2FLINGO-BODY%3E%3CLINGO-LABS%20id%3D%22lingo-labs-2141852%22%20slang%3D%22en-US%22%20mode%3D%22CREATE%22%3E%3CLINGO-LABEL%3EFRDM-RW612%3C%2FLINGO-LABEL%3E%3C%2FLINGO-LABS%3E
評価なし
バージョン履歴
最終更新日:
‎10-21-2025 01:06 PM
更新者: