Recommended land pattern for MPX4250AP.

cancel
Showing results for 
Show  only  | Search instead for 
Did you mean: 

Recommended land pattern for MPX4250AP.

1,285 Views
marvinbatalla
Contributor I

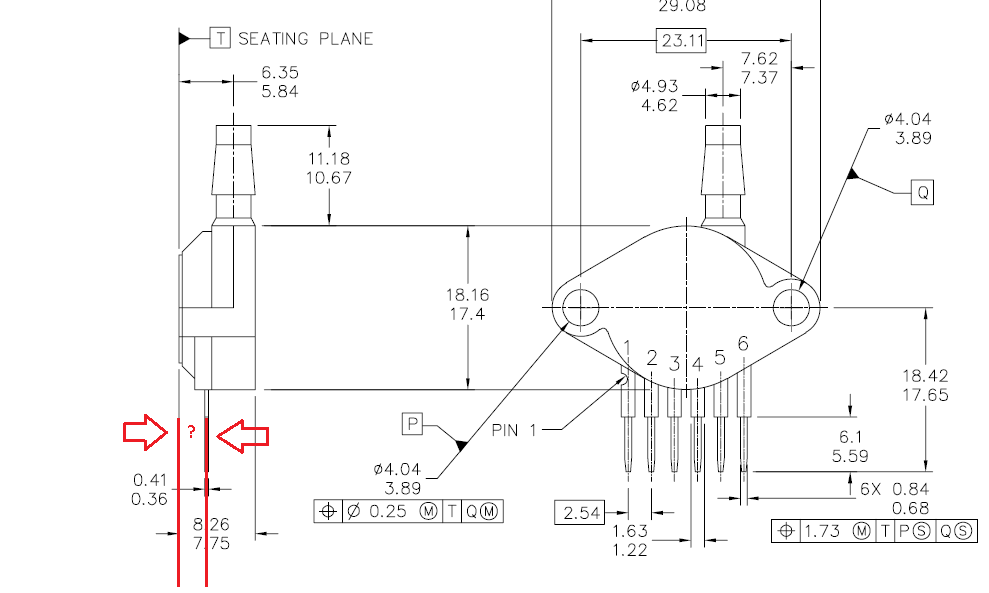
Please provide recommended land pattern for MPX4250AP. Your datasheet has incomplete dimensions. I need the resolution and updated datasheet soon. MPX4250AP-1.png

Labels (1)
Tags (1)
0 Kudos
Reply
3 Replies

1,107 Views
david_diaz
NXP Employee
NXP Employee

Hello Marvin,

In this case, it is the part of UNIBODY package from here​.

unibody.jpg

The information that you requested would be obtained as follow (using the max values in mm):

‘C’ - ‘S’ – ‘J’ = 5.59 - 2.66 - 0.40 = 2.53 mm

I hope this information will be useful for you.

If I misunderstood your question, feel free to let me know.  I will be glad to help.

Have a great day.

David Diaz.

Note: If this post answers your question, please click the Correct Answer button. Thank you!

0 Kudos
Reply

1,107 Views
marvinbatalla
Contributor I

Hi, David. You're pertaining to 867-08(page 8 of the datasheet) and not 867B-04 (page 9 of datasheet). If you confirm that they are the same then your answer is correct. Otherwise, please provide updated datasheet with the missing dimension. -Marvin

0 Kudos
Reply

1,107 Views
david_diaz
NXP Employee
NXP Employee

Hello Marvin,

My apologies for the delay.

Indeed, the information mentioned before is useful for you.

In this case, the port adapter is the difference between the dimensions.

gauge_port.jpg

I hope this information will be useful for you.

If I misunderstood your question, feel free to let me know.  I will be glad to help.

Have a great day.

David Diaz.

Note: If this post answers your question, please click the Correct Answer button. Thank you!

0 Kudos
Reply