s32k312 clock error

キャンセル
次の結果を表示 
表示  限定  | 次の代わりに検索 
もしかして: 

s32k312 clock error

517件の閲覧回数
LEEYM
Contributor III

Hello.
I wonder why BusFault keeps happening when I use only the clock init function in my project. If I don't use that function, it works fine, but it doesn't work when I use that function. I don't have a clue whether I need to set the clock or what I need to do

 

Connection from "127.0.0.1" via 127.0.0.1. Connection from port "50865" to 6224 Connection from "127.0.0.1" via 127.0.0.1. Connection from port "50869" to 7224 Telnet server running on 127.0.0.1:51794 Requesting next symbol pxCurrentTCB Symbol pxCurrentTCB not found. Requesting next symbol pxReadyTasksLists Symbol pxReadyTasksLists not found. Requesting next symbol xDelayedTaskList1 Symbol xDelayedTaskList1 not found. Requesting next symbol xDelayedTaskList2 Symbol xDelayedTaskList2 not found. Requesting next symbol xPendingReadyList Symbol xPendingReadyList not found. Requesting next symbol uxCurrentNumberOfTasks Symbol uxCurrentNumberOfTasks not found. Requesting next symbol uxDeletedTasksWaitingCleanUp Symbol uxDeletedTasksWaitingCleanUp not found. Requesting next symbol xSuspendedTaskList Symbol xSuspendedTaskList not found. Requesting next symbol xSchedulerRunning Symbol xSchedulerRunning not found. Requesting next symbol FreeRTOSDebugConfig Symbol FreeRTOSDebugConfig not found. Requesting next symbol _tx_thread_current_ptr Symbol _tx_thread_current_ptr not found. Requesting next symbol _tx_thread_created_ptr Symbol _tx_thread_created_ptr not found. Requesting next symbol _tx_thread_created_count Symbol _tx_thread_created_count not found. Requesting next symbol _tx_thread_system_state Symbol _tx_thread_system_state not found. Copyright 2025 P&E Microcomputer Systems,Inc. Command Line :C:\NXP\S32DS.3.6.2\eclipse\plugins\com.pemicro.debug.gdbjtag.pne_6.0.3.202506131845\win32\pegdbserver_console -device=NXP_S32K3xx_S32K312 -startserver -singlesession -serverport=7224 -gdbmiport=6224 -interface=USBMULTILINK -speed=5000 -port� PEmicro Interface detected - Flash Version 11.52 CMD>RE Initializing. INFO: DAP IDCODE = 0x6BA02477 INFO: DAP successfully powered up. DP CTRL/STAT = 0xF0000000 Target has been RESET and is active. CMD>CM C:\NXP\S32DS.3.6.2\eclipse\plugins\com.pemicro.debug.gdbjtag.pne_6.0.3.202506131845\supportFiles_ARM\NXP\S32K3xx\nxp_s32k312_1x32x500k_hse_disabled.arp Initializing. INFO: DAP IDCODE = 0x6BA02477 INFO: DAP successfully powered up. DP CTRL/STAT = 0xF0000000 Initialized. ;version 1.04, 11/05/2024, Copyright 2024 P&E Microcomputer Systems, www.pemicro.com [S32K3x2_hse_disabled] ;device nxp, s32k312, 1x32x500k,desc=hse_disabled ;begin_cs device=$00400000, length=$001F4000, ram=$20400000 Loading programming algorithm ... Done. Programming sequency is : erase, blank check, program, and verify {default} CMD>VC Verifying object file CRC-16 to device ranges ... block 00400000-0040E1EB ... Calculated CRC-16 does not match block. (File = $A315, Device = $2975) Current content of flash does not match application to be programmed CMD>EM Erasing. Module has been erased. CMD>PM Programming. Checking range of data. Checked. Processing Object File Data ... . Programmed. CMD>VC Verifying object file CRC-16 to device ranges ... block 00400000-0040E1EB ... Ok. Checksum Verification Successful. (Cumulative CRC-16=$A315) CMD>RE Initializing. INFO: DAP IDCODE = 0x6BA02477 INFO: DAP successfully powered up. DP CTRL/STAT = 0xF0000000 Target has been RESET and is active. INFO: DAP IDCODE = 0x6BA02477 INFO: DAP successfully powered up. DP CTRL/STAT = 0xF0000000 Starting reset script (C:\NXP\S32DS.3.6.2\eclipse\plugins\com.pemicro.debug.gdbjtag.pne_6.0.3.202506131845\supportFiles_ARM\NXP\S32K3xx\S32K312.mac) ... REM Enable clocks for selected cores in MC_ME module Delaying for 200mS ... Done. REM Initialize RAM and DMA: REM Initialize DMA TCD: REM Copy valid executable code to RAM for each core to be used. REM Enable required cores in MC_ME: Delaying for 20mS ... Done. Reset script (C:\NXP\S32DS.3.6.2\eclipse\plugins\com.pemicro.debug.gdbjtag.pne_6.0.3.202506131845\supportFiles_ARM\NXP\S32K3xx\S32K312.mac) completed. BusFault: A bus fault has occurred during instruction prefetching. HardFault: A fault has been escalated to a hard fault.

0 件の賞賛
返信
3 返答(返信)

483件の閲覧回数
VaneB
NXP TechSupport
NXP TechSupport

Hi @LEEYM 

Are you using the external clock or the FIRC as the source for SCS_CLK? Also, are you working with a custom board or an evaluation board (EVB)?

If you are using a custom board with an external clock, please ensure that the configuration matches the actual clock frequency on your hardware.

If you are using an EVB, could you please share your configuration settings? That way, I can replicate the setup on my side.

 

BR, VaneB

0 件の賞賛
返信

472件の閲覧回数
LEEYM
Contributor III

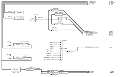
i using the external clock or the FIRC.. But I don't know much about hardware, so I can't tell if the clock is from outside or if I use fifc. Where can I find this? ldo? this picture is my setting.. it's normal set

 

LEEYM_0-1759188914890.png

 

0 件の賞賛
返信

431件の閲覧回数
VaneB
NXP TechSupport
NXP TechSupport

Hi @LEEYM 

Based on the image you shared, it looks like you are configuring an external 16 MHz clock as the main source clock. Please verify that this configuration matches your hardware setup to avoid potential issues.

0 件の賞賛
返信
%3CLINGO-SUB%20id%3D%22lingo-sub-2177363%22%20slang%3D%22en-US%22%20mode%3D%22CREATE%22%3Es32k312%20%E3%82%AF%E3%83%AD%E3%83%83%E3%82%AF%E3%82%A8%E3%83%A9%E3%83%BC%3C%2FLINGO-SUB%3E%3CLINGO-BODY%20id%3D%22lingo-body-2177363%22%20slang%3D%22en-US%22%20mode%3D%22CREATE%22%3E%3CP%3E%3CSPAN%3E%E3%81%93%E3%82%93%E3%81%AB%E3%81%A1%E3%81%AF%E3%80%82%3C%2FSPAN%3E%3CBR%20%2F%3E%3CSPAN%3E%E3%83%97%E3%83%AD%E3%82%B8%E3%82%A7%E3%82%AF%E3%83%88%E3%81%A7%E3%82%AF%E3%83%AD%E3%83%83%E3%82%AF%E5%88%9D%E6%9C%9F%E5%8C%96%E9%96%A2%E6%95%B0%E3%81%A0%E3%81%91%E3%82%92%E4%BD%BF%E7%94%A8%E3%81%97%E3%81%A6%E3%81%84%E3%82%8B%E3%81%AE%E3%81%AB%E3%80%81BusFault%E3%81%8C%E7%99%BA%E7%94%9F%E3%81%97%E7%B6%9A%E3%81%91%E3%82%8B%E3%81%AE%E3%81%AF%E3%81%AA%E3%81%9C%E3%81%A7%E3%81%97%E3%82%87%E3%81%86%E3%81%8B%E3%80%82%E3%81%9D%E3%81%AE%E9%96%A2%E6%95%B0%E3%82%92%E4%BD%BF%E7%94%A8%E3%81%97%E3%81%AA%E3%81%84%E5%A0%B4%E5%90%88%E3%81%AF%E6%AD%A3%E5%B8%B8%E3%81%AB%E5%8B%95%E4%BD%9C%E3%81%99%E3%82%8B%E3%81%AE%E3%81%A7%E3%81%99%E3%81%8C%E3%80%81%E4%BD%BF%E7%94%A8%E3%81%99%E3%82%8B%E3%81%A8%E5%8B%95%E4%BD%9C%E3%81%97%E3%81%BE%E3%81%9B%E3%82%93%E3%80%82%E3%82%AF%E3%83%AD%E3%83%83%E3%82%AF%E3%82%92%E8%A8%AD%E5%AE%9A%E3%81%99%E3%82%8B%E5%BF%85%E8%A6%81%E3%81%8C%E3%81%82%E3%82%8B%E3%81%AE%E3%81%8B%E3%80%81%E4%BD%95%E3%82%92%E3%81%99%E3%82%8C%E3%81%B0%E3%82%88%E3%81%84%E3%81%AE%E3%81%8B%E3%80%81%E5%85%A8%E3%81%8F%E5%88%86%E3%81%8B%E3%82%8A%E3%81%BE%E3%81%9B%E3%82%93%E3%80%82%3C%2FSPAN%3E%3C%2FP%3E%3CBR%20%2F%3E%3CP%3E%3CSPAN%3E%E3%80%8C127.0.0.1%E3%80%8D%E3%81%8B%E3%82%89127.0.0.1%E7%B5%8C%E7%94%B1%E3%81%A7%E6%8E%A5%E7%B6%9A%E3%81%97%E3%81%BE%E3%81%99%E3%80%82%E3%83%9D%E3%83%BC%E3%83%88%E3%80%8C50865%E3%80%8D%E3%81%8B%E3%82%896224%E3%81%B8%E3%81%AE%E6%8E%A5%E7%B6%9A%E3%80%81%E3%80%8C127.0.0.1%E3%80%8D%E3%81%8B%E3%82%89127.0.0.1%E7%B5%8C%E7%94%B1%E3%81%A7%E6%8E%A5%E7%B6%9A%E3%80%82%E3%83%9D%E3%83%BC%E3%83%88%E3%80%8C50869%E3%80%8D%E3%81%8B%E3%82%89127.0.0.1%3A51794%E3%81%A7%E5%AE%9F%E8%A1%8C%E3%81%95%E3%82%8C%E3%81%A6%E3%81%84%E3%82%8B7224%20Telnet%E3%82%B5%E3%83%BC%E3%83%90%E3%83%BC%E3%81%B8%E3%81%AE%E6%8E%A5%E7%B6%9A%E6%AC%A1%E3%81%AE%E3%82%B7%E3%83%B3%E3%83%9C%E3%83%AB%20pxCurrentTCB%20%E3%82%92%E8%A6%81%E6%B1%82%E3%81%97%E3%81%A6%E3%81%84%E3%81%BE%E3%81%99%E3%80%82%E3%82%B7%E3%83%B3%E3%83%9C%E3%83%AB%20pxCurrentTCB%20%E3%81%8C%E8%A6%8B%E3%81%A4%E3%81%8B%E3%82%8A%E3%81%BE%E3%81%9B%E3%82%93%E3%80%82%E6%AC%A1%E3%81%AE%E3%82%B7%E3%83%B3%E3%83%9C%E3%83%AB%20pxReadyTasksLists%20%E3%82%92%E8%A6%81%E6%B1%82%E3%81%97%E3%81%A6%E3%81%84%E3%81%BE%E3%81%99%E3%80%82%E3%82%B7%E3%83%B3%E3%83%9C%E3%83%AB%20pxReadyTasksLists%20%E3%81%8C%E8%A6%8B%E3%81%A4%E3%81%8B%E3%82%8A%E3%81%BE%E3%81%9B%E3%82%93%E3%80%82%E6%AC%A1%E3%81%AE%E3%82%B7%E3%83%B3%E3%83%9C%E3%83%AB%20xDelayedTaskList1%20%E3%82%92%E8%A6%81%E6%B1%82%E3%81%97%E3%81%A6%E3%81%84%E3%81%BE%E3%81%99%E3%80%82%E3%82%B7%E3%83%B3%E3%83%9C%E3%83%AB%20xDelayedTaskList1%20%E3%81%8C%E8%A6%8B%E3%81%A4%E3%81%8B%E3%82%8A%E3%81%BE%E3%81%9B%E3%82%93%E3%80%82%E6%AC%A1%E3%81%AE%E3%82%B7%E3%83%B3%E3%83%9C%E3%83%AB%20xDelayedTaskList2%20%E3%82%92%E8%A6%81%E6%B1%82%E3%81%97%E3%81%A6%E3%81%84%E3%81%BE%E3%81%99%E3%80%82%E3%82%B7%E3%83%B3%E3%83%9C%E3%83%AB%20xDelayedTaskList2%20%E3%81%8C%E8%A6%8B%E3%81%A4%E3%81%8B%E3%82%8A%E3%81%BE%E3%81%9B%E3%82%93%E3%80%82%E6%AC%A1%E3%81%AE%E3%82%B7%E3%83%B3%E3%83%9C%E3%83%AB%20xPendingReadyList%20%E3%82%92%E8%A6%81%E6%B1%82%E3%81%97%E3%81%A6%E3%81%84%E3%81%BE%E3%81%99%E3%80%82%E3%82%B7%E3%83%B3%E3%83%9C%E3%83%AB%20xPendingReadyList%20%E3%81%8C%E8%A6%8B%E3%81%A4%E3%81%8B%E3%82%8A%E3%81%BE%E3%81%9B%E3%82%93%E3%80%82%E6%AC%A1%E3%81%AE%E3%82%B7%E3%83%B3%E3%83%9C%E3%83%AB%20uxCurrentNumberOfTasks%20%E3%82%92%E8%A6%81%E6%B1%82%E3%81%97%E3%81%A6%E3%81%84%E3%81%BE%E3%81%99%E3%80%82%E3%82%B7%E3%83%B3%E3%83%9C%E3%83%AB%20uxCurrentNumberOfTasks%20%E3%81%8C%E8%A6%8B%E3%81%A4%E3%81%8B%E3%82%8A%E3%81%BE%E3%81%9B%E3%82%93%E3%80%82%E6%AC%A1%E3%81%AE%E3%82%B7%E3%83%B3%E3%83%9C%E3%83%AB%20uxDeletedTasksWaitingCleanUp%20%E3%82%92%E8%A6%81%E6%B1%82%E3%81%97%E3%81%A6%E3%81%84%E3%81%BE%E3%81%99%E3%80%82%E3%82%B7%E3%83%B3%E3%83%9C%E3%83%AB%20uxDeletedTasksWaitingCleanUp%20%E3%81%8C%E8%A6%8B%E3%81%A4%E3%81%8B%E3%82%8A%E3%81%BE%E3%81%9B%E3%82%93%E3%80%82%E6%AC%A1%E3%81%AE%E3%82%B7%E3%83%B3%E3%83%9C%E3%83%AB%20xSuspendedTaskList%20%E3%82%92%E8%A6%81%E6%B1%82%E3%81%97%E3%81%A6%E3%81%84%E3%81%BE%E3%81%99%E3%80%82%E3%82%B7%E3%83%B3%E3%83%9C%E3%83%AB%20xSuspendedTaskList%20%E3%81%8C%E8%A6%8B%E3%81%A4%E3%81%8B%E3%82%8A%E3%81%BE%E3%81%9B%E3%82%93%E3%80%82%E6%AC%A1%E3%81%AE%E3%82%B7%E3%83%B3%E3%83%9C%E3%83%AB%20xSchedulerRunning%20%E3%82%92%E8%A6%81%E6%B1%82%E3%81%97%E3%81%A6%E3%81%84%E3%81%BE%E3%81%99%E3%80%82%E3%82%B7%E3%83%B3%E3%83%9C%E3%83%AB%20xSchedulerRunning%20%E3%81%8C%E8%A6%8B%E3%81%A4%E3%81%8B%E3%82%8A%E3%81%BE%E3%81%9B%E3%82%93%E3%80%82%E6%AC%A1%E3%81%AE%E3%82%B7%E3%83%B3%E3%83%9C%E3%83%AB%20FreeRTOSDebugConfig%20%E3%82%92%E8%A6%81%E6%B1%82%E3%81%97%E3%81%A6%E3%81%84%E3%81%BE%E3%81%99%E3%80%82%E3%82%B7%E3%83%B3%E3%83%9C%E3%83%AB%20FreeRTOSDebugConfig%20%E3%81%8C%E8%A6%8B%E3%81%A4%E3%81%8B%E3%82%8A%E3%81%BE%E3%81%9B%E3%82%93%E3%80%82%E6%AC%A1%E3%81%AE%E3%82%B7%E3%83%B3%E3%83%9C%E3%83%AB%20_tx_thread_current_ptr%20%E3%82%92%E8%A6%81%E6%B1%82%E3%81%97%E3%81%A6%E3%81%84%E3%81%BE%E3%81%99%E3%81%8C%E3%80%81%E3%82%B7%E3%83%B3%E3%83%9C%E3%83%AB%20_tx_thread_current_ptr%20%E3%81%8C%E8%A6%8B%E3%81%A4%E3%81%8B%E3%82%8A%E3%81%BE%E3%81%9B%E3%82%93%E3%80%82%E6%AC%A1%E3%81%AE%E3%82%B7%E3%83%B3%E3%83%9C%E3%83%AB%20_tx_thread_created_ptr%20%E3%82%92%E8%A6%81%E6%B1%82%E3%81%97%E3%81%A6%E3%81%84%E3%81%BE%E3%81%99%E3%81%8C%E3%80%81%E3%82%B7%E3%83%B3%E3%83%9C%E3%83%AB%20_tx_thread_created_ptr%20%E3%81%8C%E8%A6%8B%E3%81%A4%E3%81%8B%E3%82%8A%E3%81%BE%E3%81%9B%E3%82%93%E3%80%82%E6%AC%A1%E3%81%AE%E3%82%B7%E3%83%B3%E3%83%9C%E3%83%AB%20_tx_thread_created_count%20%E3%82%92%E8%A6%81%E6%B1%82%E3%81%97%E3%81%A6%E3%81%84%E3%81%BE%E3%81%99%E3%81%8C%E3%80%81%E3%82%B7%E3%83%B3%E3%83%9C%E3%83%AB%20_tx_thread_created_count%20%E3%81%8C%E8%A6%8B%E3%81%A4%E3%81%8B%E3%82%8A%E3%81%BE%E3%81%9B%E3%82%93%E3%80%82%E6%AC%A1%E3%81%AE%E3%82%B7%E3%83%B3%E3%83%9C%E3%83%AB%20_tx_thread_system_state%20%E3%82%92%E8%A6%81%E6%B1%82%E3%81%97%E3%81%A6%E3%81%84%E3%81%BE%E3%81%99%E3%81%8C%E3%80%81%E3%82%B7%E3%83%B3%E3%83%9C%E3%83%AB%20_tx_thread_system_state%20%E3%81%8C%E8%A6%8B%E3%81%A4%E3%81%8B%E3%82%8A%E3%81%BE%E3%81%9B%E3%82%93%E3%80%82%E8%91%97%E4%BD%9C%E6%A8%A9%202025%20P%26amp%3BE%20Microcomputer%20Systems%2CInc.%E3%82%B3%E3%83%9E%E3%83%B3%E3%83%89%E3%83%A9%E3%82%A4%E3%83%B3%3AC%3A%5CNXP%5CS32DS.3.6.2%5Ceclipse%5Cplugins%5Ccom.pemicro.debug.gdbjtag.pne_6.0.3.202506131845%5Cwin32%5Cpegdbserver_console-device%3DNXP_S32K3xx_S32K312%20-startserver%20-singlesession%20-serverport%3D7224%20-gdbmiport%3D6224%20-interface%3DUSBMULTILINK%20-speed%3D5000%20-port%20PEmicro%20%E3%82%A4%E3%83%B3%E3%82%BF%E3%83%BC%E3%83%95%E3%82%A7%E3%83%BC%E3%82%B9%E3%81%8C%E6%A4%9C%E5%87%BA%E3%81%95%E3%82%8C%E3%81%BE%E3%81%97%E3%81%9F%20-%20%E3%83%95%E3%83%A9%E3%83%83%E3%82%B7%E3%83%A5%20%E3%83%90%E3%83%BC%E3%82%B8%E3%83%A7%E3%83%B3%2011.52%20CMD%26gt%3BRE%20%E5%88%9D%E6%9C%9F%E5%8C%96%E3%81%97%E3%81%A6%E3%81%84%E3%81%BE%E3%81%99%E3%80%82INFO%3A%20DAP%20IDCODE%20%3D%200x6BA02477%20INFO%3A%20DAP%20%E3%81%AE%E9%9B%BB%E6%BA%90%E3%81%8C%E6%AD%A3%E5%B8%B8%E3%81%AB%E3%82%AA%E3%83%B3%E3%81%AB%E3%81%AA%E3%82%8A%E3%81%BE%E3%81%97%E3%81%9F%E3%80%82DP%20CTRL%2FSTAT%20%3D%200xF0000000%20%E3%82%BF%E3%83%BC%E3%82%B2%E3%83%83%E3%83%88%E3%81%AF%E3%83%AA%E3%82%BB%E3%83%83%E3%83%88%E3%81%95%E3%82%8C%E3%80%81%E3%82%A2%E3%82%AF%E3%83%86%E3%82%A3%E3%83%96%E3%81%A7%E3%81%99%E3%80%82CMD%26gt%3BCM%20C%3A%5CNXP%5CS32DS.3.6.2%5Ceclipse%5Cplugins%5Ccom.pemicro.debug.gdbjtag.pne_6.0.3.202506131845%5CsupportFiles_ARM%5CNXP%5CS32K3xx%5Cnxp_s32k312_1x32x500k_hse_disabled.arp%20%E5%88%9D%E6%9C%9F%E5%8C%96%E3%81%97%E3%81%A6%E3%81%84%E3%81%BE%E3%81%99%E3%80%82INFO%3A%20DAP%20IDCODE%20%3D%200x6BA02477%20INFO%3A%20DAP%20%E3%81%AE%E9%9B%BB%E6%BA%90%E3%81%8C%E6%AD%A3%E5%B8%B8%E3%81%AB%E3%82%AA%E3%83%B3%E3%81%AB%E3%81%AA%E3%82%8A%E3%81%BE%E3%81%97%E3%81%9F%E3%80%82DP%20CTRL%2FSTAT%20%3D%200xF0000000%20%E5%88%9D%E6%9C%9F%E5%8C%96%E3%81%95%E3%82%8C%E3%81%BE%E3%81%97%E3%81%9F%E3%80%82%3B%E3%83%90%E3%83%BC%E3%82%B8%E3%83%A7%E3%83%B3%201.04%E3%80%812024%20%E5%B9%B4%2011%20%E6%9C%88%205%20%E6%97%A5%E3%80%81Copyright%202024%20P%26amp%3BE%20Microcomputer%20Systems%E3%80%81%20%3CA%20href%3D%22http%3A%2F%2Fwww.pemicro.com%22%20target%3D%22_blank%22%20rel%3D%22nofollow%20noopener%20noreferrer%22%3Ewww.pemicro.com%3C%2FA%3E%20%5BS32K3x2_hse_disabled%5D%20%3B%E3%83%87%E3%83%90%E3%82%A4%E3%82%B9%20nxp%E3%80%81s32k312%E3%80%811x32x500k%E3%80%81desc%3Dhse_disabled%20%3Bbegin_cs%20%E3%83%87%E3%83%90%E3%82%A4%E3%82%B9%3D%2400400000%E3%80%81%E9%95%B7%E3%81%95%3D%24001F4000%E3%80%81ram%3D%2420400000%20%E3%83%97%E3%83%AD%E3%82%B0%E3%83%A9%E3%83%9F%E3%83%B3%E3%82%B0%20%E3%82%A2%E3%83%AB%E3%82%B4%E3%83%AA%E3%82%BA%E3%83%A0%E3%82%92%E8%AA%AD%E3%81%BF%E8%BE%BC%E3%82%93%E3%81%A7%E3%81%84%E3%81%BE%E3%81%99...%E5%AE%8C%E4%BA%86%E3%81%97%E3%81%BE%E3%81%97%E3%81%9F%E3%80%82%E3%83%97%E3%83%AD%E3%82%B0%E3%83%A9%E3%83%9F%E3%83%B3%E3%82%B0%20%E3%82%B7%E3%83%BC%E3%82%B1%E3%83%B3%E3%82%B9%E3%81%AF%E3%80%81%E6%B6%88%E5%8E%BB%E3%80%81%E3%83%96%E3%83%A9%E3%83%B3%E3%82%AF%20%E3%83%81%E3%82%A7%E3%83%83%E3%82%AF%E3%80%81%E3%83%97%E3%83%AD%E3%82%B0%E3%83%A9%E3%83%A0%E3%80%81%E6%A4%9C%E8%A8%BC%E3%81%A7%E3%81%99%E3%80%82%20%7Bdefault%7D%20CMD%26gt%3BVC%20%E3%82%AA%E3%83%96%E3%82%B8%E3%82%A7%E3%82%AF%E3%83%88%20%E3%83%95%E3%82%A1%E3%82%A4%E3%83%AB%E3%81%AE%20CRC-16%20%E3%82%92%E3%83%87%E3%83%90%E3%82%A4%E3%82%B9%E7%AF%84%E5%9B%B2%E3%81%AB%E5%AF%BE%E3%81%97%E3%81%A6%E6%A4%9C%E8%A8%BC%E3%81%97%E3%81%A6%E3%81%84%E3%81%BE%E3%81%99...%20%E3%83%96%E3%83%AD%E3%83%83%E3%82%AF%2000400000-0040E1EB...%20%E8%A8%88%E7%AE%97%E3%81%95%E3%82%8C%E3%81%9F%20CRC-16%20%E3%81%AF%E3%83%96%E3%83%AD%E3%83%83%E3%82%AF%E3%81%A8%E4%B8%80%E8%87%B4%E3%81%97%E3%81%BE%E3%81%9B%E3%82%93%E3%80%82(%E3%83%95%E3%82%A1%E3%82%A4%E3%83%AB%20%3D%20%24A315%E3%80%81%E3%83%87%E3%83%90%E3%82%A4%E3%82%B9%20%3D%20%242975)%20%E3%83%95%E3%83%A9%E3%83%83%E3%82%B7%E3%83%A5%E3%81%AE%E7%8F%BE%E5%9C%A8%E3%81%AE%E5%86%85%E5%AE%B9%E3%81%8C%E3%80%81%E3%83%97%E3%83%AD%E3%82%B0%E3%83%A9%E3%83%A0%E3%81%99%E3%82%8B%E3%82%A2%E3%83%97%E3%83%AA%E3%82%B1%E3%83%BC%E3%82%B7%E3%83%A7%E3%83%B3%E3%81%A8%E4%B8%80%E8%87%B4%E3%81%97%E3%81%BE%E3%81%9B%E3%82%93%E3%80%82CMD%26gt%3BEM%20%E6%B6%88%E5%8E%BB%E4%B8%AD%E3%80%82%E3%83%A2%E3%82%B8%E3%83%A5%E3%83%BC%E3%83%AB%E3%81%AF%E6%B6%88%E5%8E%BB%E3%81%95%E3%82%8C%E3%81%BE%E3%81%97%E3%81%9F%E3%80%82CMD%26gt%3BPM%E3%83%97%E3%83%AD%E3%82%B0%E3%83%A9%E3%83%9F%E3%83%B3%E3%82%B0%E3%80%82%E3%83%87%E3%83%BC%E3%82%BF%E3%81%AE%E7%AF%84%E5%9B%B2%E3%82%92%E7%A2%BA%E8%AA%8D%E3%81%97%E3%81%A6%E3%81%84%E3%81%BE%E3%81%99%E3%80%82%E7%A2%BA%E8%AA%8D%E3%81%97%E3%81%BE%E3%81%97%E3%81%9F%E3%80%82%E3%82%AA%E3%83%96%E3%82%B8%E3%82%A7%E3%82%AF%E3%83%88%20%E3%83%95%E3%82%A1%E3%82%A4%E3%83%AB%20%E3%83%87%E3%83%BC%E3%82%BF%E3%82%92%E5%87%A6%E7%90%86%E3%81%97%E3%81%A6%E3%81%84%E3%81%BE%E3%81%99...%E3%80%82%E3%83%97%E3%83%AD%E3%82%B0%E3%83%A9%E3%83%A0%E6%B8%88%E3%81%BF%E3%80%82CMD%26gt%3BVC%20%E3%82%AA%E3%83%96%E3%82%B8%E3%82%A7%E3%82%AF%E3%83%88%20%E3%83%95%E3%82%A1%E3%82%A4%E3%83%AB%20CRC-16%20%E3%82%92%E3%83%87%E3%83%90%E3%82%A4%E3%82%B9%E7%AF%84%E5%9B%B2%E3%81%AB%E5%AF%BE%E3%81%97%E3%81%A6%E6%A4%9C%E8%A8%BC%E3%81%97%E3%81%A6%E3%81%84%E3%81%BE%E3%81%99...%20%E3%83%96%E3%83%AD%E3%83%83%E3%82%AF%2000400000-0040E1EB...%20%E6%AD%A3%E5%B8%B8%E3%81%A7%E3%81%99%E3%80%82%E3%83%81%E3%82%A7%E3%83%83%E3%82%AF%E3%82%B5%E3%83%A0%E6%A4%9C%E8%A8%BC%E3%81%AB%E6%88%90%E5%8A%9F%E3%81%97%E3%81%BE%E3%81%97%E3%81%9F%E3%80%82(%E7%B4%AF%E7%A9%8D%20CRC-16%20%3D%20%24A315)%20CMD%26gt%3BRE%20%E5%88%9D%E6%9C%9F%E5%8C%96%E4%B8%AD%E3%80%82INFO%3A%20DAP%20IDCODE%20%3D%200x6BA02477%20INFO%3A%20DAP%20%E3%81%AE%E9%9B%BB%E6%BA%90%E3%81%8C%E6%AD%A3%E5%B8%B8%E3%81%AB%E3%82%AA%E3%83%B3%E3%81%AB%E3%81%AA%E3%82%8A%E3%81%BE%E3%81%97%E3%81%9F%E3%80%82DP%20CTRL%2FSTAT%20%3D%200xF0000000%20%E3%82%BF%E3%83%BC%E3%82%B2%E3%83%83%E3%83%88%E3%81%AF%E3%83%AA%E3%82%BB%E3%83%83%E3%83%88%E3%81%95%E3%82%8C%E3%80%81%E3%82%A2%E3%82%AF%E3%83%86%E3%82%A3%E3%83%96%E3%81%A7%E3%81%99%E3%80%82INFO%3A%20DAP%20IDCODE%20%3D%200x6BA02477%20INFO%3A%20DAP%20%E3%81%AE%E9%9B%BB%E6%BA%90%E3%81%8C%E6%AD%A3%E5%B8%B8%E3%81%AB%E3%82%AA%E3%83%B3%E3%81%AB%E3%81%AA%E3%82%8A%E3%81%BE%E3%81%97%E3%81%9F%E3%80%82DP%20CTRL%2FSTAT%20%3D%200xF0000000%20%E3%83%AA%E3%82%BB%E3%83%83%E3%83%88%E3%82%B9%E3%82%AF%E3%83%AA%E3%83%97%E3%83%88%E3%82%92%E9%96%8B%E5%A7%8B%E3%81%97%E3%81%A6%E3%81%84%E3%81%BE%E3%81%99%20(C%3A%5CNXP%5CS32DS.3.6.2%5Ceclipse%5Cplugins%5Ccom.pemicro.debug.gdbjtag.pne_6.0.3.202506131845%5CsupportFiles_ARM%5CNXP%5CS32K3xx%5CS32K312.mac)...%20REM%20MC_ME%20%E3%83%A2%E3%82%B8%E3%83%A5%E3%83%BC%E3%83%AB%E5%86%85%E3%81%AE%E9%81%B8%E6%8A%9E%E3%81%95%E3%82%8C%E3%81%9F%E3%82%B3%E3%82%A2%E3%81%AE%E3%82%AF%E3%83%AD%E3%83%83%E3%82%AF%E3%82%92%E6%9C%89%E5%8A%B9%E3%81%AB%E3%81%97%E3%81%BE%E3%81%99%E3%80%82200%20%E3%83%9F%E3%83%AA%E7%A7%92%E9%81%85%E5%BB%B6%E3%81%97%E3%81%BE%E3%81%99...%20%E5%AE%8C%E4%BA%86%E3%81%97%E3%81%BE%E3%81%97%E3%81%9F%E3%80%82REM%20RAM%20%E3%81%A8%20DMA%20%E3%82%92%E5%88%9D%E6%9C%9F%E5%8C%96%E3%81%97%E3%81%BE%E3%81%99%E3%80%82REM%20DMA%20TCD%20%E3%82%92%E5%88%9D%E6%9C%9F%E5%8C%96%E3%81%97%E3%81%BE%E3%81%99%E3%80%82REM%20%E4%BD%BF%E7%94%A8%E3%81%99%E3%82%8B%E5%90%84%E3%82%B3%E3%82%A2%E3%81%AE%E6%9C%89%E5%8A%B9%E3%81%AA%E5%AE%9F%E8%A1%8C%E5%8F%AF%E8%83%BD%E3%82%B3%E3%83%BC%E3%83%89%E3%82%92%20RAM%20%E3%81%AB%E3%82%B3%E3%83%94%E3%83%BC%E3%81%97%E3%81%BE%E3%81%99%E3%80%82REM%20MC_ME%20%E3%81%A7%E5%BF%85%E8%A6%81%E3%81%AA%E3%82%B3%E3%82%A2%E3%82%92%E6%9C%89%E5%8A%B9%E3%81%AB%E3%81%97%E3%81%BE%E3%81%99%3A%2020%20%E3%83%9F%E3%83%AA%E7%A7%92%E9%81%85%E5%BB%B6%E3%81%97%E3%81%A6%E3%81%84%E3%81%BE%E3%81%99...%E5%AE%8C%E4%BA%86%E3%80%82%E3%83%AA%E3%82%BB%E3%83%83%E3%83%88%E3%82%B9%E3%82%AF%E3%83%AA%E3%83%97%E3%83%88%20(C%3A%5CNXP%5CS32DS.3.6.2%5Ceclipse%5Cplugins%5Ccom.pemicro.debug.gdbjtag.pne_6.0.3.202506131845%5CsupportFiles_ARM%5CNXP%5CS32K3xx%5CS32K312.mac)%E5%AE%8C%E4%BA%86%E3%81%97%E3%81%BE%E3%81%97%E3%81%9F%E3%80%82BusFault%3A%20%E5%91%BD%E4%BB%A4%E3%81%AE%E3%83%97%E3%83%AA%E3%83%95%E3%82%A7%E3%83%83%E3%83%81%E4%B8%AD%E3%81%AB%E3%83%90%E3%82%B9%E9%9A%9C%E5%AE%B3%E3%81%8C%E7%99%BA%E7%94%9F%E3%81%97%E3%81%BE%E3%81%97%E3%81%9F%E3%80%82HardFault%3A%20%E9%9A%9C%E5%AE%B3%E3%81%8C%E3%83%8F%E3%83%BC%E3%83%89%E9%9A%9C%E5%AE%B3%E3%81%AB%E3%82%A8%E3%82%B9%E3%82%AB%E3%83%AC%E3%83%BC%E3%83%88%E3%81%95%E3%82%8C%E3%81%BE%E3%81%97%E3%81%9F%E3%80%82%3C%2FSPAN%3E%3C%2FP%3E%3C%2FLINGO-BODY%3E%3CLINGO-SUB%20id%3D%22lingo-sub-2178394%22%20slang%3D%22en-US%22%20mode%3D%22CREATE%22%20translate%3D%22no%22%3ERe%3A%20s32k312%20clock%20error%3C%2FLINGO-SUB%3E%3CLINGO-BODY%20id%3D%22lingo-body-2178394%22%20slang%3D%22en-US%22%20mode%3D%22CREATE%22%3E%3CP%3E%E3%81%93%E3%82%93%E3%81%AB%E3%81%A1%E3%81%AF%3CA%20href%3D%22https%3A%2F%2Fcommunity.nxp.com%2Ft5%2Fuser%2Fviewprofilepage%2Fuser-id%2F250890%22%20target%3D%22_blank%22%3E%40LEEYM%3C%2FA%3E%3C%2FP%3E%0A%3CP%3E%E5%85%B1%E6%9C%89%E3%81%95%E3%82%8C%E3%81%9F%E7%94%BB%E5%83%8F%E3%81%AB%E5%9F%BA%E3%81%A5%E3%81%8F%E3%81%A8%E3%80%81%E5%A4%96%E9%83%A8%2016%20MHz%20%E3%82%AF%E3%83%AD%E3%83%83%E3%82%AF%E3%82%92%E3%83%A1%E3%82%A4%E3%83%B3%20%E3%82%BD%E3%83%BC%E3%82%B9%20%E3%82%AF%E3%83%AD%E3%83%83%E3%82%AF%E3%81%A8%E3%81%97%E3%81%A6%E6%A7%8B%E6%88%90%E3%81%97%E3%81%A6%E3%81%84%E3%82%8B%E3%82%88%E3%81%86%E3%81%A7%E3%81%99%E3%80%82%E6%BD%9C%E5%9C%A8%E7%9A%84%E3%81%AA%E5%95%8F%E9%A1%8C%E3%82%92%E5%9B%9E%E9%81%BF%E3%81%99%E3%82%8B%E3%81%9F%E3%82%81%E3%81%AB%E3%80%81%E3%81%93%E3%81%AE%E6%A7%8B%E6%88%90%E3%81%8C%E3%83%8F%E3%83%BC%E3%83%89%E3%82%A6%E3%82%A7%E3%82%A2%E8%A8%AD%E5%AE%9A%E3%81%A8%E4%B8%80%E8%87%B4%E3%81%97%E3%81%A6%E3%81%84%E3%82%8B%E3%81%93%E3%81%A8%E3%82%92%E7%A2%BA%E8%AA%8D%E3%81%97%E3%81%A6%E3%81%8F%E3%81%A0%E3%81%95%E3%81%84%E3%80%82%3C%2FP%3E%3C%2FLINGO-BODY%3E%3CLINGO-SUB%20id%3D%22lingo-sub-2177751%22%20slang%3D%22en-US%22%20mode%3D%22CREATE%22%20translate%3D%22no%22%3ERe%3A%20s32k312%20clock%20error%3C%2FLINGO-SUB%3E%3CLINGO-BODY%20id%3D%22lingo-body-2177751%22%20slang%3D%22en-US%22%20mode%3D%22CREATE%22%3E%3CP%3E%3CSPAN%3E%E5%A4%96%E9%83%A8%E3%82%AF%E3%83%AD%E3%83%83%E3%82%AF%E3%81%BE%E3%81%9F%E3%81%AF%20FIRC%20%E3%82%92%E4%BD%BF%E7%94%A8%E3%81%97%E3%81%BE%E3%81%99%E3%80%82%E3%81%97%E3%81%8B%E3%81%97%E3%80%81%E7%A7%81%E3%81%AF%E3%83%8F%E3%83%BC%E3%83%89%E3%82%A6%E3%82%A7%E3%82%A2%E3%81%AB%E3%81%A4%E3%81%84%E3%81%A6%E3%81%82%E3%81%BE%E3%82%8A%E8%A9%B3%E3%81%97%E3%81%8FSO%E3%80%81%E3%82%AF%E3%83%AD%E3%83%83%E3%82%AF%E3%81%8C%E5%A4%96%E9%83%A8%E3%81%8B%E3%82%89%E3%81%AE%E3%82%82%E3%81%AE%E3%81%8B%E3%80%81fifc%20%E3%82%92%E4%BD%BF%E7%94%A8%E3%81%97%E3%81%A6%E3%81%84%E3%82%8B%E3%81%AE%E3%81%8B%E3%81%AF%E3%82%8F%E3%81%8B%E3%82%8ACAN%E3%80%82%E3%81%93%E3%82%8C%E3%81%AF%E3%81%A9%E3%81%93%E3%81%A7CAN%E8%A6%8B%E3%81%A4%E3%81%91%E3%82%89%E3%82%8C%E3%81%BE%E3%81%99%E3%81%8B%3F%E3%81%88%E3%81%A3%E3%81%A8%E2%80%A6%E3%81%93%E3%81%AE%E5%86%99%E7%9C%9F%E3%81%AF%E7%A7%81%E3%81%AE%E8%A8%AD%E5%AE%9A%E3%81%A7%E3%81%99%E3%80%82%E9%80%9A%E5%B8%B8%E3%81%AE%E8%A8%AD%E5%AE%9A%E3%81%A7%E3%81%99%E3%80%82%3C%2FSPAN%3E%3C%2FP%3E%3CBR%20%2F%3E%3CP%3E%3CSPAN%20class%3D%22lia-inline-image-display-wrapper%20lia-image-align-inline%22%20image-alt%3D%22LEEYM_0-1759188914890.png%22%20style%3D%22width%3A%20400px%3B%22%3E%3Cspan%20class%3D%22lia-inline-image-display-wrapper%22%20image-alt%3D%22LEEYM_0-1759188914890.png%22%20style%3D%22width%3A%20400px%3B%22%3E%3Cimg%20src%3D%22https%3A%2F%2Fcommunity.nxp.com%2Ft5%2Fimage%2Fserverpage%2Fimage-id%2F358954i6B9BE5B337CE78E6%2Fimage-size%2Fmedium%3Fv%3Dv2%26amp%3Bpx%3D400%22%20role%3D%22button%22%20title%3D%22LEEYM_0-1759188914890.png%22%20alt%3D%22LEEYM_0-1759188914890.png%22%20%2F%3E%3C%2Fspan%3E%3C%2FSPAN%3E%3C%2FP%3E%3CBR%20%2F%3E%3C%2FLINGO-BODY%3E%3CLINGO-SUB%20id%3D%22lingo-sub-2177724%22%20slang%3D%22en-US%22%20mode%3D%22CREATE%22%20translate%3D%22no%22%3ERe%3A%20s32k312%20clock%20error%3C%2FLINGO-SUB%3E%3CLINGO-BODY%20id%3D%22lingo-body-2177724%22%20slang%3D%22en-US%22%20mode%3D%22CREATE%22%3E%3CP%3E%E3%81%93%E3%82%93%E3%81%AB%E3%81%A1%E3%81%AF%3CA%20href%3D%22https%3A%2F%2Fcommunity.nxp.com%2Ft5%2Fuser%2Fviewprofilepage%2Fuser-id%2F250890%22%20target%3D%22_blank%22%3E%40LEEYM%3C%2FA%3E%3C%2FP%3E%0A%3CP%3ESCS_CLK%20%E3%81%AE%E3%82%BD%E3%83%BC%E3%82%B9%E3%81%A8%E3%81%97%E3%81%A6%E5%A4%96%E9%83%A8%E3%82%AF%E3%83%AD%E3%83%83%E3%82%AF%E3%81%BE%E3%81%9F%E3%81%AF%20FIRC%20%E3%82%92%E4%BD%BF%E7%94%A8%E3%81%97%E3%81%A6%E3%81%84%E3%81%BE%E3%81%99%E3%81%8B%3F%E3%81%BE%E3%81%9F%E3%80%81%E3%82%AB%E3%82%B9%E3%82%BF%E3%83%A0%20%E3%83%9C%E3%83%BC%E3%83%89%E3%81%BE%E3%81%9F%E3%81%AF%E8%A9%95%E4%BE%A1%E3%83%9C%E3%83%BC%E3%83%89%20(EVB)%20%E3%82%92%E4%BD%BF%E7%94%A8%E3%81%97%E3%81%A6%E3%81%84%E3%81%BE%E3%81%99%E3%81%8B%3F%3C%2FP%3E%0A%3CP%3E%E5%A4%96%E9%83%A8%E3%82%AF%E3%83%AD%E3%83%83%E3%82%AF%E3%82%92%E5%82%99%E3%81%88%E3%81%9F%E3%82%AB%E3%82%B9%E3%82%BF%E3%83%A0%20%E3%83%9C%E3%83%BC%E3%83%89%E3%82%92%E4%BD%BF%E7%94%A8%E3%81%97%E3%81%A6%E3%81%84%E3%82%8B%E5%A0%B4%E5%90%88%E3%81%AF%E3%80%81%E6%A7%8B%E6%88%90%E3%81%8C%E3%83%8F%E3%83%BC%E3%83%89%E3%82%A6%E3%82%A7%E3%82%A2%E3%81%AE%E5%AE%9F%E9%9A%9B%E3%81%AE%E3%82%AF%E3%83%AD%E3%83%83%E3%82%AF%E5%91%A8%E6%B3%A2%E6%95%B0%E3%81%A8%E4%B8%80%E8%87%B4%E3%81%97%E3%81%A6%E3%81%84%E3%82%8B%E3%81%93%E3%81%A8%E3%82%92%E7%A2%BA%E8%AA%8D%E3%81%97%E3%81%A6%E3%81%8F%E3%81%A0%E3%81%95%E3%81%84%E3%80%82%3C%2FP%3E%0A%3CP%3EEVB%20%E3%82%92%E4%BD%BF%E7%94%A8%E3%81%97%E3%81%A6%E3%81%84%E3%82%8B%E5%A0%B4%E5%90%88%E3%81%AF%E3%80%81%E6%A7%8B%E6%88%90%E8%A8%AD%E5%AE%9A%E3%82%92%E5%85%B1%E6%9C%89%E3%81%97%E3%81%A6%E3%81%84%E3%81%9F%E3%81%A0%E3%81%91%E3%81%BE%E3%81%99%E3%81%8B%3F%E3%81%9D%E3%81%86%E3%81%99%E3%82%8C%E3%81%B0%E3%80%81%E8%87%AA%E5%88%86%E3%81%AE%E5%81%B4%E3%81%A7%E8%A8%AD%E5%AE%9A%E3%82%92%E5%86%8D%E7%8F%BECAN%E3%80%82%3C%2FP%3E%0A%3CBR%20%2F%3E%0A%3CP%3EBR%E3%80%81%E3%83%B4%E3%82%A7%E3%82%A4%E3%83%B3B%3C%2FP%3E%3C%2FLINGO-BODY%3E