S32K324 Ram allocation problem

cancel
Showing results for 
Show  only  | Search instead for 
Did you mean: 

S32K324 Ram allocation problem

1,467 Views
Jackson_Ping
Contributor II

Hi,all,

I am currently using the S32K324 chip,But I have some problems at the moment.

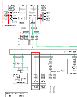
In the attachment of the S32K324 manual there is a file of memory allocation, where the size of SRAM0 and SRAM1 correspond to core 0 and core 1 respectively?Or does SRAM0 or SRAM1 of core 1 work?

My current situation is: the program is in core 0, and my SRAM 0 space is used up. Can I allocate more SRAM space by modifying the LD file? Take more SRAM1, for example.

0 Kudos
Reply
2 Replies

1,449 Views
petervlna
NXP TechSupport
NXP TechSupport

Hello,

My current situation is: the program is in core 0, and my SRAM 0 space is used up. Can I allocate more SRAM space by modifying the LD file? Take more SRAM1, for example.

Yes, RAM is not linked to just one core. It sits on the bus common to both.

By modifying the linker you can allocate any RAM to core. Slaves on XBAR can be assigned to any master listed in reference manual.

petervlna_0-1706085511776.png

petervlna_1-1706085595962.png

 

 

Best regards,

Peter

0 Kudos
Reply

1,447 Views
Jackson_Ping
Contributor II

Hi,Peter,

 

Thank you for your answer.

 

Best Regards,

  Jackson

0 Kudos
Reply