Hi@Silvano
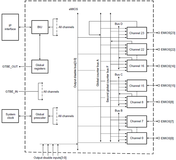
I think your question here refers to how the emios module achieves its output PWM synchronization.
In fact, if the selected PWM channels use the same Global Counter, output synchronization can be achieved.
For example, all PWM output channels under emios0 use Global Counter Bus A.
