S32 KEAZ-SDK & PEX, MSCAN Missing --Help!

取消
显示结果 
显示  仅  | 搜索替代 
您的意思是: 

S32 KEAZ-SDK & PEX, MSCAN Missing --Help!

4,191 次查看
michaeljwilson
Contributor II

I purchased an FRDM-KEAZ128 board for CAN development, the Quick Start package calls for using S32 DS as the preferred IDE. However, the provided processor expert doesn't work right out of the box (missing board information and basic components). I even read that PEX is not even supported in S32 (I wonder why the tool is available?). Additionally, NXP provides an SDK to support the KEAZ but it has excluded the MSCAN module. The CAN capabilities was my top selling point for this controller. I was about to purchase the STRK-KEAZ or KE06.

 

Does any one know if there exists S32-SDK support for MSCAN on the FRDM-KEAZ128? I have no intention of using CodeWarrior or KDS as these are headed in different directions (PEX has LDD drivers for MSCAN and is well documented, however MSCAN is not included in Kinetis Design Studio's PEX). Plus, I notice the programming environments are very different when using the PEX vs SDK drivers. 

 

I'm confused as to why NXP excluded MSCAN from the SDK yet documented all the other drivers well!

 

175493_175493.PNGCapture00.PNG

 

Any help is greatly appreciated!

标签 (1)
6 回复数

3,496 次查看
michaeljwilson
Contributor II

Stanislav, thank you very much for your support and for providing the project file. I couldn't see any transmitted messages on my Vector CANAlyzer (not even error frames due to bad baud rates), by any chance, do you know how I can calculate and change the baud rate to 250kbit/s?

I have another node that I can try putting on the same bus to see if It works. See picture of my CAN bus setup (equipped with terminating resistor)20170215_181757.jpg

0 项奖励
回复

3,495 次查看
Robin_Shen
NXP TechSupport
NXP TechSupport

Hi Michael,

Sorry for the late reply!

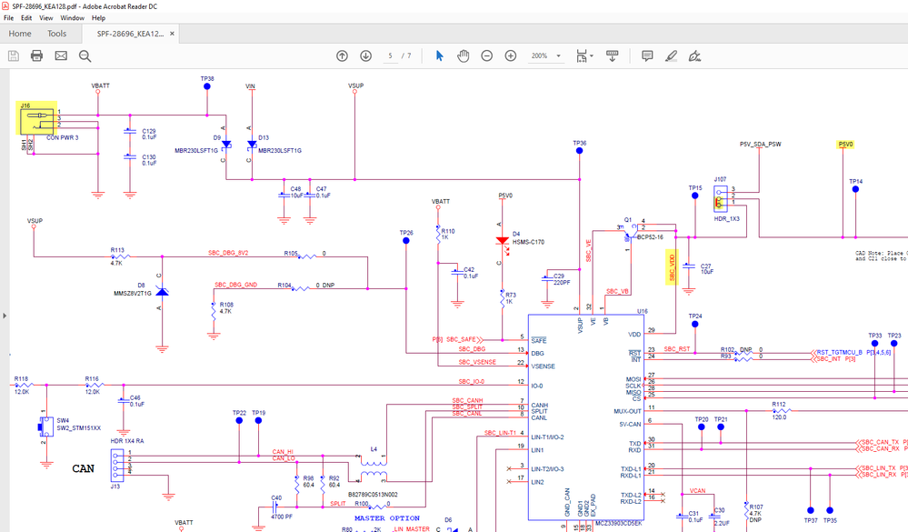
You should connect Pin1 and Pin2 of J107 and then supply 12v power at J16.

Capture00.PNG

20170215_181757.jpg

Best Regards,

Robin

 

-----------------------------------------------------------------------------------------------------------------------
Note: If this post answers your question, please click the Correct Answer button. Thank you!
-----------------------------------------------------------------------------------------------------------------------

0 项奖励
回复

3,496 次查看
ionut_chirilus
Contributor II

Hi.

If I move the shunt to Pin1 and Pin2 on J107, the D3 and voltage alimentation on microcontroller turn off. What I did wrong?

0 项奖励
回复

3,496 次查看
Robin_Shen
NXP TechSupport
NXP TechSupport

Sorry for my delay!

Please check the FRDM-KEAZ128 Schematics.

J6 12V J107.png

If the D3 is off, then it mean there the P5V0 is not powered.

P5V0 VDD D3.png

Have you modify the hardware of FRDM-KEAZ128 (for example: R63 or J10)?  The default hardware use P5V0 power MCU, it didn't use P3V3 power(voltage alimentation U15?) it.

P5V0 or P3V3.png

Best Regards,

Robin

0 项奖励
回复

3,496 次查看
andreascarponi
Contributor I

Hello Michael,

did you manage to make the MSCAN driver work on the FRDM-KEAZ128 board?

I am trying to do the same but I keep having an ERR_SYNCH return value from the Transmit_CAN_MB function.

Best regards,

Andrea

3,495 次查看
stanish
NXP Employee
NXP Employee

Hello Michael,

Thanks for the heads up!

Our Web pages are not up-to-date. Apologize about that.

In fact MSCAN driver has been already ported to FRDM-KEA board.

Attached is the driver and example.

They will be updated on the web soon.

Hope it helps.

Stan

0 项奖励
回复