Stuck at Self Clock Mode

cancel
Showing results for 
Show  only  | Search instead for 
Did you mean: 

Stuck at Self Clock Mode

Jump to solution
2,648 Views
vvieri
Contributor II

I have 9S12C64CFAE processor (0M66G mask) with Pierce oscillator setup running at 8MHz. For some reason the chip is still running on SCM although the crystal oscillator has nice and full-swing waveforms and starts very fast after the supply voltages are present.

extal.jpgxtal.jpg

I used BDM to get some information on the register contents and the status register 0x0037 (CRGFLG) shows 0x63 that means that the SCM is active.

I have fundamental 8MHz crystal with 22pF load capacitors (recommended by the crystal manufacturer) and 10M resistor in parallel with the crystal.

As far as I understood, the SCM bit is set purely by hardware and it is not software dependent. Or am I wrong?

So, without any firmware inside the chip should use the external clock (at least when looking at reset values of registers) and not to go into SCM?

Have programmed also the S12SerMon2r1 in using the BDM programmer, but it does not make situation any different...

I have also tried to wire the crystal directly to the chip with associated components to minimize the signal lengths and stray capacitances but the result is still the same.

I really appreciate any help.

Regards, Ville

Labels (1)
Tags (1)
1 Solution
2,474 Views
kef2
Senior Contributor V
  •    and VDD1 has 5V

And that's perhaps the problem. VDD1 should be similar to VDDPLL. Looks like you shorted it to VDDX/VDDR

Edward

View solution in original post

6 Replies
2,474 Views
vvieri
Contributor II

Hello

Thank you for the answer.

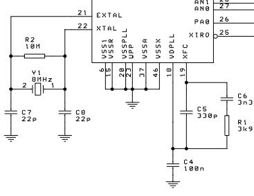
Here is the schematic of the oscillator section.

osc-section.jpg

Test pin (23) is connected to GND as is the \XCLKS (pin 13). C7, C8, C6 and C5 in the schematic are of NP0/C0G type.

I now tried now the same component values as was used on Technologicalarts evaluation board (the schematic is public, on support section: http://support.technologicalarts.ca/docs/Adapt9S12C/AD9S12Csch.pdf )

I have also tried many different crystals and load capacitances, and R2 values between 1 and 10Mohm. All with the same results... Tried also to change the processor. Oscillator should be OK and running because the waveform at XTAL output is OK?

CLKSEL bit 7 is 0 so the PLL is not selected and the bus frequency then should be oscillator / 2. Checked with BDM that 0x0039 (CLKSEL) reads 0x00.

Since it is running at SCM, the pin PE4 shows the self-clock frequency / 2 rather than 4MHz that it should be with the 8MHz crystal.

11-ECLK-1M5.jpg

I will re-calculate the load capacitances with the equations you supplied, but since I have tested so many different component values, I am not expecting much.

Have also tried to feed different frequencies (between 1 and 12MHz) from a function generator to the EXTAL pin as shown by the datasheet (MC9S12C128V1.pdf) picture 11-3, page 345. 2,5V level, of course.

With kind regards,

Ville

0 Kudos
Reply
2,474 Views
kef2
Senior Contributor V

Hi

Did you check voltage at VDDPLL and VDD1? Is regulator working or indeed shorted to VDDX/VDDR?

I would check with probe if /XCLKS is really low.

Edward

2,474 Views
vvieri
Contributor II

Hello

Done some further measurements.

Voltage on VDDPLL is 2.52V and VDD1 has 5V. Also checked that /XCLKS (pin 13 on this 48LQFP package) is actually tied to ground.

(Actually, tried also /XCLKS signal as 5V but then the crystal oscillator does not start (no waveform on EXTAL and XTAL pins)).

Now it is running but for some reason the Clock Quality Checker does not like it...

With kind regards,

Ville

0 Kudos
Reply
2,475 Views
kef2
Senior Contributor V
  •    and VDD1 has 5V

And that's perhaps the problem. VDD1 should be similar to VDDPLL. Looks like you shorted it to VDDX/VDDR

Edward

2,474 Views
vvieri
Contributor II

Hello

Yes, that was the problem! Had a short circuit between those two networks.

Thank you very much for the great advice on troubleshooting, now the bus clock seems to be 4MHz as it should be.

With kind regards,

Ville

0 Kudos
Reply
2,474 Views
lama
NXP TechSupport
NXP TechSupport

Hi,

is it possible to share schematic design?

Moreover, check (standard mistakes):

- Test pin connected to GND.

- \XCLKS connected to GND for pierce oscillator.

- Load capacitors should be calculated in simplified consideration follows:

The maximal frequency for Pierce oscillator is 40MHz.

The accurate values depend on the features of the crystal presented in the manufacturer's data sheet.

For example - crystal CA-301 has load capacitance = CL >10pF

S12C, S12GC : input pin capacitance for pins XTAL, EXTAL     C1i = C2i = 7pF = Ci

Let C3=C4 = Ce

CL = (Ci + Ce)/2    and it has to be >= CL = 10 pF

Then:

(Ci + Ce)/2  >= CL     =>  Ce >= CL*2  - Ci

Ce >= 10pF * 2 - 7pF

Ce >= 13 pF

Rb value is from the interval 100kohm ~ 20Mohm. For low frequency circuits is crystal impedance relatively high and Rb should be high Rb = 10Mohm. For high frequencies (>20Mhz) Rb = 100 kohm.

Rs for high frequencies (>4MHz) can be omitted.

- Test the MCU without setting PLL. Only set PEAR_NECLK=0 and you should se busclk=OSCCLK/2 at the pin PE4.

 

If it does not help do not hesitate to contact me again.

Best regards,

Ladislav