I want to resolve MC9SS12ZVMC debugging problem.

cancel
Showing results for 
Show  only  | Search instead for 
Did you mean: 

I want to resolve MC9SS12ZVMC debugging problem.

1,046 Views
yoongonkim
Contributor I

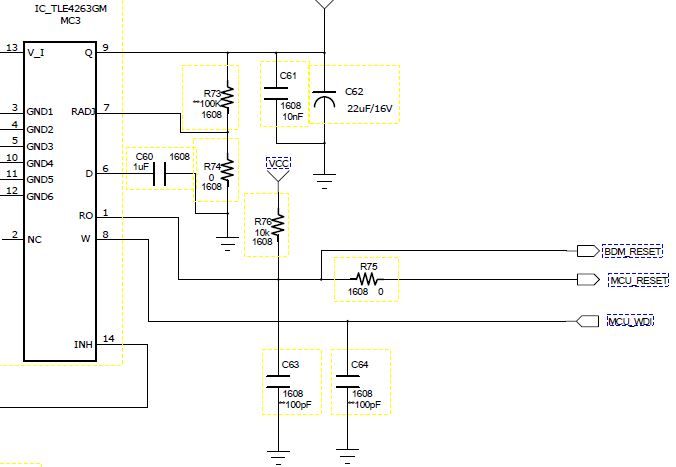
Hi, I'm using MC9SS12ZVMC128MKH(MCU) and TLE4263GMMC3(regulator).

 

Now, there is problem about reset.

I try debug but can't debug because regulator's Reset.

So, I want to resolve Debugging Reset problem.

 

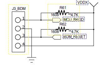
21703_21703.jpgregulator.JPG.jpg21708_21708.jpgmcu.JPG.jpg21709_21709.jpgbdm.JPG.jpg

Labels (1)
0 Kudos
Reply
1 Reply

1,008 Views
iggi
NXP Employee
NXP Employee

Hi,

maybe for MCU debugging purpose, it would be good to disconnect the MCU_RESET and BDM_RESET line from the TLE4263 regulator.

Keep the pull-up resistor on /RESET pin of MCU.

Also prior to that, you can try and add a 470nF cap (do not use >=1uF) between /RESET pin and GND for programming ONLY. A good solution would be if it is possible to add/remove the capacitor on the fly (as for some debugging you also want the resets from regulator to work).

Hope the info is helpful.

0 Kudos
Reply