T2080 Reference Board

cancel
Showing results for 
Show  only  | Search instead for 
Did you mean: 

T2080 Reference Board

7,268 Views
hemanttiwari199
Contributor III

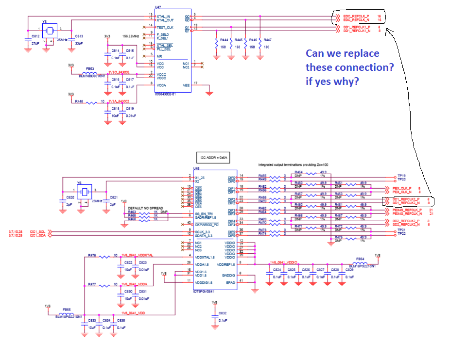
Hello,

Currently i am working on the device is based t2080 processor. 

In the design i am only using one Ethernet phy i.e. RTL8211E-VB.

As i am not using 10G EDC PHY CS4315, can i connect the SD1_REFCLK2 and SD1_REFCLK2 to U47 ICS843002-01? If yes, then why it is not connected in the reference design?

To understand better, i am enclosing the image for the same.

Waiting for your reply,

Regards

Hemant

0 Kudos
Reply
13 Replies

7,148 Views
ufedor
NXP Employee
NXP Employee

Please refer to the following picture:

Clocks.jpg

to realize that SD1_REFCLK1_P/N is 156.25MHz and SD1_REFCLK2_P/N is 100MHz

7,149 Views
hemanttiwari199
Contributor III

In the image that you have shared above show SD2_REFCLK1_P/N AND SD2_REFCLK2_P/N are coming from IDT9FGV0641 but in the reference design SD2_REFCLK2_P/N is coming out from IDT9FGV0641 while SD1_REFCLK2_P/N is coming from ICS859S0212I?

If i connect both SD2_REFCLK1_P/N AND SD2_REFCLK2_P/N to IDT9FGV0641, is it going to work?

As i can see in the schematic that to diff. pair are free in IDT9FGV0641?

Waiting for your reply!!

0 Kudos
Reply

7,149 Views
ufedor
NXP Employee
NXP Employee

It is not clear what are you intended to do.

Please provide the proposed block diagram and corresponding SerDes1 & 2 protocols which you plan to use.

0 Kudos
Reply

7,149 Views
hemanttiwari199
Contributor III

I am not using any kind of the PCIe connector in my design,

and according to picture shared by you both  SD2_REFCLK1_P/N and SD2_REFCLK2_P/N both having frequency of 100MHz.

my question is whether i can connect both the SD2_REFCLK1_P/N and SD2_REFCLK2_P to IDT9FGV0641 while eliminating the need of ICS859S0212I IC ?

Attaching the image for your reference?

Regards

Hemant

pastedImage_1.png

 

0 Kudos
Reply

7,149 Views
ufedor
NXP Employee
NXP Employee

Please draw and provide the proposed clocking block diagram and corresponding SerDes1 & 2 protocols which you plan to use.

0 Kudos
Reply

7,149 Views
hemanttiwari199
Contributor III

Please ignore the above shared image as it was wrong.

Attaching the final proposed clocking diagram.pastedImage_1.png

0 Kudos
Reply

7,149 Views
ufedor
NXP Employee
NXP Employee

Which SerDes1 & 2 protocols you plan to use?

0 Kudos
Reply

7,149 Views
hemanttiwari199
Contributor III

Serdes 2

0 Kudos
Reply

7,149 Views
ufedor
NXP Employee
NXP Employee

SerDes Protocols:

SerDes.jpg

etc....

0 Kudos
Reply

7,149 Views
hemanttiwari199
Contributor III

my question is related to clocking. attaching the same for your reference.

Please check and tell me whether the connection that i have made are correct or not as per t2080 reference design? 

pastedImage_1.png

0 Kudos
Reply

7,149 Views
ufedor
NXP Employee
NXP Employee

T2080RDB supports only SRDS_PRTCL_S1=0x66 and SRDS_PRTCL_S2=0x15.

Are the same used in your design?

0 Kudos
Reply

7,149 Views
hemanttiwari199
Contributor III

Showing the proposed clocking diagram. Please check and let me know what you think?

pastedImage_1.png

0 Kudos
Reply

7,149 Views
hemanttiwari199
Contributor III

Please ignore the above shared image as it was wrong.

Attaching the final proposed clocking diagram.

pastedImage_1.png

0 Kudos
Reply