LS1028A, Display Interface Unit pin termination

キャンセル
次の結果を表示 
表示  限定  | 次の代わりに検索 
もしかして: 

LS1028A, Display Interface Unit pin termination

1,474件の閲覧回数
Alexey_Stepuk
Contributor I

Hello

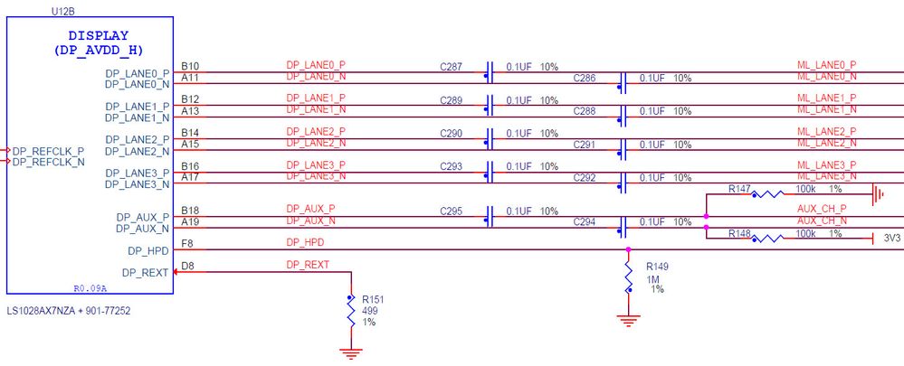
According to document AN12028 "QorIQ LS1028A Design Checklist" pins DP_AUX_P/DP_AUX_N should be decoupled with 100nf and should be pulled up/down.

Here my question: 

Where should the resistors be located, behind or before the capacitors?

Thanks in advance for your support

タグ(2)
0 件の賞賛
返信
1 返信

1,427件の閲覧回数
ufedor
NXP Employee
NXP Employee