Hello,
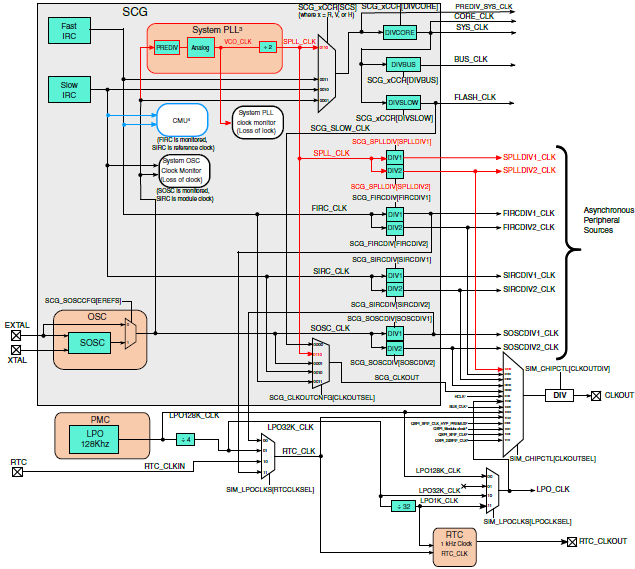
I am using the S32DS with processor Expert and used the S32K14x EAR SDK v0.8.6 Example Projects > lpi2c_master_s32k144 as a base for my project. I am trying to output the Bus_clock on the S32K144EVB-Q100 following the Clocking diagram (Figure 27-1. S32K1xx Series Reference Manual, Rev. 8)

This should be able by configuring SIM_CHIPCTL[CLKOUTSEL] as shown in the image above.
Below you can see a screenshot from the S32DS component inspector, the drop down menu CLKOUT select controls the values in SIM_CHIPCTL[CLKOUTSEL], SCG CLKOUT select controls the SCG_CLKOUTCNFG[CLKOUTSEL] register.

SCG_CLKOUTCNFG is bypassed when selecting BUS_CLK as you can see in the first image, but the dropdown does not provide an option to ignore this field, resulting in an Error when generating the code as shown below.

No problems or errors are shown when selecting CLKOUT select SIRC DIV2 and SCG CLKOUT select Slow IRC, using this configuration the clocksignal is outputted as expected. It seems the PE triggers a falsepositive on the configuration missmatch on these fields.
Just wanted to let you know. Thank you in advance for any replies.