Device tree source File

cancel
Showing results for 
Show  only  | Search instead for 
Did you mean: 

Device tree source File

656 Views
Elias_M
Contributor I

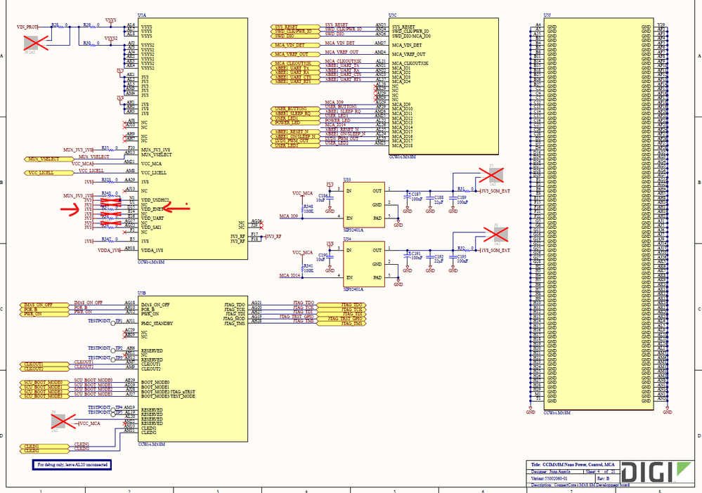
can someone tell me if the phy-supply "phy-supply = <&reg_3v3_eth0>;" proprety in the ccimx8mn-dvk.dts is the supply voltage of the Fast ethernet controller (FEC1) VDD_ENET ?

in the schematic of the devlopment Kit, there is VDD_ENET connected to 1.8v.

can somone give me an explanation for this ?

I am using an SOM connect core 8M Nano based on the IMX8MN but using the KSZ9131 a different Ethernet transceiver  than the one used in the develpment Kit the AR8031capture1.png

0 Kudos
Reply
2 Replies

628 Views
JorgeCas
NXP TechSupport
NXP TechSupport

Hello,

This is the voltage level of I/O for the PHY, does not necessarily the same as the core voltage or the voltage used by the MAC in i.MX8MN side for power management.

These voltages should match, if not I suggest you do the change it the correct voltage level.

Please check if this mismatch is just the name of the label used in manufacturer source code.

Best regards.

0 Kudos
Reply

655 Views
Elias_M
Contributor I

this is the fec1 linux dts node for the board : 

&fec1 {
pinctrl-names = "default";
pinctrl-0 = <&pinctrl_fec1_gpio>,
    <&pinctrl_fec1>;
phy-mode = "rgmii-id";
phy-handle = <&ethphy0>;
digi,mdio-lt-supply = <&reg_1v8_ext>;
phy-supply = <&reg_3v3_eth0>;
phy-reset-gpios = <&gpio5 3 GPIO_ACTIVE_LOW>;
phy-reset-duration = <1>;
digi,phy-reset-in-suspend;
fsl,magic-packet;
status = "okay";
 
mdio {
#address-cells = <1>;
#size-cells = <0>;
 
ethphy0: ethernet-phy@0 {
compatible = "ethernet-phy-ieee802.3-c22";
reg = <0>;
at803x,eee-disabled;
at803x,vddio-1p8v;
};
};
};
 
 
reg_3v3_eth0: regulator@3 {
compatible = "regulator-fixed";
reg = <3>;
pinctrl-names = "default";
pinctrl-0 = <&pinctrl_reg_3v3_eth0>;
regulator-name = "3v3_eth0";
regulator-min-microvolt = <3300000>;
regulator-max-microvolt = <3300000>;
gpio = <&gpio5 4 GPIO_ACTIVE_HIGH>;
enable-active-high;
startup-delay-us = <10000>;
vin-supply = <&reg_3v3_ext>;
};
0 Kudos
Reply