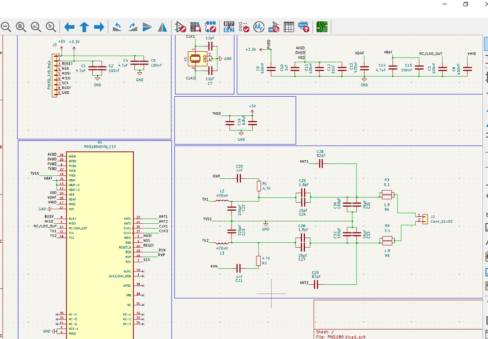
I designed a DIY PN5180 NFC module using a design tool, but it is not detecting NFC cards. in order to troubleshoot, the schematic and component values need to be checked for possible errors. Since im new to NFC design, references such as the PN5180 Datasheet, AN11740 (Antenna Design Guide for NFC) Uploading my schematic, and help identify any design mistakes and suggest improvements.
PN5180 needs a host to work properly, from your schematic, the design is not complete, so the NFC you mentioned can not detect the card. Do you have realized the communication between host and PN5180 correctly?
0
Kudos
Reply
'
var data = div.getElementsByClassName("video-js");
var script = document.createElement('script');
script.src = "https://players.brightcove.net/" + data_account + "/" + data_palyer + "_default/index.min.js";
for(var i=0;i< data.length;i++){
videodata.push(data[i]);
}
}
}
for(var i=0;i< videodata.length;i++){
document.getElementsByClassName('lia-vid-container')[i].innerHTML = videodata[i].outerHTML;
document.body.appendChild(script);
}
}
catch(e){
}
/* Re compile html */
$compile(rootElement.querySelectorAll('div.lia-message-body-content')[0])($scope);
}
if (code_l.toLowerCase() != newBody.getAttribute("slang").toLowerCase()) {
/* Adding Translation flag */
var tr_obj = $filter('filter')($scope.sourceLangList, function (obj_l) {
return obj_l.code.toLowerCase() === newBody.getAttribute("slang").toLowerCase()
});
if (tr_obj.length > 0) {
tr_text = "This content was translated from lilicon-trans-text using AI-assisted tools.".replace(/lilicon-trans-text/g, tr_obj[0].title);
tr_text +='View original';
try {
if ($scope.wootMessages[$rootScope.profLang] != undefined) {
tr_text = $scope.wootMessages[$rootScope.profLang].replace(/lilicon-trans-text/g, tr_obj[0].title);
tr_text +='View original';
}
} catch (e) {
}
} else {
//tr_text = "This message was translated for your convenience!";
tr_text = "lilicon-trans.your.convenience";
}
try {
if (!document.getElementById("tr-msz-" + value)) {
var tr_para = document.createElement("P");
tr_para.setAttribute("id", "tr-msz-" + value);
tr_para.setAttribute("class", "tr-msz");
tr_para.style.textAlign = 'justify';
var tr_fTag = document.createElement("IMG");
tr_fTag.setAttribute("class", "tFlag");
tr_fTag.setAttribute("alt", "Translate icon");
// tr_fTag.setAttribute("title", "Disclaimer for Translate icon");
tr_fTag.setAttribute("src", "/html/assets/translate-icon.svg");
tr_para.appendChild(tr_fTag);
var container = document.createElement('span');
container.innerHTML = tr_text;
//var tr_textNode = document.createTextNode(container);
tr_para.appendChild(container);
/* Woot message only for multi source */
if(rootElement.querySelector(".lia-message-body-content").previousElementSibling != null && rootElement.querySelector(".lia-message-body-content").previousElementSibling.getAttributeNames().includes("data-generation-timestamp")){
rootElement.querySelector(".lia-message-body-content").previousElementSibling.remove()
}
if(rootElement.querySelector(".lia-quilt-forum-message")){
rootElement.querySelector(".lia-quilt-forum-message .lia-message-body").insertBefore(tr_para,rootElement.querySelector(".lia-message-body-content"));
} else if(rootElement.querySelector(".lia-message-view-blog-topic-message")) {
rootElement.querySelector(".lia-message-view-blog-topic-message .lia-message-body").insertBefore(tr_para,rootElement.querySelector(".lia-message-body-content"));
} else if(rootElement.querySelector(".lia-quilt-blog-reply-message")){
rootElement.querySelector(".lia-quilt-blog-reply-message .lia-message-body").insertBefore(tr_para,rootElement.querySelector(".lia-message-body-content"));
} else if(rootElement.querySelector(".lia-quilt-tkb-message")){
rootElement.querySelectorAll(".lia-quilt-tkb-message .lia-message-body")[0].insertBefore(tr_para,rootElement.querySelector(".lia-message-body-content"));
} else if(rootElement.querySelector(".lia-quilt-tkb-reply-message")){
rootElement.querySelectorAll(".lia-quilt-tkb-reply-message .lia-message-body")[0].insertBefore(tr_para,rootElement.querySelector(".lia-message-body-content"));
} else if(rootElement.querySelector(".lia-quilt-idea-message")){
rootElement.querySelector(".lia-quilt-idea-message .lia-message-body").insertBefore(tr_para,rootElement.querySelector(".lia-message-body-content"));
} else if(rootElement.querySelector(".lia-quilt-idea-reply-message")){
rootElement.querySelector(".lia-quilt-idea-reply-message .lia-message-body").insertBefore(tr_para,rootElement.querySelector(".lia-message-body-content"));
} else if(rootElement.querySelector('.lia-quilt-occasion-message')){
rootElement.querySelector('.lia-quilt-occasion-message .lia-message-body').insertBefore(tr_para,rootElement.querySelector(".lia-message-body-content"));
}
else {
if (rootElement.querySelectorAll('div.lia-quilt-row-footer').length > 0) {
rootElement.querySelectorAll('div.lia-quilt-row-footer')[0].appendChild(tr_para);
} else {
rootElement.querySelectorAll('div.lia-quilt-column-message-footer')[0].appendChild(tr_para);
}
}
}
} catch (e) {
}
}
} else {
/* Do not display button for same language */
// syncList.remove(value);
var index = $scope.syncList.indexOf(value);
if (index > -1) {
$scope.syncList.splice(index, 1);
}
}
}
}
}
}
/*if(mszList_l.length <= 0){
setTimeout(()=>{
var mszListl = [];
angular.forEach(document.querySelectorAll("[class*='lia-js-data-messageUid']"), function(element) {
var mszId = element.getAttribute("data-lia-message-uid");
if (mszId != null) {
mszListl.push(mszId);
}
});
var mszListid = mszListl;
console.log("mszListl:",mszListl);
},2000)
}else{
var mszListid = mszList_l;
}*/
console.log("mszList_l:",mszList_l.length);
angular.forEach(mszList_l, function (value) {
if (document.querySelectorAll('div.lia-js-data-messageUid-' + value).length > 0) {
var rootElements = document.querySelectorAll('div.lia-js-data-messageUid-' + value);
}else if(document.querySelectorAll('.lia-occasion-message-view .lia-component-occasion-message-view').length >0){
var rootElements = document.querySelectorAll('.lia-occasion-message-view .lia-component-occasion-message-view')[0].querySelectorAll('.lia-occasion-description')[0];
}else {
var rootElements = document.querySelectorAll('div.message-uid-' + value);
}
angular.forEach(rootElements, function (rootElement) {
if (value == '2049467' && "ForumTopicPage" == "TkbArticlePage") {
rootElement = document.querySelector('.lia-thread-topic');
}
/* V1.1 Remove from UI */
if (document.getElementById("tr-msz-" + value)) {
document.getElementById("tr-msz-" + value).remove();
}
if (document.getElementById("tr-sync-" + value)) {
document.getElementById("tr-sync-" + value).remove();
}
/* XPath expression for subject and Body */
var lingoRBExp = "//lingo-body[@id = "+"'lingo-body-"+value+"'"+"]";
lingoRSExp = "//lingo-sub[@id = "+"'lingo-sub-"+value+"'"+"]";
/* Get translated subject of the message */
lingoRSXML = doc.evaluate(lingoRSExp, doc, null, XPathResult.UNORDERED_NODE_SNAPSHOT_TYPE, null);
for(var i=0;i 0){
angular.forEach(document.querySelectorAll(".PageTitle"), function(subEle) {
subEle.textContent = sub_L;
});
}
}
}
// Label translation
try{
var labelEle = document.querySelector("#labelsForMessage");
if(!labelEle){
labelEle = document.querySelector(".LabelsList");
}
if(labelEle) {
var listContains = labelEle.querySelector('.label');
if (listContains) {
/* Commenting this code as bussiness want to point search with source language label */
// var tagHLink = labelEle.querySelectorAll(".label")[0].querySelector(".label-link").href.split("label-name")[0];
var lingoLabelExp = "//lingo-label/text()";
trLabels = [];
trLabelsHtml = "";
/* Get translated labels of the message */
lingoLXML = doc.evaluate(lingoLabelExp, doc, null, XPathResult.UNORDERED_NODE_SNAPSHOT_TYPE, null);
var labelsLength = document.querySelector(".LabelsList").querySelectorAll(".label").length;
var labelSnapshotLength = lingoLXML.snapshotLength;
if (labelsLength == labelSnapshotLength){
for (var k = 0; k < lingoLXML.snapshotLength; k++) {
//trLabels.push(lingoLXML.snapshotItem(i).textContent);
if (k != 0) {
//trLabelsHtml = trLabelsHtml + '