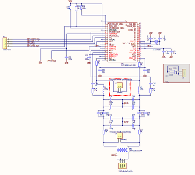
Hello.
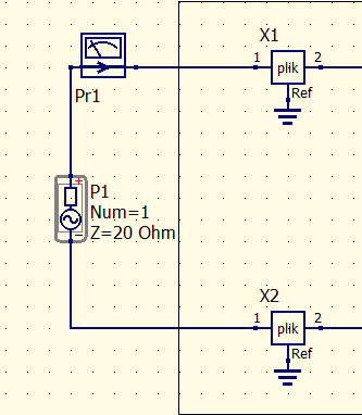
I have a small issue with matching the antenna to the PN7160 circuit. Everything seems fine, but not completely. The system operates in a single-ended configuration with the DXW21BN2511N# balun, in the setup as shown below.

X1 and X2 are inductors LQW18CNR16J00D (S1P models). X3 is the S1P measured using a VNA together with the balun. The simulation shows correct component selection:

The measurement in the actual circuit is very similar:

However, the SWR measurement indicates that the circuit is not well compensated.

The simulation shows the same as well:

The system works and reads NFC cards, but sometimes it freezes, generating a continuous 13.56 MHz signal, which leads to overheating. Where could the problem lie?
Krzysztof