MFRC630 question

cancel
Showing results for 
Show  only  | Search instead for 
Did you mean: 

MFRC630 question

1,214 Views
strive
Contributor I

Dear Expert:

About MFRC630, I have the questions below,please help,thanks.

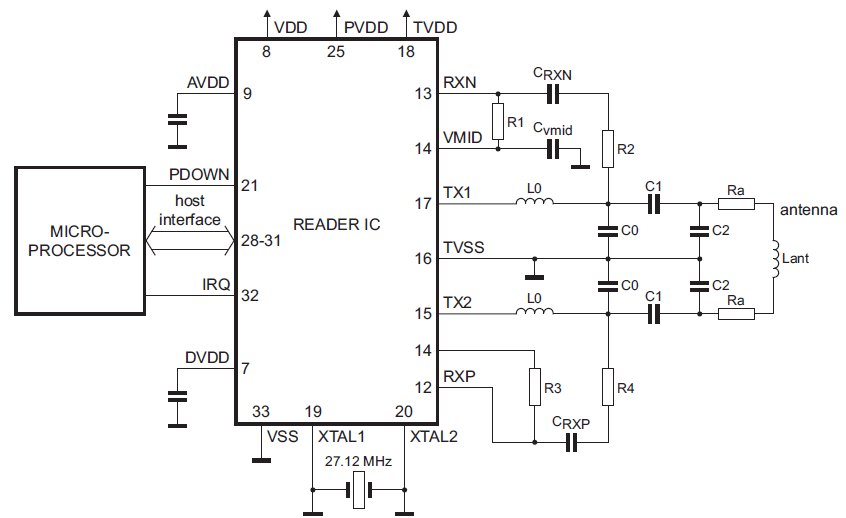
1.this picture is from the MFRC630 reference manual,Can Crxn and R2 change position? 

 pastedImage_1.png

2.MFRC630 is powered by   3.3V.
Is 3.3V of the radio frequency OK, or must use the 5V radio frequency?

3.About the matched res choose,is there any suggestions?

thanks for your support.

0 Kudos
Reply
1 Reply

1,071 Views
weidong_sun
NXP TechSupport
NXP TechSupport

Hi,

>>1.this picture is from the MFRC630 reference manual,Can Crxn and R2 change position? 

this is a series circuit, so 2 parts can be changed on positions, but the picture is recommended circuit, suggest you don't change them.

>>Is 3.3V of the radio frequency OK, or must use the 5V radio frequency?

Voltage of TVDD is 3.3V ~ 5V, but if you used 5V, you will get higher field, mean signals quality will be better.

>>3.About the matched res choose,is there any suggestions?

Please refer to schematic of  CLRC663 Evaluation board!

Have a nice day!

Best regards,

weidong sun

0 Kudos
Reply