Hi,
I have a devkit-MPC5744p.I would like to receive data with more than one CAN ID.But it didn't succeed.
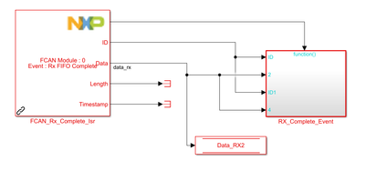
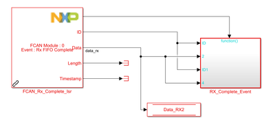
I edit the example of CAN communication blocks.After the program download is completed, only one ID data can always be received and I can't find the problem in the configuration.Can anyone help?
I upload the pictures,if you are free, please check it.
Regards,
Zhang


