Hello stefan130293,
If you select for instance PTD11 as PhaseA input pin for quadrature decoder block (from our toolbox)

you can use whichever you see fit (between J5.1 and J1.8). So as far as software goes, when you've selected PTD11, it does not matter from where you access it from.
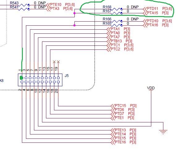
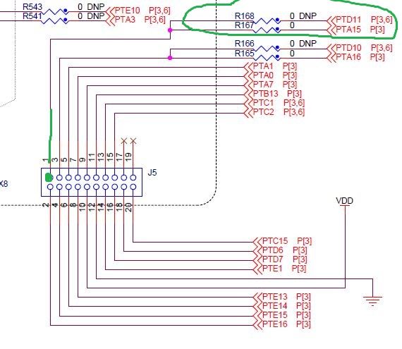
However, if we take a look at the schematics of S32K144 EVB, we can see that if you want to use J5.1 you'll have to make a little change to the hardware - by default, this EVB comes with R167 populated, so J5.1 is now connected to PTA15. As you can notice below, PTD11 comes without R168 populated. If you want to use PTD11 from J5.1, you'll have to take out the 0-ohm link from R167 and put it on R168.

On the other hand, on J1.8 you can use it as-is, without changing anything hardware-wise.

Hope this helps,
Razvan.