Hi liwuquan,
The picture you have shown here, proves that the hall sensor logic circuit is not power on correctly.

It seems that the logic circuit that translate the analogue hall inputs into TTL signal does not have enough power for conversion - there might be a current drop.
The TTL hall signals should be between 0-5V. If the signals is below 2V it is considered 0 logic and if above that level it is 1 logic.
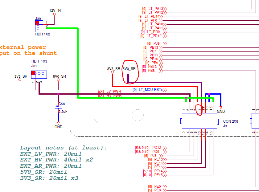
Most likely this is due to the jumpers configuration on the MPC5744P Development board.
Please try the following Jumper setup - basically power on the boards from a 12V power supply - not from the USB.


Last but not least make sure you power up the MotorGD with 12-18Vdc via J7

Regarding your other questions:
FreeMaster not able to read the hall signal means that the embedded software will not be able to read the signal?
That's correct. Since your signal is less than 1V, then the variable will be always assigned as 0. The Freemaster reads the variable but it always shows 0. You could put a 5Vdc voltage on that pin (you can take it from J3.9 header), just to confirm that you could read the hall variable as 0 or 1 depending o the voltage level.

if it is correct, that indicating the motor will not spin probably using these hall signals?
Correct, it will not spin since all hall will be read as 0. The 0-0-0 and 1-1-1 combinations meas the inverter is OFF - no voltage applied to the motor windings.
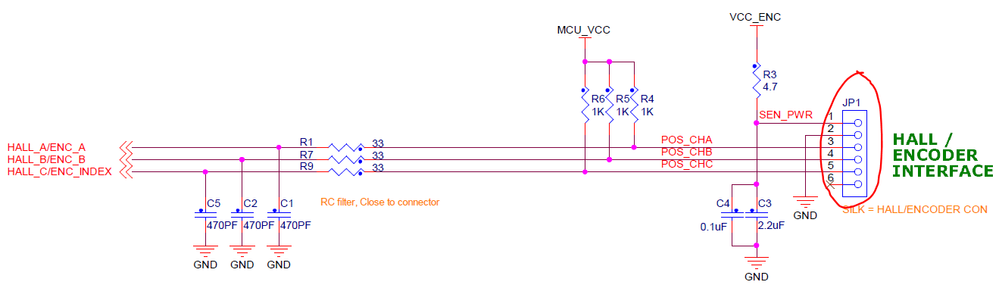
I wired hall signals to J5-PIN1, 3, 5 of the DEVKIT-MOTORGD.
You should use the JP1 header. The JP1.1 is the 5Vdc power supply to the external analogue circuit that reads the hall transitions, the JP1.2 is the ground while the other 3 pins are used as input reads.

Please let us know if this works!
Best regards,
Daniel