can i read and write data to mass storage flash drive by lpc1768 itself alone?

キャンセル
次の結果を表示 
表示  限定  | 次の代わりに検索 
もしかして: 

can i read and write data to mass storage flash drive by lpc1768 itself alone?

ソリューションへジャンプ
5,768件の閲覧回数
navidansari
Contributor III

hi

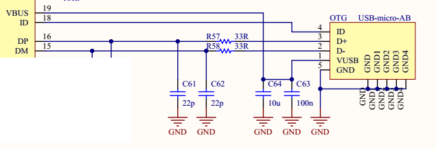
if I connect an usb female connector to pin DP and DM and ID and VBUS, will I be able to read and write into flash memory(usb mass storage drive)?

this below circuit will work alone to read and write to usb flash storage drive?

is it enough?

Untitled.png

ラベル(1)
1 解決策
5,162件の閲覧回数
kerryzhou
NXP TechSupport
NXP TechSupport

Hello navid ansari,

   1. USB device hardware, you can use the USB interface on a bus-powered device is enough.

  pastedImage_1.png

2. About MSD

   You need to download the USB MSD code to the LPC1769 at first, then you can use the MSD function

  Give you a MSD code for your reference. USBMem is the MSD code.

Wish it helps you!


Have a great day,
Kerry

-----------------------------------------------------------------------------------------------------------------------
Note: If this post answers your question, please click the Correct Answer button. Thank you!
-----------------------------------------------------------------------------------------------------------------------

元の投稿で解決策を見る

6 返答(返信)
5,162件の閲覧回数
kerryzhou
NXP TechSupport
NXP TechSupport

Hi navid ansari,

   

1.if I connect an usb female connector to pin DP and DM and ID and VBUS, will I be able to read and write into flash memory(usb mass storage drive)?

  From the user manual of LPC1768, you can find this chip ISP don't have USB function, so you can't use the USB to read and write the flash memory directly.

  You need to write the USB MSD code to realize the flash read and write function.

  About the code, you can refer to the LPC1768 official code.

2.this below circuit will work alone to read and write to usb flash storage drive?

   This is just the USB hardware interface, the MSD function you need to download the code to the chip.


Have a great day,
Kerry

-----------------------------------------------------------------------------------------------------------------------
Note: If this post answers your question, please click the Correct Answer button. Thank you!
-----------------------------------------------------------------------------------------------------------------------

0 件の賞賛
返信
5,162件の閲覧回数
navidansari
Contributor III

should i use this Fig30?

1.png

or this Fig29?

1.png

for reading and writing to USB MASS STORAGE DEVICE?

I'm asking about hardware design of it

i think my q is so clear and either this or that for reading and writing to MSD(Mass Storage Device) 

please someone help me

0 件の賞賛
返信
5,163件の閲覧回数
kerryzhou
NXP TechSupport
NXP TechSupport

Hello navid ansari,

   1. USB device hardware, you can use the USB interface on a bus-powered device is enough.

  pastedImage_1.png

2. About MSD

   You need to download the USB MSD code to the LPC1769 at first, then you can use the MSD function

  Give you a MSD code for your reference. USBMem is the MSD code.

Wish it helps you!


Have a great day,
Kerry

-----------------------------------------------------------------------------------------------------------------------
Note: If this post answers your question, please click the Correct Answer button. Thank you!
-----------------------------------------------------------------------------------------------------------------------

5,162件の閲覧回数
navidansari
Contributor III

u say add USB MSD code to LPC1768. I didn't get it what u mean

please help . where is this USB MSD code that u say i should download to lpc1768?

how to download  it to lpc1768?with keil?should i change memory aria in keil?

and how to add USBmem to any keil project?should i add whole library in that folder to project?

where should i read this stuff to work with usb mass storage?

thanks allot

0 件の賞賛
返信
5,162件の閲覧回数
navidansari
Contributor III

thanks allot

0 件の賞賛
返信
5,162件の閲覧回数
navidansari
Contributor III

I didn't get it . so schematic is not enough to read and write to MSD?

or i should have this schematic and download code for MSD to LPC1768 to be able to write and read to MSD?

if not,  what should I add to the schematic?

0 件の賞賛
返信