Unused LX pin on LPC5536

cancel
Showing results for 
Show  only  | Search instead for 
Did you mean: 

Unused LX pin on LPC5536

Jump to solution
1,099 Views
HPT_Dave
Contributor II

If I'm not using the DCDC converter power stage output pin do I leave it unconnected? Table 4 of 6.2.1 Termination of unused pins does not specify.

 

Thanks for the help,

Dave

Labels (1)
0 Kudos
Reply
1 Solution
1,073 Views
Alice_Yang
NXP TechSupport
NXP TechSupport

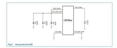
Hello @HPT_Dave 

 

If do not use DC-DC converter, make it as floating, using internal LDO hardware design as below:

Alice_Yang_0-1687230831688.png

 

BR

Alice

 

 

View solution in original post

0 Kudos
Reply
1 Reply
1,074 Views
Alice_Yang
NXP TechSupport
NXP TechSupport

Hello @HPT_Dave 

 

If do not use DC-DC converter, make it as floating, using internal LDO hardware design as below:

Alice_Yang_0-1687230831688.png

 

BR

Alice

 

 

0 Kudos
Reply