USB mass storage device for arm lpc2388

cancel
Showing results for 
Show  only  | Search instead for 
Did you mean: 

USB mass storage device for arm lpc2388

7,190 Views
mohammadfaizan
Contributor III

I am trying to get the sd card which is connected to the SPI Port of my controller to be read as a mass storage device.  But before that I just try by using a USBMem code example from keil (original code for RAM). When I connect a usb cable to my pc, it shows usb device is not recognize but in usb controllers it shows unknown device. Can anyone please suggest what I am missing.  

warm regards

Labels (4)
0 Kudos
Reply
11 Replies

6,765 Views
mohammadfaizan
Contributor III

Hi Alexis,

It took me a long enough to detect the olimex board as a mass storage device. I had used the code keil USBMem(RAM). As my intention was to use the sdcard which is connected to the spi port will be read as a mass storage device. Can you please suggest what changes should I make in  USBMem code to get the sdcard as msd. It will be more helpful if I get some reference code. 

Please help 

0 Kudos
Reply

6,765 Views
Alexis_A
NXP TechSupport
NXP TechSupport

Dear Mohammad,

As I told you before, this MCU is not recommended anymore and the support is limited. I will strongly recommend you to change to other MCU. 

However, if you want to develop using LPC2300 you can take a look to the Sample Code Bundle for LPC23xx/24xx and from the link below:

https://www.nxp.com/products/processors-and-microcontrollers/arm-based-processors-and-mcus/lpc-corte...

 

Best Regards,

Alexis Andalon

0 Kudos
Reply

6,765 Views
mohammadfaizan
Contributor III

I appreciate your suggestion, but it is a existing project which was

developed a years ago, and I had asked to add the usb msd in that existing

project. Otherwise I would love to use the cortex- m3 and other higher

version.

And USBMem (RAM) code is working on my board. I need to know that how to

read the sdcard (SPI) as a msd instead of RAM.

Please help.

0 Kudos
Reply

6,765 Views
Alexis_A
NXP TechSupport
NXP TechSupport

Hi Mohammad,

Sorry for the inconveniences this may cause you but the information I already provided It's everything we have available. I would recommend you to migrate your project to a newer version as this part is not recommended for new designs.

Best Regards,

Alexis Andalon

0 Kudos
Reply

6,765 Views
mohammadfaizan
Contributor III

Hi, 

I forget to tell about the hardware configuration of the board, my USB device is USB _D-2  and USB_D+2 which is pin37 and pin pin36. I can select the USB_D+2 P0(31). How do I select the pin 37 USB_D-2.

Please help

0 Kudos
Reply

6,765 Views
Alexis_A
NXP TechSupport
NXP TechSupport

Dear Mohammad,

Please check the abstract that came with the LPC2368_USBMEM:

/---------------------------------------------------------------------/
- P2.0: LED_RD is on when USB Device is performing Read access
- P2.1: LED_WR is on when USB Device is performing Write access
- P2.4: LED_CFG is on when USB Device is configured
- P2.5: LED_SUSP is on when USB Device is suspended

The USB Memory is automatically recognized by the host PC running Windows which will load a generic Mass Storage driver.

The Memory program is available for the following targets: MCB2300 Board: configured for on-chip Flash ROM

Note: set jumper J5 to 1[2 3] (jumper towards JTAG connector) for USB soft connect

/---------------------------------------------------------------------/

As it says, if you had a driver that recognize USB mass storage, it should appear as this device automatically.

However, the LPC2388 is no longer recommended for new designs. So I wil suggest to check the LPC54xxx family.

Best Regards,

Alexis Andalon

6,765 Views
mohammadfaizan
Contributor III

Thanks Alexis,

But I have a different custom board designed for  this project. I have to configure U2,

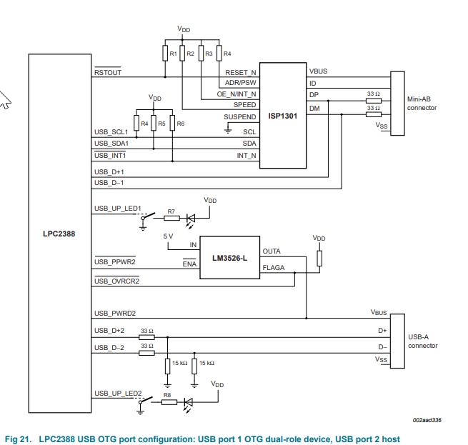
In which P3.24 is VBUS, P0.31 is D+2, Pin 37 is D-2, P1.30 is USB_PWRD2, P1.31 is USB_OVRCR2.

In datasheet what does it means USB Port Select register (USBPortSel - 0xFFE0 C110 – LPC2378 only) 

void USB_Init (void)

{
  PINSEL1 |= 0X40000000;//USB_D+2
  PINSEL1 = (PINSEL1 & ~(1<<30))|(2<<30);

 

Don't know how to configure USB_D-2 Pin


  PINSEL7 |= 0X00; // VBUS
  PCONP |= (1<<31);

  USBPortSel = 0X3; // the U2 port:USB_CONNECT2, USB_UP_LED2,  USB_D+2, USB_D-2.
  USBClkCtrl = 0x12; /* Dev clock, AHB clock enable */
  while ((USBClkSt & 0x12) != 0x12)

 VICVectAddr22 = (unsigned long)USB_ISR; /* USB Interrupt -> Vector 22 */
  VICVectCntl22 = 0x01; /* USB Interrupt -> Priority 1 */
  VICIntEnable = 1 << 22; /* Enable USB Interrupt */


  USB_Reset();
  USB_SetAddress(0);
}

can you please suggest, what I am missing.

0 Kudos
Reply

6,765 Views
Alexis_A
NXP TechSupport
NXP TechSupport

Dear Mohammad,

The pin P3.24 can't be used as VBUS. This is the description of the pin P3.24

pastedImage_4.png

If you want to use VBUS you should connect it to the to P1.30

pastedImage_5.png

Or used it like the next schematic:

pastedImage_6.png

Best Regards,

Alexis Andalon

0 Kudos
Reply

6,765 Views
mohammadfaizan
Contributor III

Thanks Alexis,

Yes I had configured the P1.30 as a VBUS,

And I also try to run the existing code USBMem on Olimex board (LPC2478),

which has a USB device U1. But still I am facing the problem. Is their some

other things that I should need to change in the code.

Please help

warm regards

0 Kudos
Reply

6,765 Views
Alexis_A
NXP TechSupport
NXP TechSupport

Dear Mohammad,

Trying this, I think this is more a pc problem that from the MCU.

Unfortunately, the LPC2387 is now a legacy device, there is not available a specific driver for this device including signature.

In the Olimex webpage there's some software that maybe could be useful.

https://www.olimex.com/Products/ARM/NXP/LPC2478-STK/

Best Regards,
Alexis Andalon

6,765 Views
mohammadfaizan
Contributor III

Thanks,

Can you please tell me how to read the sdcard as a msd instead of RAM. 

0 Kudos
Reply