Hi
Thanks for your reply.
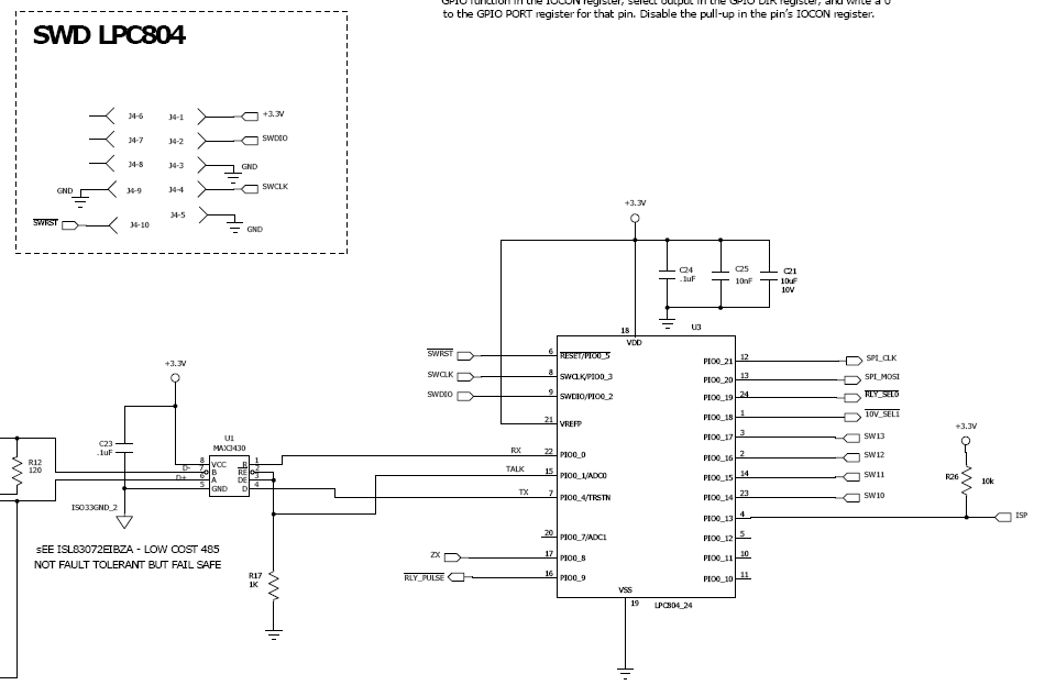
Fig1 presents the standard diagram of the Cortex Debug interface, it not only supports the SWD interface but also can support the JTAG interface.

In your design, the pin assignment of the SWD interface is in contrast with the routine Cortex Debug interface.
Have a great day,
TIC
-------------------------------------------------------------------------------
Note:
- If this post answers your question, please click the "Mark Correct" button. Thank you!
- We are following threads for 7 weeks after the last post, later replies are ignored
Please open a new thread and refer to the closed one, if you have a related question at a later point in time.
-------------------------------------------------------------------------------