Hi Giovanni Grondona,
I would suggest the easier way to know the M,N,P value is using PLL setting tool. In the MCUXpresso if click in this icon you can access to the MCUXpresso Clock config.

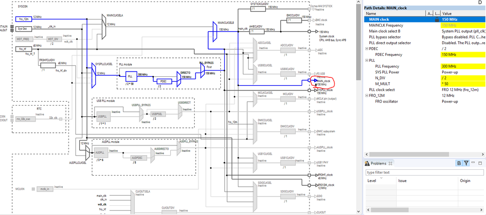
In the next image you can see the diferent modesof the MCU can run, two of them are from the PLL, one at 180 MHz and the other at 220MHz.

In case you need other frecuency, you can modify the values in the diagram for the ones you need.

Just make sure you unlock all the registers along the path by double clicking in the locked registers as shown.
Hope it helps.
Have a great day,
Alexis Andalon