LPC1778 ethernet MAC reset Issue

cancel
Showing results for 
Show  only  | Search instead for 
Did you mean: 

LPC1778 ethernet MAC reset Issue

8,193 Views
ashishg
Contributor II

Hello LPC,

I am trying to imitate RESET in Ethernet MAC but it is hanging in some condition.

................start Ethernet reset......................................................................

Chip_Clock_EnablePeriphClock(SYSCTL_CLOCK_ENET); ENABLE CLOCK PERIPHERAL  WORKS FINE PCONP 

for (i = 0; i < 10000; i++) {}
GpioSet(ENET_RST_EN_OUTPUT); RESET PHY ETHERNET WORKS FINE
for (i = 0; i < 10000; i++) {}
GpioClear(ENET_RST_EN_OUTPUT); RESET PHY ETHERNET WORKS FINE
for (i = 0; i < 10000; i++) {}

GpioSet(ENET_CLK_EN_OUTPUT); ENABLE CLOCK FOR PHY ETHERNETWORKS FINE
for (i = 0; i < 1000; i++) {}

 LPC_EMAC->MAC.MAC1 = ENET_MAC1_RESETTX | ENET_MAC1_RESETMCSTX | ENET_MAC1_RESETRX |  ENET_MAC1_RESETMCSRX | ENET_MAC1_SIMRESET | ENET_MAC1_SOFTRESET; WORKS FINE

LPC_EMAC->CONTROL.COMMAND |= ENET_COMMAND_REGRESET; WORKS FINE

LPC_EMAC->MAC.MAC1 |= ENET_MAC1_PARF;           HANGS HERE ??????

I Have checked the ENET_REF_CLK on scope, The value it is showing as 50 MHZ as i am using RMII.

I guess it is correct. 

pastedImage_1.png

Regards,

Ashish

0 Kudos
Reply
16 Replies

7,794 Views
jeremyzhou
NXP Employee
NXP Employee

Hi ASHISH G ,

Thank you for your interest in NXP Semiconductor products and 
the opportunity to serve you.

To provide the fastest possible support, I'd highly recommend you to refer to the EMAC demo for detail.

Have a great day,
TIC
 
-----------------------------------------------------------------------------------------------------------------------
Note: If this post answers your question, please click the Correct Answer button. Thank you!
-----------------------------------------------------------------------------------------------------------------------

 

0 Kudos
Reply

7,794 Views
ashishg
Contributor II

Hello Jeremy,

Thanks for the reply.

I tried to load you project to my board via IAR Jlink SWD & use debugger to check, But same issue i am facing.

I ahve changed to IAR to LPC1778 controller.

LPC_EMAC->Command = EMAC_CR_REG_RES | EMAC_CR_TX_RES | EMAC_CR_RX_RES | EMAC_CR_PASS_RUNT_FRM;

/* A short delay after reset. */
for (tout = 100; tout; tout--);

/* Initialize MAC control registers. */
LPC_EMAC->MAC1 = EMAC_MAC1_PASS_ALL;   HANGS HERE ??????

Screenshot :

pastedImage_1.png

0 Kudos
Reply

7,794 Views
jeremyzhou
NXP Employee
NXP Employee

Hi ASHISH G ,

Thanks for your reply.

In order to dig deeper, I was wondering if you can share the SCH of the board and tell me the external PHY chip your use.

TIC
 
-----------------------------------------------------------------------------------------------------------------------
Note: If this post answers your question, please click the Correct Answer button. Thank you!
-----------------------------------------------------------------------------------------------------------------------

0 Kudos
Reply

7,794 Views
ashishg
Contributor II

Hello Jeremy,

I am interfacing LPC1778FBD208 with MICREL PHY KSZ8041TL over RMII only.

I also tried to run "lpcopen_2_10_keil_iar_ea_devkit_1788.zip" examples over IAR & JLINK setup to my board.

Only Ethernet example is not running (same issue) but other examples (I2C, SPI, DMA,UART) all are running .

Note : Also As soon as look into ETHERNET REGISTERS in WATCH WINDOW during J-LINK Debug mode, it also hangs as well.

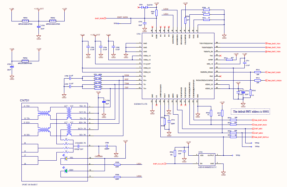
Here is the schematic :

pastedImage_1.png

pastedImage_2.png

0 Kudos
Reply

7,793 Views
jeremyzhou
NXP Employee
NXP Employee

Hi ASHISH G,

Thanks for your reply.

According to the description of this issue, the weird phenomena has already happened before initializing external PHY chip which is KSZ8041TL in your design, in another word, the Ethernet module which is used to handle the MAC level fails to complete the initialization process.

It's seems like a tricky problem, so I'd like to know whether this phenomena also occur in other prototypes.

Another requirement, the screenshot is not clear, whether you share a PDF of sch.

TIC
 
-----------------------------------------------------------------------------------------------------------------------
Note: If this post answers your question, please click the Correct Answer button. Thank you!
0 Kudos
Reply

7,793 Views
ashishg
Contributor II

Hello Jeremy,

I have checked in 2 prototype boards, same issue is coming. The default configuration is 100 base T for PHY

Here is the more clear screenshot

1.jpg

0 Kudos
Reply

7,793 Views
jeremyzhou
NXP Employee
NXP Employee

Hi 

Thanks for reply.

Two suggestion:

1. Confirm with the Microship for checking circuit design.

2. The reset state of pins of LPC1778 is high, as internal pull-up resistor enabled. In your design, the ISO pin is used to enable ISOLATE mode, so I suspect that the ISO pin is pull-up during power-up, please checking it.

TIC
 
-----------------------------------------------------------------------------------------------------------------------
Note: If this post answers your question, please click the Correct Answer button. Thank you!

 

7,793 Views
ashishg
Contributor II

Hello Jeremy,

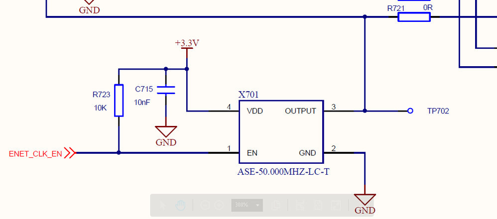
As looking at the REF_CLK 50MHZ the Pk-to Pk is 367 mV & Max is 278 mV.

Can you please check if this is the correct clock or i have to change something in schematic. My doubt is going to the Ref_clk issue.

pastedImage_1.png

Regards,

Ashish Gupta

0 Kudos
Reply

7,793 Views
jeremyzhou
NXP Employee
NXP Employee

Hi ASHISH G,

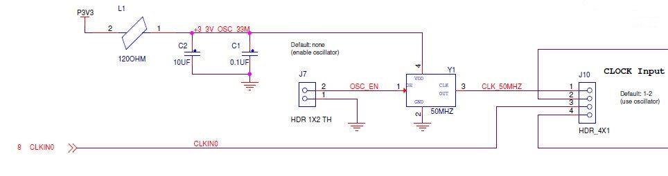
Thanks for your reply.

To compare with this 50 MHz clock, I've attached the Fig 1 that illustrates the output of 50 MHz oscillator in Eva board, you can see the it is standard sine wave and Pk-to Pk is 800 mV, Max is 2.09 V and Min is 1.27 V, obviously, the

clock are different with yours.

So I think it maybe the cause of issue.

WeChat Image_20180406165553.jpg

TIC
 
-----------------------------------------------------------------------------------------------------------------------
Note: If this post answers your question, please click the Correct Answer button. Thank you!

7,793 Views
ashishg
Contributor II

Hello Jeremy,

I tried to make ENET_CLK_EN pin as AD_DIGITAL, these is little ok in Clock BUT the still the  Pk-to Pk is 330 mV, Max is 254mV. But issue is NOT resolved.

Are you referring to schematic of MCB1700 here for your ref clock ?

Can you suggest the part number of 50MHz crystal you are using OR Can you please suggest the reference crystal schematic for RMII for 50MHz that you have taken your 50MHz design. 

pastedImage_2.png

Regards,

Ashish Gupta

0 Kudos
Reply

7,794 Views
jeremyzhou
NXP Employee
NXP Employee

Hi ASHISH G

Thanks for your reply.

The sch of external oscillator 50 MHz is from TWR-k60F120M board, and the 50 MHz oscillator is SG-210SFT 50.0000ML, EPSON, you can get the its datasheet via the following link.

https://support.epson.biz/td/api/doc_check.php?dl=brief_SG-210STF_en.pdf .

2018-04-09_14-00-41.jpg

Another thing, I just received the survey of 00156754 which was created by yourself

As we have already used the community to communicate, I don's response to the case simultaneously.
However  the case will be closed in 7 days if theres's no email reply.

I understand you maybe not happy with the case to be closed, while the your issue still bother you.

So I hope you can do a survey again after this issue is solved, it's important to us and thank you in advance.

TIC
 
-----------------------------------------------------------------------------------------------------------------------
Note: If this post answers your question, please click the Correct Answer button. Thank you!
0 Kudos
Reply

7,794 Views
ashishg
Contributor II

Hello Jeremy,

I really sorry for that.

I was thinking the ticket was not related to your support forums, so did that. Your support is very helpful for me as now i am very close to issue.

Most probably it the crystal that is creating the problem. I am connecting an MCB1800 eval board crystal output pin to my prototype & check. Surely will do a good survey as issue is very close to resolved :smileyhappy:

Regards,

Ashish

0 Kudos
Reply

7,794 Views
jeremyzhou
NXP Employee
NXP Employee

HiASHISH G

What is going on? Is the issue solved ?

BR, 

TIC
 
-----------------------------------------------------------------------------------------------------------------------
Note: If this post answers your question, please click the Correct Answer button. Thank you!

7,794 Views
ashishg
Contributor II

Hello Jeremy,

The issue was with the crystal & the PCB routing connections for 50MHz crystal.

Thanks for debugging & helping me this issue. It was a great help.

Regards,

Ashish Gupta

0 Kudos
Reply

7,794 Views
jeremyzhou
NXP Employee
NXP Employee

Hi ASHISH G,

I'm glad to hear that you had figured the root cause of this issue.

So I was wondering if you can redo a survey of the case: 00156754.

It's important to us and thank you in advance.

TIC
 
-----------------------------------------------------------------------------------------------------------------------
Note: If this post answers your question, please click the Correct Answer button. Thank you!

7,794 Views
jeremyzhou
NXP Employee
NXP Employee

Hi ASHISH G

Thanks.

If you have any further questions, please feel free to contact with me.

BR, 

TIC
 
-----------------------------------------------------------------------------------------------------------------------
Note: If this post answers your question, please click the Correct Answer button. Thank you!
0 Kudos
Reply