Hi,
Can you tell us the function of USB of LPC1769? in other words, does the function of USB as a host or device?
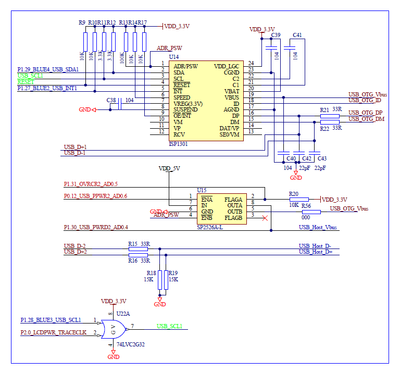
From your description, it appears that USB function as a host, in the case, the USB_VBUS provides power for the external USB device, in the case, pls refer to the following circuit.

I copy it from the schematics of LPC546xx, for the LPC546xx and in host mode of USB, the USB0_PORTPWRn is an output signal, the USB0_OVRCURn is an input signal for lpc546xx.
If you use the USB as a device,pls update the case, I am sorry.
Hope it can help you
BR
XiangJun Rong