LPC11E68 Manufacturing issue

cancel
Showing results for 
Show  only  | Search instead for 
Did you mean: 

LPC11E68 Manufacturing issue

1,983 Views
karthikhosavara
Contributor II

Hi, we have developed a product using LPC11E68, we used 5 pins for developing the software (SWDIO, SWCLK, Vcc, GND, reset). I always used the debug option to load the software. which stand alone programmer or loader should I use for loading .afx file in manufacturing? why is the hex format generated is giving me an error at 4097 line when I try to load it to stand alone programmer.

0 Kudos
Reply
3 Replies

1,840 Views
karthikhosavara
Contributor II

Thank you. Could you please share the hardware connection between the board with(SWDIO, SWDCLK, Reset) to Computers RS232/USB

0 Kudos
Reply

1,840 Views
soledad
NXP Employee
NXP Employee

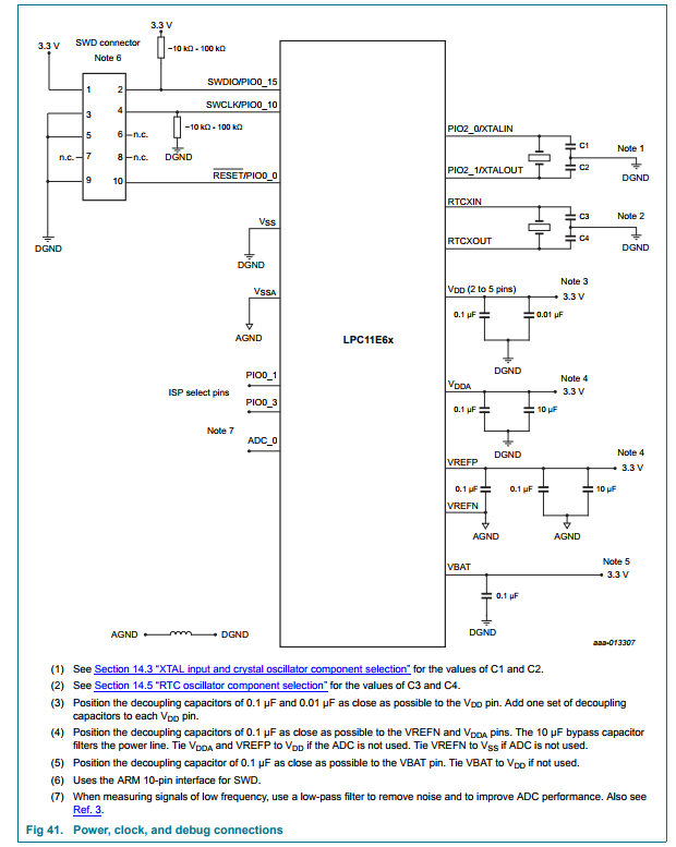
You can find this information in the datasheet fig.41

pastedImage_1.png


Have a great day,
Sol

-----------------------------------------------------------------------------------------------------------------------
Note: If this post answers your question, please click the Correct Answer button. Thank you!
-----------------------------------------------------------------------------------------------------------------------

0 Kudos
Reply

1,840 Views
soledad
NXP Employee
NXP Employee

Hi,

Please try using the flash magic tool.

Flash Magic - Welcome 

Have a great day,
Sol

 

-----------------------------------------------------------------------------------------------------------------------
Note: If this post answers your question, please click the Correct Answer button. Thank you!
-----------------------------------------------------------------------------------------------------------------------

0 Kudos
Reply