Hi,
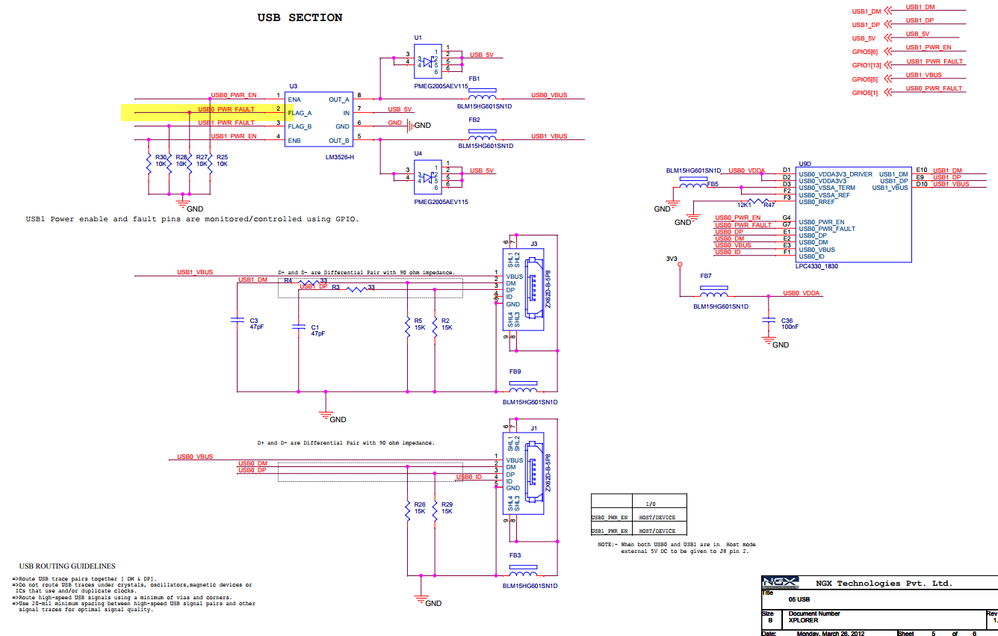
You can use the LPC4330-Xplorer Board schematic file as reference

Have a great day,
Sol
-----------------------------------------------------------------------------------------------------------------------
Note: If this post answers your question, please click the Correct Answer button. Thank you!
-----------------------------------------------------------------------------------------------------------------------