1 Abstract
In the previous time, I have shared one post about the kinetis L series LIN slave basic usage. Now, because the LPC54608 still don’t have any sample code about the LIN, so this post, I will share a simple code about the LPC54608 LIN master usage, and use the LPCXpresso 54608 board associated with the LIN analyzer to test the result.
This document will realize the LIN master and LIN slave communication, LIN master will send the specific publisher frame and the subscriber frame, the LIN slave will detect the master data’s correction, and feedback the according data.
2 LPC54608 LIN master example
Now use the LPCXpresso54608 board as the LIN master, the LIN analyzer tool as the LIN slave, test the LIN send and receive function between the LIN master and LIN slave.
2.1 Hardware requirement
Hardware:LPCXpresso54608,KIT33662LEFEVB,PCAN-USB Pro FD
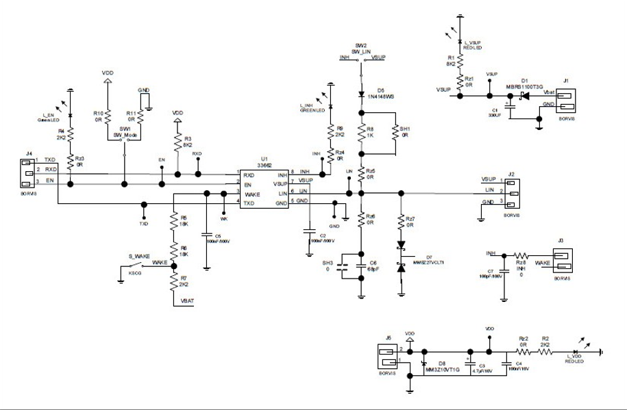
LIN bus voltage is 12V, but the LPCXpresso54608 board don’t have the on board LIN transceiver, so we need to find the external LIN transceiver, then connect the LPC54608 UART port to the LIN transceiver. About the external LIN transceiver, we use the NXP official LIN driver board KIT33662LEFEVB, this board schematic can be found from this link:
https://www.nxp.com/docs/en/user-guide/KT33662UG.pdf

Fig 2-1. LIN transceiver schematic
If you don’t have the KIT33662LEFEVB board, don’t worry, you also can use the TRK-KEA8, just like the kinetis LIN post which I have shared. TRK-KEA8 have the on board transceiver chip.
2.1.1 LPCXpresso5460 and IT33662LEF EVB connections
No. | LPCXpresso54608 | KIT33662LEFEVB | note |
1 | P4_RX | J4-2 | UART0_RX |
2 | P4_TX | J4-1 | UART0_TX |
3 | P4_GND | J5-1 | GND |
4 | JP2_3 | J5_2 | 3.3V power supply |
2.1.2 KIT33662LEFEVB 12V power supply and LIN slave connection
KIT33662LEFEVB board
J2_1: 12V power supply, also connect to LIN analyzer VBAT pin
J2_3: 12V ground, also connect to LIN analyzer GND pin
J2_2: LIN bus, connect to the LIN analyzer LIN pin
2.1.3 Use TRK-KEA8 on board LIN transceiver
This chapter just for those don’t have KIT33662LEFEVB board, but have the TRK-KEA8 board.
1)LPCXpresso54608 and TRK-KEA8 connections
LPCXpresso54608 need to connect the UART pin to the LIN transceiver, the connections like this:
No. | LPCXpresso54608 | TRK-KEA8 | note |
1 | P4_RX | J10-5 | UART0_RX |
2 | P4_TX | J10-6 | UART0_TX |
3 | P4_GND | J14-1 | GND |
2) TRK-KEA8 and LIN analyzer connections
LIN bus is the single wire, connect to LIN analyzer LIN pin, GND also need to connect together.
TRK-KEA8 need to use the P1 powered by 12V DC power supply, LIN analyzer also need to connect to the 12V DC.
Because the LPC54608 board is powered by the 3.3V, then also need to power the LPC54608 board with a 3.3V DC power supply.
2.1.4 Physical connections

Fig 2-2. Physcial connections
2.2 Software code
Now, talk about the LIN master send the LIN publisher data and the subscriber ID data, the software code is modified from the SDK_2.3.0_LPCXpresso54608 usart interrupt project, the detail code just as follows:
void DEMO_USART_IRQHandler(void)
{
if(DEMO_USART->STAT & USART_INTENSET_DELTARXBRKEN_MASK)
{
DEMO_USART->STAT |= USART_INTENSET_DELTARXBRKEN_MASK;
Lin_BKflag = 1;
cnt = 0;
state = RECV_SYN;
DisableLinBreak;
}
if((kUSART_RxFifoNotEmptyFlag | kUSART_RxError) & USART_GetStatusFlags(DEMO_USART))
{
USART_ClearStatusFlags(DEMO_USART,kUSART_TxError | kUSART_RxError);
rxbuff[cnt] = USART_ReadByte(DEMO_USART);
switch(state)
{
case RECV_SYN:
if(0x55 == rxbuff[cnt])
{
state = RECV_PID;
}
else
{
state = IDLE;
DisableLinBreak;
}
break;
case RECV_PID:
if(0xAD == rxbuff[cnt])
{
state = SEND_DATA;
}
else if(0XEC == rxbuff[cnt])
{
state = RECV_DATA;
}
else
{
state = IDLE;
DisableLinBreak;
}
break;
case RECV_DATA:
Sub_rxbuff[recdatacnt++]= rxbuff[cnt];
if(recdatacnt >= 3)
{
recdatacnt=0;
state = RECV_SYN;
EnableLinBreak;
}
break;
case SEND_DATA:
recdatacnt++;
if(recdatacnt >= 4)
{
recdatacnt=0;
state = RECV_SYN;
EnableLinBreak;
}
break;
default:break;
}
cnt++;
}
#if defined __CORTEX_M && (__CORTEX_M == 4U)
__DSB();
#endif
}
void Lin_Master_Publisher(void)
{
unsigned int i=0;
DEMO_USART->CTL |= USART_CTL_TXBRKEN_MASK;
while (kUSART_TxFifoNotFullFlag & USART_GetStatusFlags(DEMO_USART))
{
USART_WriteByte(DEMO_USART, 0Xff);
break;
}
for(i=0;i<10000;i++);
DEMO_USART->CTL &= ~(USART_CTL_TXBRKEN_MASK);
while (kUSART_TxFifoNotFullFlag & USART_GetStatusFlags(DEMO_USART))
{
USART_WriteByte(DEMO_USART, 0X55);
break;
}
while (kUSART_TxFifoNotFullFlag & USART_GetStatusFlags(DEMO_USART))
{
USART_WriteByte(DEMO_USART, 0Xad);
break;
}
while (kUSART_TxFifoNotFullFlag & USART_GetStatusFlags(DEMO_USART))
{
USART_WriteByte(DEMO_USART, 0X01);
break;
}
while (kUSART_TxFifoNotFullFlag & USART_GetStatusFlags(DEMO_USART))
{
USART_WriteByte(DEMO_USART, 0X02);
break;
}
while (kUSART_TxFifoNotFullFlag & USART_GetStatusFlags(DEMO_USART))
{
USART_WriteByte(DEMO_USART, 0X03);
break;
}
while (kUSART_TxFifoNotFullFlag & USART_GetStatusFlags(DEMO_USART))
{
USART_WriteByte(DEMO_USART, 0X4c);
break;
}
}
void Lin_Master_Subscribe(void)
{
unsigned int i=0;
DEMO_USART->CTL |= USART_CTL_TXBRKEN_MASK;
while (kUSART_TxFifoNotFullFlag & USART_GetStatusFlags(DEMO_USART))
{
USART_WriteByte(DEMO_USART, 0Xff);
break;
}
for(i=0;i<10000;i++);
DEMO_USART->CTL &= ~(USART_CTL_TXBRKEN_MASK);
while (kUSART_TxFifoNotFullFlag & USART_GetStatusFlags(DEMO_USART))
{
USART_WriteByte(DEMO_USART, 0X55);
break;
}
while (kUSART_TxFifoNotFullFlag & USART_GetStatusFlags(DEMO_USART))
{
USART_WriteByte(DEMO_USART, 0XEC);
break;
}
}
int main(void)
{
unsigned int i=0;
usart_config_t config;
CLOCK_AttachClk(BOARD_DEBUG_UART_CLK_ATTACH);
BOARD_InitPins();
BOARD_BootClockFROHF48M();
BOARD_InitDebugConsole();
USART_GetDefaultConfig(&config);
config.baudRate_Bps = BOARD_DEBUG_UART_BAUDRATE;
config.enableTx = true;
config.enableRx = true;
USART_Init(DEMO_USART, &config, DEMO_USART_CLK_FREQ);
DEMO_USART->INTENSET |= USART_INTENSET_DELTARXBRKEN_MASK;
cnt=0;
USART_EnableInterrupts(DEMO_USART, kUSART_RxLevelInterruptEnable | kUSART_RxErrorInterruptEnable);
EnableIRQ(DEMO_USART_IRQn);
Lin_Master_Publisher();
for(i=0;i<65535;i++);
Lin_Master_Subscribe();
while (1)
{
}
}
In USART_Init function,add the LIN function enable code:
/* setup configuration and enable USART */
base->CFG = USART_CFG_PARITYSEL(config->parityMode) | USART_CFG_STOPLEN(config->stopBitCount) |
USART_CFG_DATALEN(config->bitCountPerChar) | USART_CFG_LOOP(config->loopback) | USART_CFG_ENABLE_MASK | USART_CFG_LINMODE_MASK;//
3 LPC54608 LIN master test result
Master side define two ID frame:
Unconditional ID | Protected ID | Direction | Data | checksum |
0X2C | 0XEC | subscriber | 0x01,0x02 | 0x10 |
0X2D | 0XAD | Publisher | 0x01,0x02,0x03 | 0x4c |
Now, LIN master will send the above two ID frame to the slave, then give the test result about the feedback from the slave and the LIN bus wave.
3.1 LIN slave configuration
The LIN baud rate is defined as 9600bps. The following picture is from the LIN analyzer (PEAK LIN tool) software:

To get the data from the LIN slave, the master need to send the 0x2C frame at first, then the slave will send back the according data. The master subscriber frame is the slave’s publisher frame; the master publisher frame is the slave’s subscriber. Master send, slave receive. Master receive, then the slave is the send side.
In the slave software side, need to configure the 0X2C ID according data, then press the space key, the slave will wait for the master’s according frame.

3.2 Send 0X2C and 0X2D frame

From the slave side, we can find 0X2D is received successfully from the master, 0X2C can send the correct data to the master.
3.2.1 0X2D frame data LIN bus wave and debug result

Yellow wave is the LPC54608 UART TX pin wave.
Blue wave is the LIN bus wave.
From the LIN bus wave, we can find that the LIN master can send out the correct LIN data, and the checksum also correct from the slave received side.
3.2.2 0X2C data LIN bus wave and debug result

Yellow wave is the LPC54608 UART TX pin wave.
Blue wave is the LIN bus wave.
From the wave, we can find that after the LIN master send the 0X2C data, the slave will send back the according data to the master, now check the LPC54608 debug data from IAR:

From the received data and the checksum data, we can find the slave feedback is correct.
So, the above modified code can realize the LPC54608 LIN master frame basic send and receive function. Next time, I will also share a post about the LPC54608 LIN slave code.
Wish it helps you!