Hi,Sun
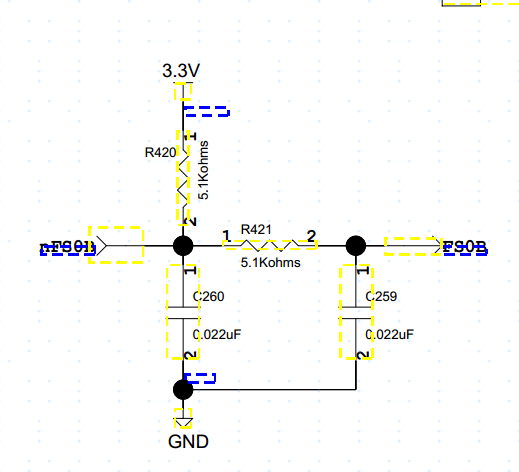
Now, my Fs6503 feed the dog has been normal, I use in my schematic FS0B this pin to control my contactor, at first I didn't notice this place, this pin as long as electricity output low level, whether in the debug mode or normal mode, so that I contact directly is locked, can you help me points for this reason?I have checked the reasons why FS0B may be pulled down in the manual, as shown in the following pictures. I have confirmed that there are no problems with the first three, and the remaining ones are all in a vague state. Please analyze the reasons in combination with my schematic diagram.

Maybe I should ask you how I can pull the FS0B pin higher after the initialization of the fs6503 is complete.

