clipped sinewave oscillators

cancel
Showing results for 
Show  only  | Search instead for 
Did you mean: 

clipped sinewave oscillators

2,702 Views
calvinday
Contributor III

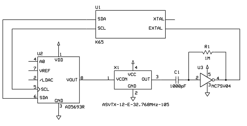
I am using a K65 tower eval board where I have a clipped sine-wave oscillator that has about 1 volt peak to peak. I feed that into a 1000 capacitor and then an invertor whose output feeds back through a 1 meg resistor to the input.

The resulting output is a 3 volt peak to peak square-wave as would be expected. As soon as it is feed into the ext osc in pin, the square-wave is distorted (almost positively saturated).

Do I have something configured incorrectly?

0 Kudos
Reply
7 Replies

2,122 Views
jeremyzhou
NXP Employee
NXP Employee

Hi Calvin,

After have a brief look through your question, I'm still not very clear with it.

Do you mean to use a external clipped sine-wave oscilator to feed the MCU instead of the FL1600084 on the board?
Have a great day,
Ping

-----------------------------------------------------------------------------------------------------------------------
Note: If this post answers your question, please click the Correct Answer button. Thank you!
-----------------------------------------------------------------------------------------------------------------------

0 Kudos
Reply

2,122 Views
calvinday
Contributor III

Yes. We are using 32.768 MHz oscillator clock instead of the crystal.

0 Kudos
Reply

2,122 Views
jeremyzhou
NXP Employee
NXP Employee

Hi Calvin,

Please refer to the circuit design and the RF can select the 10M.

2015-10-22_10-54-06.jpg


Have a great day,
Ping

-----------------------------------------------------------------------------------------------------------------------
Note: If this post answers your question, please click the Correct Answer button. Thank you!
-----------------------------------------------------------------------------------------------------------------------

0 Kudos
Reply

2,122 Views
calvinday
Contributor III

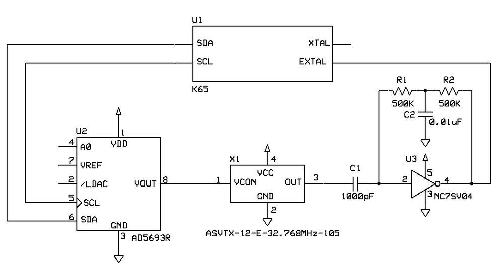
pastedImage_0.png

The MCU controls a 16-bit DAC to a VCTCXO which feeds a 1000pF capacitor to an invertor back to the EXTAL pin.

I have seen this which is supposed to reduce the load on the VCTCXO but I haven't attempted it yet.

pastedImage_1.png

0 Kudos
Reply

2,122 Views
jeremyzhou
NXP Employee
NXP Employee

Hi Calvin,

How about let the oscillator output connect the MCU directly?
Have a great day,
Ping

-----------------------------------------------------------------------------------------------------------------------
Note: If this post answers your question, please click the Correct Answer button. Thank you!
-----------------------------------------------------------------------------------------------------------------------

0 Kudos
Reply

2,122 Views
calvinday
Contributor III

The output is only 1 volt peak to peak and not enough to clock.

Maybe there is a setting that can apply gain on the input without using the output pin.

0 Kudos
Reply

2,122 Views
jeremyzhou
NXP Employee
NXP Employee

Hi Calvin,

Thanks for your reply.

For me, I'd highly recommend to choose another oscillator instead of the old one.

I think gain the the square-wave by using the external circuit to feed the MCU, maybe it can make it. however it actually make the whole circuit more complicated and unstable.

Have a great day!

Ping

0 Kudos
Reply