USB voltage regulator problems?

cancel
Showing results for 
Show  only  | Search instead for 
Did you mean: 

USB voltage regulator problems?

3,995 Views
dagager
Contributor I

Dear all,

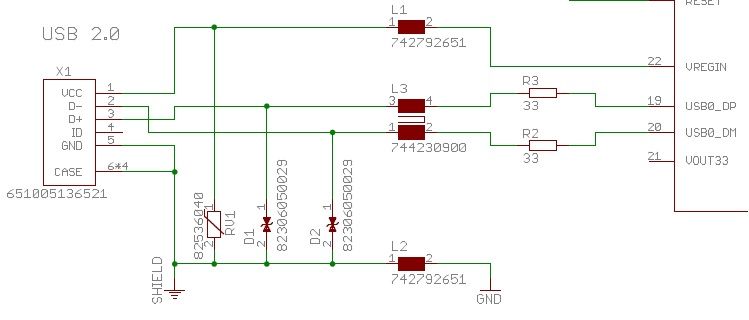
Simmilar to the thread Burnt two MK60FN1M0VLQ12 when plug in USB port i have issues with the voltage regulator when USB is plugged in. The controller is getting very hot, so i assume the USB part has been damaged. As you can see in the attached schematic, the VOUT33 (pin 21)  is floating (ie the recomended capacity is missing).

Could the missing capacity damage the controller or do i miss something else?

Thank you very much.

USB_SCHEMATIC.jpg

Labels (2)
Tags (4)
0 Kudos
Reply
5 Replies

2,928 Views
CarlosCasillas
NXP Employee
NXP Employee

Hello,

 

Have you ensured that the series ferrites that you added has internal resistance like the ones included on Freedom board, like the response of the thread that you mentioned?

 

Is your device Bus-powered or Self-powered? If it is Bus-powered, have you connected the VOUT33 signal to VDD pins? Anyway, it is highly recommended added the capacitor on VOUT33 pin.

If it is Self-powered, have you ensured that the power supply provides stable voltage?

 

Hope this information will be useful for you.

Best regards!

/Carlos

0 Kudos
Reply

2,928 Views
Dekiru
Contributor IV

Hi,

I don't think that adding a resistor to Vbus line is the solution to solve the issue since a resistor will drop voltage supplied to Vreg (If it is 130Ohms like the post above and the needed current is 100mA then the dropped voltage is 130 * 0.1 = 13V :smileyhappy:)

It should be stated that the ferrite has serial resistance of 130Ohms (330Ohms?) at frequency of 100MHz (?). (Ferrite has significant resistance at high frequency only)

Back to the issue with daggager, I don't know what is RV1 in your circuit so I am not sure it is ok or not. But from reported behavior, I am afraid that it is problem with over-voltage transients occur on the USB power line due to hot plugging. We need to suppress that transients by using clamping diode or other method. And it is worthy to add bulk and decoupling capacitors to the power line as well (There is spec that these capacitors should be lower than 10uF)

In the link Burnt two MK60FN1M0VLQ12 when plug in USB port you mentioned above, I don't see those capacitors and power line in their circuit should be connected to pin #5 of NUP4201MR6 rather than pin #4 because it will provide a lower clapping voltage.

Regards

0 Kudos
Reply

2,928 Views
Monica
Senior Contributor III

Dagager, was this hint helpful?

Let us know! :smileywink:

Regards!

0 Kudos
Reply

2,928 Views
JimDon
Senior Contributor III

We have an issue here that Freescale needs to address, and quickly as it is burning up parts.

If a 130 Ohm resistor is required, the specifications, RM and data sheet MUST SPECIFY THIS.

We need an immediate errata on this issue.

0 Kudos
Reply

2,928 Views
JimDon
Senior Contributor III

My take away from that thread is that you need 130 ohms in series.

Unlikely the cap does this.

0 Kudos
Reply