Trouble entering debug on KV10Z32

cancel
Showing results for 
Show  only  | Search instead for 
Did you mean: 

Trouble entering debug on KV10Z32

2,020 Views
ryanharrison
Contributor I

Hi All,

I am having no luck getting my multilink universal to connect to my custom board for the MKV10Z32VFM7. I can write the program to flash no problem and then when I cycle power, the code will run. The problem is when I try to run it in debug. It will flash the program and then lose the connection immediately after reset.

I also have the tower board for the MKV10Z32, which has the same part in a different package on it. Using my same project, if I change the processor expert CPU and pin settings over to this package, I can debug this board using the multilink as I would expect.

I have compared the debug circuit on my board with the tower board, and it appears to be the same. 10K pullup on SWDIO, nothing on SWCLK, 10K pullup on reset... is there something I am missing?

Thanks in advance,

Ryan

0 Kudos
Reply
6 Replies

1,844 Views
Paul_Tian
NXP Employee
NXP Employee

Hi, Ryan

As your description, the layout is OK. So I agree on your checking soldering.

Best Regards

Paul

0 Kudos
Reply

1,844 Views
Paul_Tian
NXP Employee
NXP Employee

Hi, Ryan

From your schematic and the change you made, it should be OK. The same code and correct schematic, but the result is not good as tower board. Is MCU far away from debug interface?

Best Regard

Paul

0 Kudos
Reply

1,844 Views
ryanharrison
Contributor I

Hi Paul,

Thanks for the reply.

No, the debug header is right next to the MCU, and I have since checked the signals using an oscilloscope and they don't look noticeably different between boards. I've checked the 3.3V net for any drops in power when running faster and it looks fine to me.

I'm thinking maybe it is a poor solder joint or something to that effect?

At least in the short term I can turn the clock speed down and debug and then turn it back up for final validation.

Thanks,

Ryan

0 Kudos
Reply

1,844 Views
Paul_Tian
NXP Employee
NXP Employee

Hi, Ryan

Would you please help to share your schematic for my checking? Thanks.

Best Regards

Paul

0 Kudos
Reply

1,844 Views
ryanharrison
Contributor I

Hi Zhe,

In my troubleshooting today, I have discovered that the system clock at which I run the MCU effects the debug capability. If I run it at 40MHz or lower, it seems to debug normally, but going over 50MHz definitely does not work.

And like I said earlier, debug works fine on the tower kit board at full-speed... so I am pretty confused.

Ryan

0 Kudos
Reply

1,844 Views
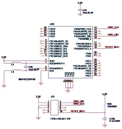
ryanharrison
Contributor I

Hello Zhe,

Kinetis.jpg

This is the debug schematic for the MCU on my board. I removed C100 from the PCB as well as added a 10K pullup on the SWD_DIO line. Any insight you could provide would be helpful.

Thanks,

Ryan

0 Kudos
Reply