Hello,
I tried to read an ADXL345 accelerometer, I have written my own SPI read and write because it doesn't work with processor expert.
The initialization of SPI is:
--------------------------------------------------
| SIM_SCGC5 |= SIM_SCGC5_PORTD_MASK; | //Turn on clock to D module |
| SIM_SCGC4 |= SIM_SCGC4_SPI0_MASK; | //Enable SPI0 clock |
| PORTD_PCR0 = PORT_PCR_MUX(0x2); | //Set PTD0 to mux 2 [SPI0_PCS0] |
| PORTD_PCR1 = PORT_PCR_MUX(0x2); | //Set PTD1 to mux 2 [SPI0_SCK] |
| PORTD_PCR2 = PORT_PCR_MUX(0x2); | //Set PTD2 to mux 2 [SPI0_MOSI] |
| PORTD_PCR3 = PORT_PCR_MUX(0x2); | //Set PTD3 to mux 2 [SPIO_MISO] |
SPI0_C1 = SPI_C1_MSTR_MASK | SPI_C1_SSOE_MASK | SPI_C1_CPHA_MASK | SPI_C1_CPOL_MASK; //Set SPI0 to Master & SS pin to auto SS
SPI0_C2 = SPI_C2_MODFEN_MASK; //Master SS pin acts as slave select output
| SPI0_BR = (SPI_BR_SPPR(0x02) | SPI_BR_SPR(0x08)); | //Set baud rate prescale divisor to 3 & set baud rate divisor to 64 for baud rate of 15625 hz |
| SPI0_C1 |= SPI_C1_SPE_MASK; | //Enable SPI0 |
WAIT1_Waitms(500);
------------------------------------------------------------
the read function is quite simple, I write the adress and next read the answer;
-------------------------------------------------------------
bool fini=FALSE;
while(!(SPI_S_SPTEF_MASK & SPI0_S))
{
//While buffer is not empty do nothing
}
|
| SPI0_D =adresse+0x80; | //write adress+0x80 (read mode) |
while(!(SPI_S_SPRF_MASK & SPI0_S))
{
| | //While received buffer is not full do nothing |
}
retour=SPI0_D;
return retour;
-------------------------------------------------------
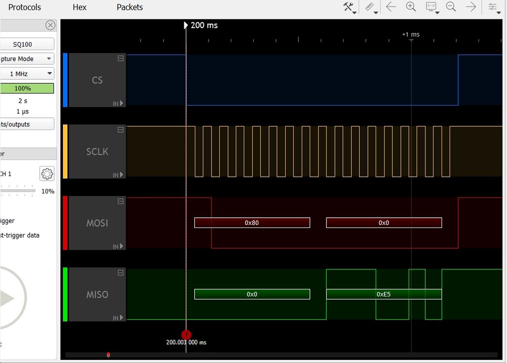
For the test I init the SPI and try to read adress 0x00.
As you can see on the analyzer image, the byte is written, but nothing is read, the KL25Z do nothing. I should have a second set of 8 clock pulses.

Michel