Hi Mike,
Thank you for your interest in NXP kinetis product, I would like to provide service for you.
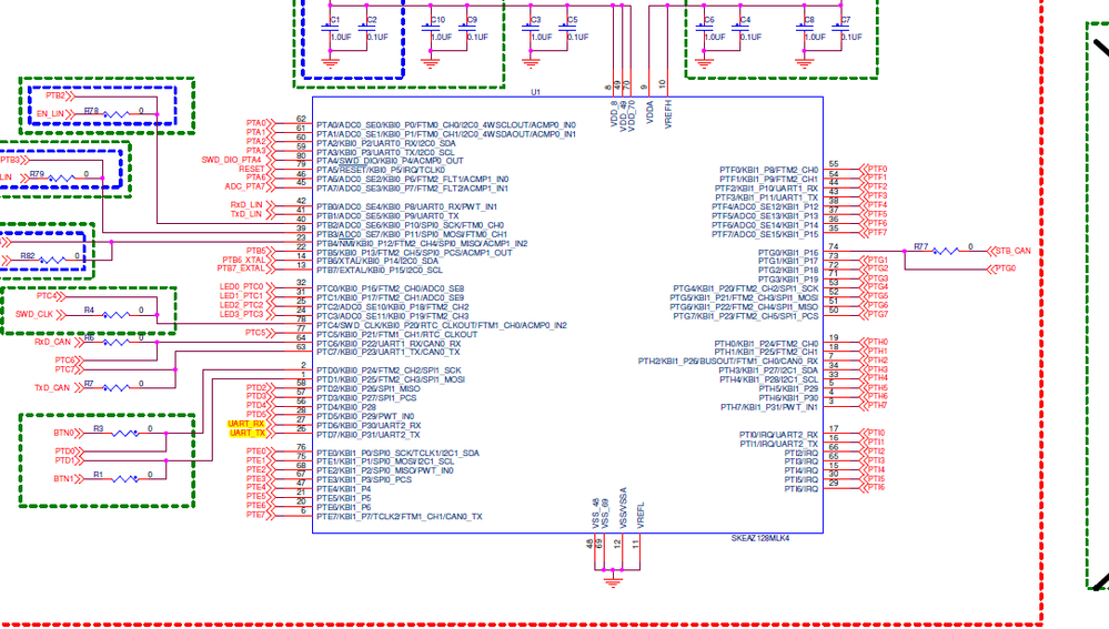
We don't have the directly schematic model for you about the S0KEAZ128, normally, you need to write it by yourself.
Even the TRK-KEA128 board schematic, it is like this one:

So, if you want your picture model, please draw it by yourself.
Actually it is very easy, just need time to draw it in your schematic lib.
Have a great day,
Kerry
-------------------------------------------------------------------------------
Note:
- If this post answers your question, please click the "Mark Correct" button. Thank you!
- We are following threads for 7 weeks after the last post, later replies are ignored
Please open a new thread and refer to the closed one, if you have a related question at a later point in time.
-------------------------------------------------------------------------------