Resistor Values to VDDA-VSSA decoupled from VDD-VSS

cancel
Showing results for 
Show  only  | Search instead for 
Did you mean: 

Resistor Values to VDDA-VSSA decoupled from VDD-VSS

2,138 Views
javierhernande1
Contributor IV

Hello,

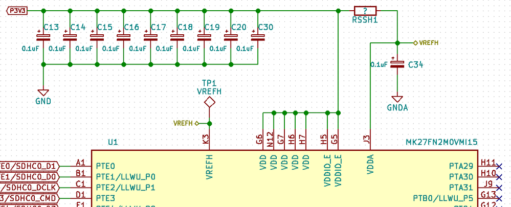
What resistor value can I use to VDDA decoupled from VDD, or what inductor?

For RSSH1 and RSSL1 in my circuit, at the end of this post.

Best regards

Design Tips & Tricks for Analog
Functions on 8-bit MCUs
AZ309analog-k27f.png

analog-k27f_2.png

analog-k27f_1.png

Labels (1)
2 Replies

1,962 Views
jingpan
NXP TechSupport
NXP TechSupport

Hi,

Usually we suggest a ferrite beads that have a small impedance (about 100 Ω at 100 MHz).

Regards,

Jing

1,962 Views
javierhernande1
Contributor IV

Thank you very much,

You have a good day.

0 Kudos
Reply