MK66 180 Mhz, how config clock with Config Tools

cancel
Showing results for 
Show  only  | Search instead for 
Did you mean: 

MK66 180 Mhz, how config clock with Config Tools

2,090 Views
luishs
Senior Contributor I

Hi.

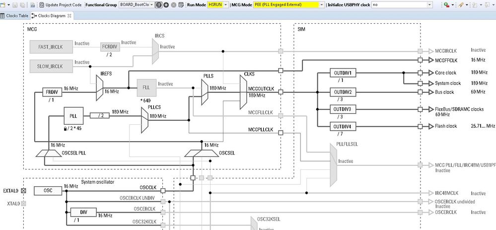
I try to configure the clock for an MK66 180Mhz, using the Config tool with Clocks Table and Clocks Diagram, but I do not understand how to do it, I have tried several combinations and values and they always give me error.


Could someone explain how to configure it for an MK66 at 180Mhz?


Best regards

Labels (1)
0 Kudos
Reply
3 Replies

1,771 Views
mjbcswitzerland
Specialist V

Hi Luis

I have never used the clock configuration tool but if you have problems with setting up for the 180MHz operation here is a classic code method that does it:

MCG_C2 = (MCG_C2_FREQ_RANGE | MCG_C2_GAIN_MODE | MCG_C2_EREFS | MCG_C2_LOCRE0); // select crystal oscillator and select a suitable range
MCG_C1 = (MCG_C1_CLKS_EXTERN_CLK | MCG_C1_FRDIV_VALUE);              // switch to external source (the FLL input clock is set to as close to its input range as possible, although this is not absolutely necessary if the FLL will not be used)
while ((MCG_S & MCG_S_OSCINIT) == 0) {}                              // loop until the crystal source has been selected
while ((MCG_S & MCG_S_IREFST) != 0) {}                               // loop until the FLL source is no longer the internal reference clock
while ((MCG_S & MCG_S_CLKST_MASK) != MCG_S_CLKST_EXTERN_CLK) {}      // loop until the external reference clock source is valid
MCG_C5 = ((CLOCK_DIV - 1) | MCG_C5_PLLSTEN0);                        // now move from state FEE to state PBE (or FBE) PLL remains enabled in normal stop modes
MCG_C6 = ((CLOCK_MUL - MCG_C6_VDIV0_LOWEST) | MCG_C6_PLLS);          // set the PLL multiplication factor
while ((MCG_S & MCG_S_PLLST) == 0) {}                                // loop until the PLLS clock source becomes valid
while ((MCG_S & MCG_S_LOCK) == 0) {}                                 // loop until PLL locks
SIM_CLKDIV1 = (((SYSTEM_CLOCK_DIVIDE - 1) << 28) | ((BUS_CLOCK_DIVIDE - 1) << 24) | ((FLEX_CLOCK_DIVIDE - 1) << 20) | ((FLASH_CLOCK_DIVIDE - 1) << 16)); // prepare bus clock divides
SMC_PMCTRL = SMC_PMCTRL_RUNM_HSRUN;                                  // set high speed run mode (restrictions apply) so that the clock speeds can be obtained  
MCG_C1 = (MCG_C1_CLKS_PLL_FLL | MCG_C1_FRDIV_1024);                  // finally move from PBE to PEE mode - switch to PLL clock
while ((MCG_S & MCG_S_CLKST_MASK) != MCG_S_CLKST_PLL) {}             // loop until the PLL clock is selected

Assuming 12MHz crystal the following are the actual values that it uses:

12MHz crystal, 180MHz core clock, 60MHz bus, 25.714285MHz flash

MCG_C2 = 0xa4;
MCG_C1 = 0x98;
while ((MCG_S & MCG_S_OSCINIT) == 0) {}
while ((MCG_S & MCG_S_IREFST) != 0) {}
while ((MCG_S & MCG_S_CLKST_MASK) != MCG_S_CLKST_EXTERN_CLK) {}
MCG_C5 = 0x20;
MCG_C6 = 0x4e;
while ((MCG_S & MCG_S_PLLST) == 0) {}
while ((MCG_S & MCG_S_LOCK) == 0) {}
SIM_CLKDIV1 = 0x02260000;
SMC_PMCTRL = SMC_PMCTRL_RUNM_HSRUN;
MCG_C1 = 0x28;
while ((MCG_S & MCG_S_CLKST_MASK) != MCG_S_CLKST_PLL) {}


Beware that for 180MHz core clock you must use the HSRUN mode, which means that flash programming is not possibel without first reducing clock speeds and switching to RUN mode (see the user's manual for the compete list of HSRUN mode restrictions).

Regards

Mark


Kinetis: http://www.utasker.com/kinetis.html
Kinetis K66:
- http://www.utasker.com/kinetis/TWR-K65F180M.html
- http://www.utasker.com/kinetis/FRDM-K66F.html
- http://www.utasker.com/kinetis/TEENSY_3.6.html

Free Open Source solution: https://github.com/uTasker/uTasker-Kinetis
Working project in 15 minutes video: https://youtu.be/K8ScSgpgQ6M

Professional Kinetis support, one-on-one training and complete fast-track project solutions: http://www.utasker.com/support.html

pastedImage_10.png

0 Kudos
Reply

1,771 Views
luishs
Senior Contributor I

Thanks mark.

My problem was that the configuration was in RUN mode, so the frequency of the Core could not be higher than 120Mhz.

After select HSRUN, now everything is fine, I can configure the clock with Config Tool at 180 Mhz, with div at /2 and PLL at *45, for a crystal of 16Mhz.


Regards.

ScreenHunter_006.jpg

0 Kudos
Reply

1,771 Views
mjbcswitzerland
Specialist V

Hi Luis

Yes, I thought that maybe there may be something with setting HSRUN in order to get the higher speeds.

And /2 and *45 is the only combination possible to get 180MHz from 16MHz crystal.

Regards

Mark

0 Kudos
Reply