MK10 ADC input sampling waveform

cancel
Showing results for 
Show  only  | Search instead for 
Did you mean: 

MK10 ADC input sampling waveform

2,259 Views
wei_xu1
Contributor II

Hi team,

We are using MK10DN512VLQ10 in our system. During ADC testing, I found that ADC error will change according to external input voltage. So I removed all external capacitors and applied a standard voltage source to the input circuit ,

then I measured the voltage on the pin and saved the screenshots as below(probe was AC coupled with short spring type ground):

SG14.PNG

SG16.PNG

SG18.PNG

I thought a typical ADC sampling waveform should only contain negative spike(due to charging of internal sampling capacitor), but I also captured some positive spike and sometimes even change from positive to negative(the last screenshot above). I also didn't expect the first unusual high level spike.

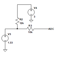
The modified external circuit just like below:

Capture.PNG

Below is the test setup, this is a NTC sensor circuit with capacitor removed and NTC disconnected. The voltage is given by a voltage generator, I also checked the output of the voltage generator, no spike was found.

pastedImage_1.png

Are those behavior caused by the internal design of the MCU?

Please help!

Thanks and regards!

Wei Xu

Labels (1)
0 Kudos
Reply
3 Replies

2,070 Views
Robin_Shen
NXP TechSupport
NXP TechSupport

Hi Wei Xu,

(probe was AC coupled with short spring type ground)
Have you try to use other type of probe?
Or other voltage signal, something like resistor divider:

resistor divider.jpg

A typical ADC sampling waveform should only contain negative spike(As described in AN4373 Cookbook for SAR ADC measurements), I have never noticed there will be positive spike.

Would you please edit this thread and attached the test project, so that I can test it on TWR-K60D100M board.

 

Best Regards,

Robin

 

-----------------------------------------------------------------------------------------------------------------------
Note: If this post answers your question, please click the Correct Answer button. Thank you!
-----------------------------------------------------------------------------------------------------------------------

0 Kudos
Reply

2,070 Views
wei_xu1
Contributor II

Hi Robin,

Thanks for your reply!

I updated the thread yesterday but then I found that I couldn't see your reply anymore, so I reply to you today.

I also tried another probe, it is the same result.

Our origin test setup is a resistor devider, but I found out that at some voltage the error is larger. So I disconnected the resistor and tried a voltage calibrator, and then I found out during I increase the input voltage by 10mV step, the error of ADC  will reach a peak ever 100mV, then decrease then after increased another 100mV reach another error peak.

I also read the AN4373 guide, it mentioned below details in page 4:

 In a case of redistribution charging architecture of SAR ADC or if a presampling circuit is used, then the initial voltage can be equal to VREFL or VREFH. In some special cases, this value can be set to (VREFH - VREFL)/2 in order to ensure lower voltage stress of capacitor. Usually when sequential sampling is used, then the initial voltage VCSH0 is equal to the previous channel voltage conversion.

Does this means it is the internal presampling circuit that caused this behaviour? Maybe the internal circuit detect the input voltage first(using comparator etc,.) and then judge which nearst voltage level the sampling capacitor should be charged to?

Thanks and regards!

Wei Xu

0 Kudos
Reply

2,070 Views
Robin_Shen
NXP TechSupport
NXP TechSupport

I will check it with AE team. If you can attached your test project, that would be better.

0 Kudos
Reply