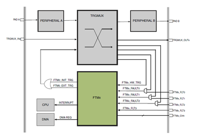
I am trying to get a better understanding of the FTMx_FAULT[0:2] signals shown in the picture below:

What I want to know is what the purpose of using the TRGMUX as fault inputs. I understand that the TRGMUX triggers can be configured to be a lot of different events, but I don't understand why you would use those events as "fault" controls. Is there another purpose for the TRGMUX outputs to the FTM?
The reference manual seems pretty vague on this stuff. Any other information will help. Thank you.