Hi David,
Sorry for the late reply!
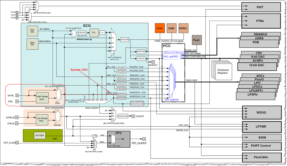
System OSC can be configured as clock source to tune the Fast IRC.


And you can find the frequency in 'Table 44. External Oscillator frequency specifications (OSC)' of KE1xFP100M168SF0.

Best Regards,
Robin
-----------------------------------------------------------------------------------------------------------------------
Note: If this post answers your question, please click the Correct Answer button. Thank you!
-----------------------------------------------------------------------------------------------------------------------