K32L2A DAC current direction

cancel
Showing results for 
Show  only  | Search instead for 
Did you mean: 

K32L2A DAC current direction

3,118 Views
jh0
Contributor IV

Hi,

I see in device datasheet section 8.6.4.1 12-bit DAC operating requirements that DAC output load current (IL) max is 1mA. This is OK for me, just want to check if output amplifier can both sink and source current.

Tags (1)
0 Kudos
Reply
4 Replies

3,079 Views
jh0
Contributor IV

Hi Bob,

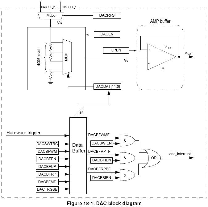
There is internal buffer / amp at K32L2A DAC output pin so I think that should work. Just want to be 100% sure.

dac.jpg

0 Kudos
Reply

3,101 Views
FelipeGarcia
NXP Employee
NXP Employee

Hi,

The DAC output can only source current through its output amplifier. It is not a logic output that can sink current.

Have a great day,

Felipe

-------------------------------------------------------------------------------

Note:

- If this post answers your question, please click the "Mark Correct" button. Thank you!

- We are following threads for 7 weeks after the last post, later replies are ignored. Please open a new thread and refer to the closed one, if you have a related question at a later point in time. 

------------------------------------------------------------------------------ 

0 Kudos
Reply

3,094 Views
jh0
Contributor IV

Hi,

Maybe this will be more clear...

K32L2 DAC can be used for controlling LDO output voltage level or not?

https://e2e.ti.com/blogs_/archives/b/precisionhub/posts/give-your-voltage-regulator-the-margin-it-de...

ldo_5F00_3

Tags (1)
0 Kudos
Reply

3,083 Views
bobpaddock
Senior Contributor IV

"... Be careful not to choose an unbuffered DAC. The output amplifier needs to both sink and source current. ..."

From their answers about not sinking current then it is not usable without an OpAmp follower.