HI
1) I think that you need to select the controller type in usb_host_config.h, whereby the EHCI - presumably HS controller is enabled by default. Since I don't use SDK I don't know full details but it is probably in the doc somewhere:
/* Host Controller Enable */
/*!
* @brief host khci instance count, meantime it indicates khci enable or disable.
* - if 0, host khci driver is disable.
* - if greater than 0, host khci driver is enable.
*/
#define USB_HOST_CONFIG_KHCI (0U)
/*!
* @brief host ehci instance count, meantime it indicates ehci enable or disable.
* - if 0, host ehci driver is disable.
* - if greater than 0, host ehci driver is enable.
*/
#define USB_HOST_CONFIG_EHCI (1U)
/*!
* @brief host ohci instance count, meantime it indicates ohci enable or disable.
* - if 0, host ohci driver is disable.
* - if greater than 0, host ohci driver is enable.
*/
#define USB_HOST_CONFIG_OHCI (0U)
2. The HS USB PHY needs a 480 MHz clock for its operation (for its internal PLL), irrespective of whether it finally operates in LS/FS or HS mode (which depends on the device attached) so if you don't one of the crystal speeds that support this you can't use the HS USB controller, but you can still use the FS USB controller.
3. In device mode the FS USB also can operate in crystal-less mode and so is not dependent on the clock you use.
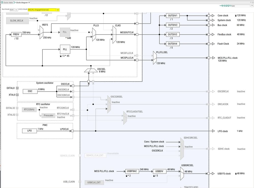
If you have a 50MHz crystal or oscillator you can use it for USB device or host with settings:
PLL input divide 5 (to give 10MHz input), 24x multiply to give 240MHz PLL output (120MHz core), select MCGPLLCLK as source to USB and SIM_CLKDIV2 to 0x00000009 (divide 5 with fraction set).
In the uTasker project this is highly automated so I just chose
K66,
not USB_HS_INTERFACE
#define CRYSTAL_FREQUENCY 50000000
#define CLOCK_DIV 5
#define CLOCK_MUL 24
and then its simulator conformed all operation in device and host modes and I could read the values that were set.

Regards
Mark
[uTasker project developer for Kinetis and i.MX RT]