How to flash a single (no bord) Kinetis MCU

キャンセル
次の結果を表示 
表示  限定  | 次の代わりに検索 
もしかして: 

How to flash a single (no bord) Kinetis MCU

2,024件の閲覧回数
alexloban
Contributor II

Im a very beginner in embedded system,

i use it only for hobby, a learnd c last year and its very very beautifull to programming on Kinetis MCU and i dont like to swicht to other platform, a lot of people write about documenation of kinetis but i love it :smileyhappy: its nice !

I have now a kwikstik (with J-Link interface) and make me now a second buy-list for my hobby and need your help !

My first buy list is not really working.

I have a idea for a good friend and i will finish my project on my pcb.

I try last days to flash K04Z in tssop package to flash / erase via SWD KWIKSTIK,  but J-Link can not find the mcu (i try it with extra power supply too.)

And now my question for my buy-list  :smileyhappy:

Its possible to flash / debug a single chip on breadboard, no dev board  (if i buy it from distributors like mouser or digikey ...)

wich hardware i need to do it simpel

i think its possible, i see a lot of tutorial about stm32 :smileysad: but not for Kinetis..

PLEAS HELP !

Thank you !

Alex

4 返答(返信)

1,753件の閲覧回数
BlackNight
NXP Employee
NXP Employee

Hi Alex,

yes, you don't need a dev board to program/flash a device. It is so basic that's why you even don't need a tutorial :-):

All what you need is to power the microcontroller and connect it to the SWD debug connector. So you need:

- Vcc (I assume 3.3V)

- GND

- Pull-up the reset pin to Vcc (10k Ohm) and ideally a 100nF to GND

On the debug connector you need:

- SWD DIO

- SWD CLK

- GND

- Vcc

- Reset

I hope this helps,

Erich

1,753件の閲覧回数
alexloban
Contributor II

Hello Erich thank you very very much :smileyhappy:

i make a new order of KE04Z and try it again :smileyhappy: the TSSOP - Package is nice to plant to pcb :smileyhappy:. I damaged the first order :smileyhappy: i think i was wrong with pin counting :smileyhappy: .

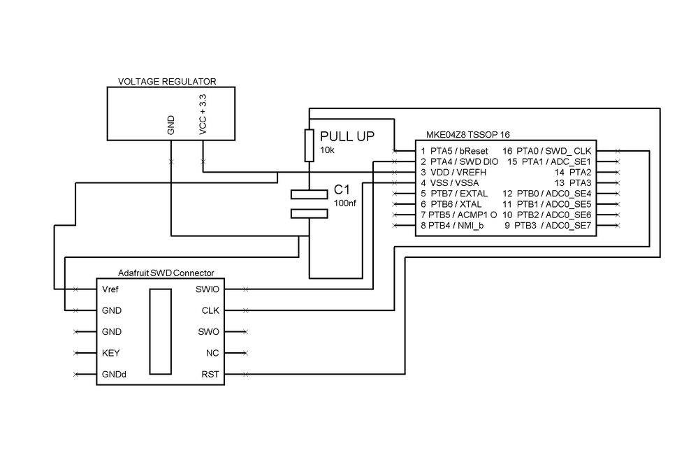
I make a circuit can you take a look. 
About J-Link i dont need OpenSDA ? Like FRDM Boards ?

I think in my buy list is a FRDM board not wrong, Kwikstik is complicate to use pin (pci express 164 slot )

I read all day your blog (mcu on eclipse) <- very nice ressource ! i use your diy toolchain kippler :smileyhappy:

THANK YOU ! aaa.jpg

0 件の賞賛
返信

1,753件の閲覧回数
BlackNight
NXP Employee
NXP Employee

Hi Alex,

you can use the Kwikstick as programmer/debug tool (see Using the KwikStik K40 Board to Debug an external Board | MCU on Eclipse ), but if your project is hobby/non-commercial I recommend you get a J-Link EDU Mini (J-Link EDU Mini | SEGGER - The Embedded Experts ) which should be available from your distributor (Farnell or Mouser for example).

That way you don't have to use any OpenSDA.

Erich

1,753件の閲覧回数
alexloban
Contributor II

Thank you Erich! Is my circuit okay ?

Grüße aus Bayern :smileyhappy:

0 件の賞賛
返信