How to Switch RTC from External Oscillator to Internal Oscillator on KM34

cancel
Showing results for 
Show  only  | Search instead for 
Did you mean: 

How to Switch RTC from External Oscillator to Internal Oscillator on KM34

875 Views
Gohil
Contributor I

Hello,

I am working on a project using the NXP MKM34Z256 microcontroller, and I need to change the RTC clock source from the external oscillator (32.768 kHz) to the internal LPO (1 kHz). I've been referencing the NXP documentation and SDK examples, but I'm encountering issues with the transition.

Could someone provide guidance or a correct procedure for switching the RTC clock source from the external 32.768 kHz oscillator to the internal 1 kHz LPO on the MKM34Z256? Any sample code or references to documentation would be greatly appreciated.

Thank you in advance for your help!

Best regards,
 Raj.

0 Kudos
Reply
1 Reply

845 Views
_Leo_
NXP TechSupport
NXP TechSupport

Hi,

Thank you so much for your interest in our products and for using our community.

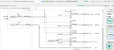
Yes, there is no documentation/demos about that. But personally is more illustrative/easiest work with clocks configuration with Clocks Tool from Config Tool.

_Leo__0-1723590260571.png

Hope it helps you.

Have a nice day!

0 Kudos
Reply