Help for MK10 connection with MC13233

cancel
Showing results for 
Show  only  | Search instead for 
Did you mean: 

Help for MK10 connection with MC13233

4,824 Views
nikivendola
Contributor III

Hello everyone,
I have a card made by my university focused on micro MK10DN512ZVLL10.
Below shows the standard connections of the micro.

pastedImage_3.png

Yellow show the connections to the micro MC13233, also from Freescale, which operates radio transmissions.
1) I can not find in the datasheet of MK10: RADIO_IRQ, RADIO_BKGD, RADIO_RESET.
2) The assistant of professor told me that it is better that I use BeeKit to make it work because there are examples already preset, but how do I initialize the K10. BeeKit also allows me to initialize the MK10? Is not it better to use the Kinetis Design Studio IDE where I already initialized for MK10? I guess I'll always go through the MK10.

Thanks for info

0 Kudos
Reply
12 Replies

4,492 Views
AngelC
Senior Contributor I

Hello Niki,

The RADIO_IRQ, RADIO_BKGD and RADIO_RESET are not any pins or signals in MK10DN512ZVLL10 but the GPIOs used to control the IRQ, BKGD and RESET signals of the external MC13233. I would recommend you to take a look at MC1323x datasheet for further details about the device’s pinout and the mentioned signals. 

MC1323x: http://cache.freescale.com/files/rf_if/doc/data_sheet/MC1323x.pdf

Furthermore, BeeKit includes several application examples for MC1323x. We recommend using such examples since they have been tested to work. You could modify such examples for your very specific use case if desired. Nevertheless, this is only for MC1323x and wireless connectivity products, not Kinetis K10.  If you would like to initialize K10, you may use any other desired method.

Regards,

AngelC

0 Kudos
Reply

4,492 Views
nikivendola
Contributor III

AngelC Hello and thanks for the reply,
but because I have three communication protocols (UART, IIC and TPM)?

0 Kudos
Reply

4,492 Views
AngelC
Senior Contributor I

Hello Niki,

I ignore why all those communications are used with the MC13233. It is true only one peripheral (UART or IIC) would be necessary to communicate with it, but the final application might use the other ones for any specific purpose.

In other words, only the UART or IIC, along with the radio-specific signals, would be enough to control and manage wireless transmissions through the MC13233. Nevertheless, it is up to the final application to use as many interfaces as needed. I guess the design you are referring to does more than simply transmitting data over the air. You should double check with the developers. Or simply ignore the rest of connections if you will not use them.

Regards,

AngelC

4,492 Views
nikivendola
Contributor III

Thanks for the answers.
So I manage with the UART and interrupts (RADIO_IRQ, RADIO_BKGD and RADIO_RESET). I can ignore even FTM?

0 Kudos
Reply

4,492 Views
AngelC
Senior Contributor I

Well, it will depend what FTM is used for. Do you have the rest of schematic (MC13233 side)? Does MC13233 uses a separate clock source?

-AngelC

0 Kudos
Reply

4,492 Views
nikivendola
Contributor III

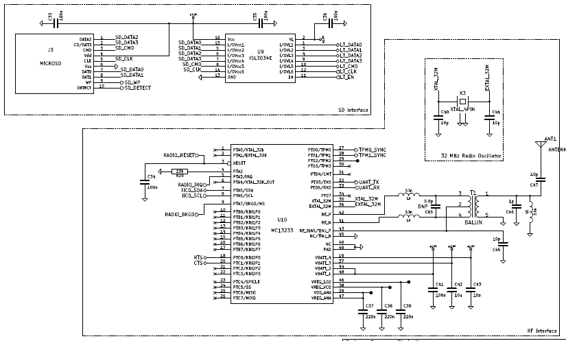
This is the complete schematic of the MC13233:

pastedImage_5.png

It 'possible that picks up the clock of the Radio Oscillator (X3)?

This other is the complete schematic of the board:

pastedImage_4.png

How do you see the IIC appears in many parts and it seems strange...
The designer of the card can not help me because he had designed years ago and left the university after a year of contract just finished this card....

0 Kudos
Reply

4,492 Views
AngelC
Senior Contributor I

Hello Niki,

Yes, the MC13233 has its own clock (X3) as it should and therefore you will be able to use only UART and interrupts as you plan.

Furthermore, the IIC bus appears many times because it is shared by the MC13233, some sensors and what seems to be an audio codec, this is also OK. The TPM was used with the MC13233 for a specific reason, but I could not determine which one. If you will not use it, then you could simply ignore that.

Regards,

AngelC

4,492 Views
nikivendola
Contributor III

Hi AngelC;

I started watching BeeKit.
I downloaded version 3.0.2 but can not find in the file folder examples for MC13233. When I open BeeKit does not give me the chance to work with the integrated MC13233. Do you know why? There are examples of this integrated?
I just wanted to start tx signal base and see the reception with a second device.

Waiting for an answer and I thank you and greeting

0 Kudos
Reply

4,492 Views
AngelC
Senior Contributor I

Hello Niki,

You should start by selecting HCS08 SMAC Codebase and follow the new project’s generation process to select MC1323x device. I would recommend you to start with Wireless UART example. The BeeKit template may require custom changes to the actual code to match the physical connections in your board.

Regards,

AngelC

0 Kudos
Reply

4,492 Views
nikivendola
Contributor III

Hello AngelC,
as you may have guessed I have much need your support.

I want to make an application conceptually very simple.
I have to schedule two tabs: one for tx and one for rx .
I do not want to transmit information, but only a signal from the card tx. One must recognize that it is in rx signal card tx. Once recognized must analyze power level.

I started using BeeKit, but I do not know if the choices I made are the best for my application.
Under Set Active Codebase I chose HCS08 BeeStack Codebase 3.1.1. Under NewProject I chose Other ZigBee Applications, Templates: WirelessUART (just like you consigiato).
Configuration:
Hardware: User defined target configuration (because I have a card made by the university)
Type MCU and transceiver: MC13233C PiP
UART modules: Enable UART on SCI port 1
ZigBee Device: End device (I want to set an apparatus in tx and rx in a card then the card is always an operation by the final device is right for you?)
Select Low Power Mode: Enable Pover Mode .... (I left the default data)
Select the network BeeStack: No security without mesh routing- Stack profile 1
Select the BeeStack Configuration: Enable PAN ID conflict resolution
Set the Extended (MAC) Address, PAN ID and Set Channels: I left them as default (for my simple application of tx and rx I change them?)

As regards the receiver have to do a project equal to this?

..........

Greetings

0 Kudos
Reply

4,492 Views
AngelC
Senior Contributor I

Hi Niki,

BeeStack is a complex stack and you should be first familiar with ZigBee specification before using it in order to understand all those settings. I would recommend you to use SMAC instead. If you cannot find HCS08 SMAC codebase in BeeKit, you should then find it in the installation folder C:\Program Files (x86)\Freescale\SMAC\MC1323x\Demo Apps. There you will also find a Wireless UART example without the rest of configurations you do not really need.

Regards,

AngelC

0 Kudos
Reply

4,492 Views
nikivendola
Contributor III

Hi AngelC,

When complete the procedure of implementation of a project with BeeKit and I want to export it from me: Project Are Not Exported. Why?

pastedImage_0.png

I can export it anyway. But, after importing of KDS and I: "Convert CodeWarrior project files ..." nothing happens ...

Support Engineers can follow the most?

thank you and greetings

0 Kudos
Reply