Help Understanding Clock Rate of K66

cancel
Showing results for 
Show  only  | Search instead for 
Did you mean: 

Help Understanding Clock Rate of K66

2,191 Views
C0490FDB
Contributor I

Trying to understand how the microcontroller is being clocked, sorry, the datasheet isn't clear to me.  Right now I'm setting the LPUART baud rate by measuring bit duration on my scope but would like to document the precise calculations to derive the register settings.

I am working with a MK66FN2M0VLQ18 on a RDDRONE-FMUK66 running PX4.  It appears that during initialization the PLL is selected and I estimate the CPU is clocking at about 100 MHz, but again this is measured on a scope.

The schematic shows a 32KHz crystal on board but perhaps it's using the internal IRC48M 48 MHz source?

Thanks!

Labels (1)
0 Kudos
Reply
5 Replies

2,178 Views
jingpan
NXP TechSupport
NXP TechSupport

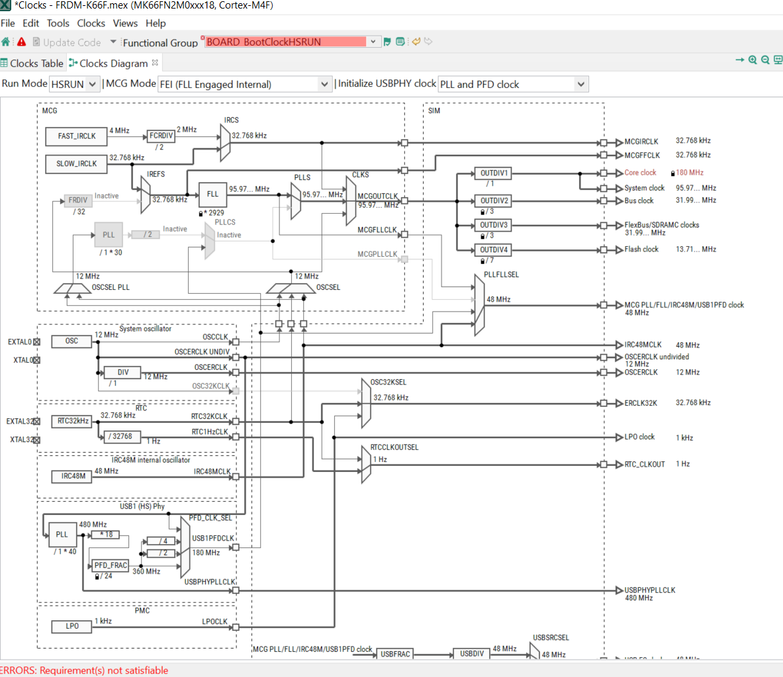
Hi @C0490FDB ,

Please see this picture. If input internal or external 32k osc clock, MCG can use FLL to boost up to  96M clock.

jingpan_0-1643010005587.png

 

Regards,

Jing

 

0 Kudos
Reply

2,171 Views
C0490FDB
Contributor I

Thank you, this diagram is very helpful.

0 Kudos
Reply

2,168 Views
mjbcswitzerland
Specialist V

Hi

See this practical guide too:
https://www.utasker.com/kinetis/MCG.html

Regards

Mark

 

0 Kudos
Reply

2,148 Views
C0490FDB
Contributor I

That looks helpful as well, thanks!

0 Kudos
Reply

2,185 Views
C0490FDB
Contributor I

I set the peripheral clock source to the internal 48 MHz source and the baud rate settings make sense now.  I'm still unclear how to derive the processor speed using the PLL or not.

0 Kudos
Reply