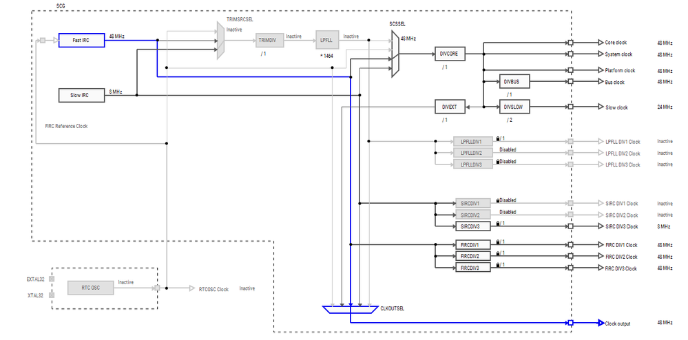
Hello i´m working with the Development Board FRDMK32L3A6 and i want to use the FB_CLKOUT Pin to clock another Board. Here in this pictures are the settings i use.


Now i´ve measured the Clock Signal with an Oscilloscope and this is what i get. Am i doing something wrong on my measurement or does the clock signal look like this? How can i change it to be rectangular?

Thanks and best regards