Hello,
I am using the AR8035 phy connected to the LS1046A custom board.
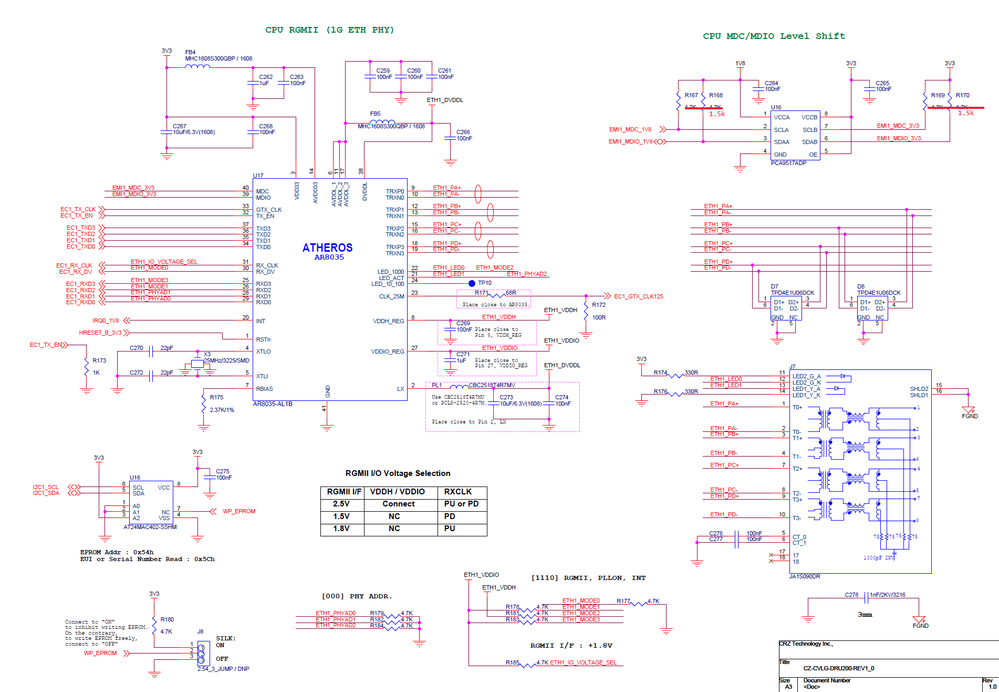
I am using PCA9517 for level conversion between cpu(1.8v) and phy(3.3v).
After applying the power and after a certain period of time, ifconfig fm1-mac3 down/up, there was a phenomenon that the up did not work, and when I checked it, I found that there is a problem with the level converter between the cpu and the phy.
There was no problem after testing after replacing PCA9617 as a pin compatible replacement.
When I take the waveform, there seems to be no difference as follows, but PCA9517 is fail and PCA9617 is pass, but I cannot find a clear cause, so I ask a question.

Can I use PCA9517, which was reviewed as a replacement from a long-term perspective,
If so, I would like to know the answer for what reason was solved.
Please understand that the translation is not smooth.
Thank you,
Best Regards,
Gyosun.