Hi, I am doing a project on FOC motor control with MC56F84766VLK. Last time we finished the work with quad encoder to serve as the angle/speed signals for FOC.
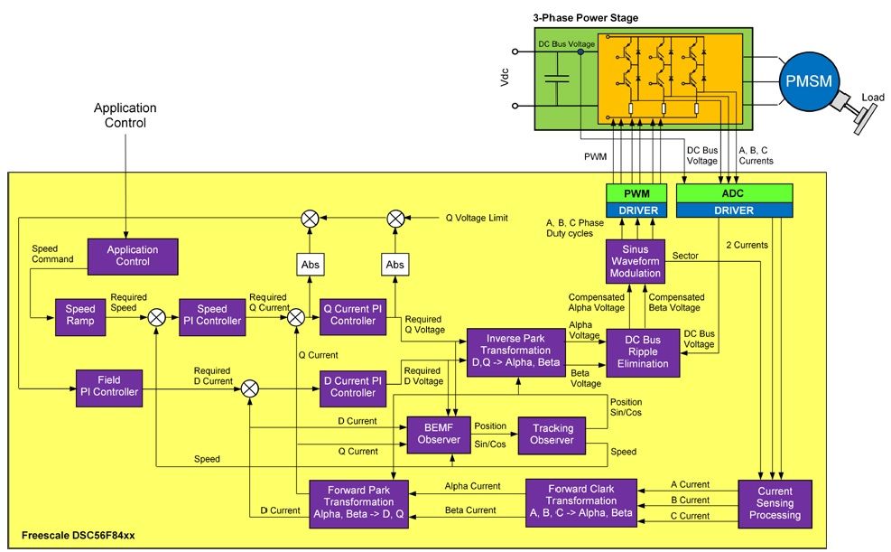
Now we want to cancel the quad encoder in order to cost down. I find one document(DRM139) described a method with sensorless BEMF-Observer( as the below figure). It fit my demand.

I can't find the relative software about DRM139 method.
Who can get the reference software codes as described on DRM139?
Thanks very much.
Changshui Li