Hi,
I have a big lost time during many days to understand how Fixed Frequency Clock is generated, because i need a lower frequency for my PWM application.
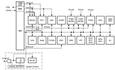
It's impossible to know what is exactly the frenquency clock in my FTM1 module.
Idealy, i need a FTM clock at 12.8µs.
My PA60 running fully with an external cristal oscillator at 20Mhz, so 0,05µs of period busclock (BDIV0).

If i take datasheet, i set RDIV to 128, so 0.05 * 128 = 6.4µs :
ICS_C1 = 0x90; //div128
ICS_OSCSC_RANGE = 1;

Then, datasheet explains ICSFFCLK is divided by 2, so 6.4 * 2 = 12.8µs:

And i use a div1 in my FTM1 module with external clock selected.
If i generate a minimal PWM signal at 50% of duty, oscilloscope give me a signal arround 20µs. And it's not a multiple of busclock divided... i don't understand. !!
Anyone can explain me how can i determinate the FFCLK exactly please ?
Thank you,
Sylvain